Качественные детали и логистика
Оригинальные и аналоговые запчасти с доставкой по России, Казахстану и Беларуси
©2022 PartSell ООО "Система" ИНН 2463123282 ОГРН 1212400004838
Центральный офис: г. Красноярск, Академика Киренского, д.87, пом.4
Телефон: 8 (800) 777-65-74 Email: zakaz@partsell.ru
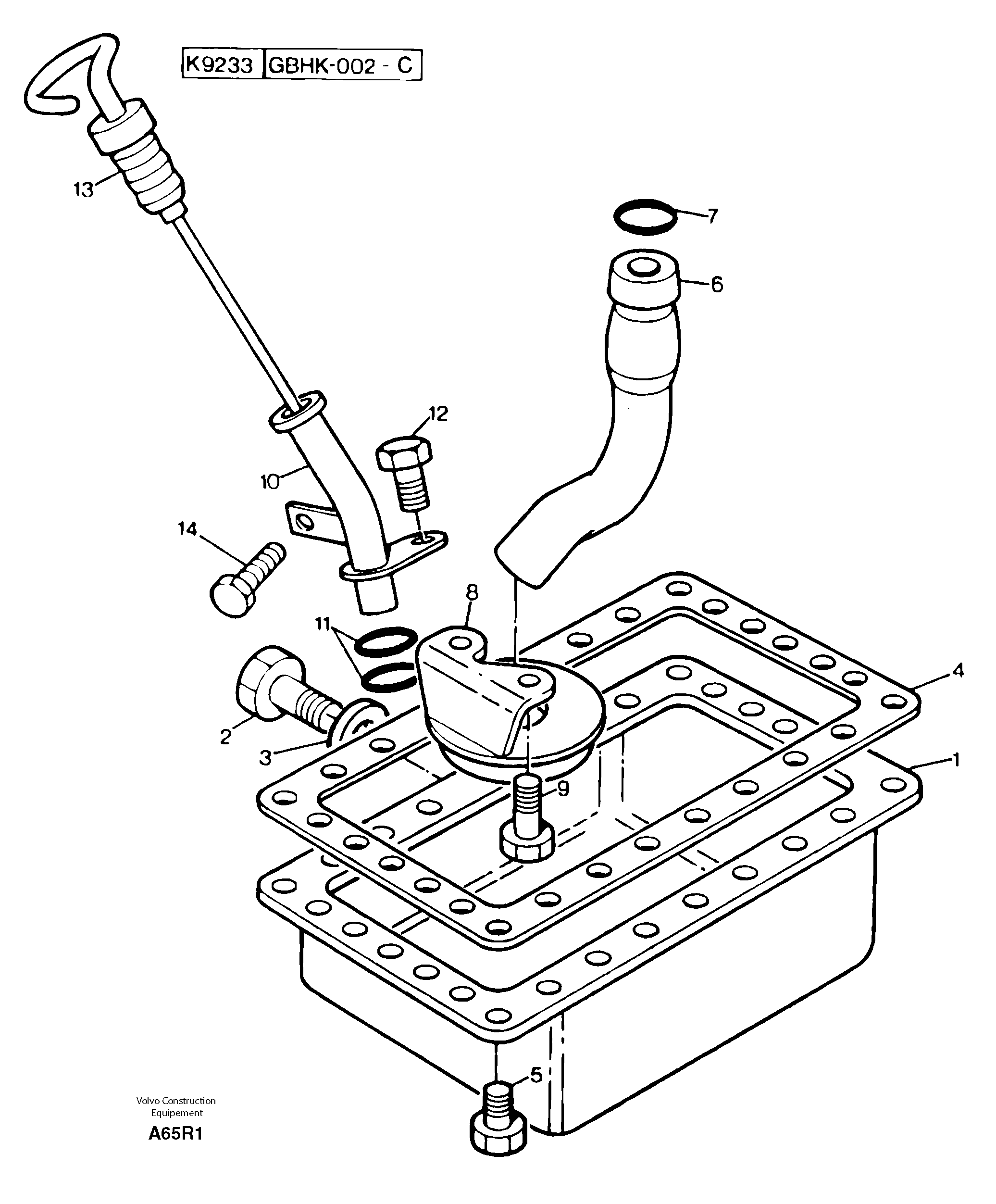
100956 Lubrication oil sump
№
Артикул
Название
Примечание
Количество
1
PJ 110707711
Oil sump
1шт.
10
PJ 110756070
Giude
11
PJ 052100100
Кольцо уплотнительное (О-кольцо)
12
PJ 011300612
Болт
13
PJ 198416320
Oil Dipstick
4
PJ 110996860
Сальник
5
PJ 010109235
6
PJ 140986630
Трубка
7
PJ 052109076
8
VOE 11714124
11714124
9
PJ 011310612
Выбрано товаров: 0