Запчасти Volvo EC50 105745 Фильтр воздушный EC50VV TYPE 247

Схема запчастей Volvo EC50 - 105745 Фильтр воздушный EC50VV TYPE 247
FIT
1:1
100%

Артикул

Название

Примечание

Количество

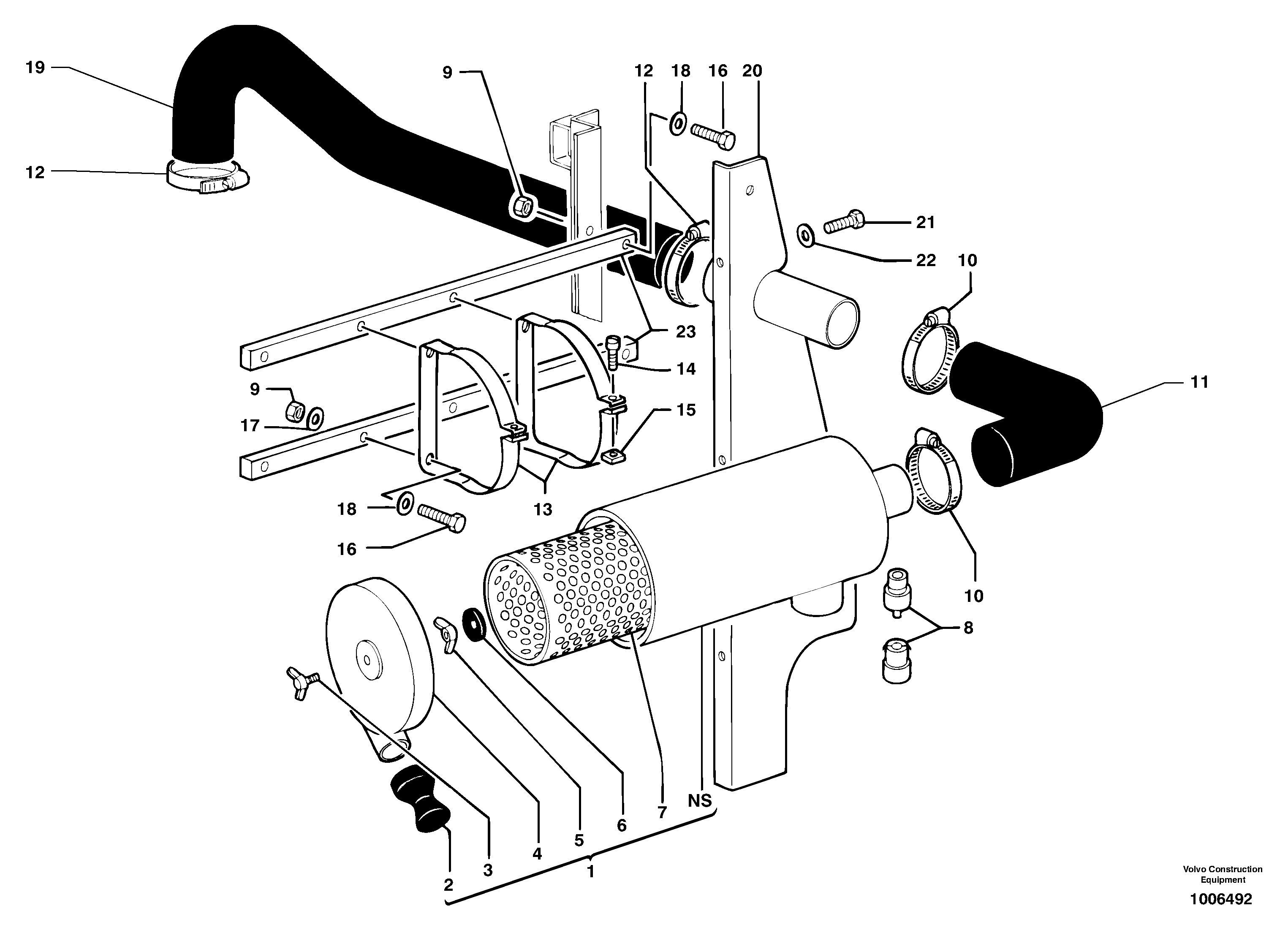
1

PJ 6050035

Фильтр воздушный

1шт.

10

VOE 11806184

Cable clamp

1шт.

11

PJ 4199039

Шланг

1шт.

12

VOE 11806184

Cable clamp

1шт.

13

PJ 4690110

Зажим

1шт.

14

PJ 7411263

Болт

CL M6X45

1шт.

15

PJ 7411264

Square Nut

QL M6

1шт.

16

PJ 4380044

Болт

HM8X25

1шт.

17

VOE 13955894

Шайба

MU8

1шт.

17

VOE 13955894

Шайба

MU8

1шт.

18

VOE 11804257

Шайба

M8

1шт.

19

PJ 4199038

Шланг

1шт.

2

PJ 7411258

Draining valve

1шт.

20

PJ 3811600

Apron

1шт.

21

PJ 4380030

Болт

HM6X12

1шт.

22

VOE 11806142

Шайба

M6

1шт.

23

PJ 3290102

Опора

1шт.

3

PJ 7411254

Болт

1шт.

4

PJ 7411252

Крышка

1шт.

5

PJ 7411257

Wing Nut

1шт.

6

PJ 7411256

Сальник

1шт.

7

PJ 6050036/4

Filter Kit

1шт.

7

PJ 6050036

Filter cartridge

1шт.

8

PJ 5110018

Indicator

1шт.

9

VOE 983303

Гайка

HM8

1шт.

9

VOE 983303

Hexagon nut

HM8

1шт.

Выбрано товаров: 26