Запчасти Volvo EC50 7127 Coded keypad ( anti-start ) / without Puma EC50VV TYPE 247

Схема запчастей Volvo EC50 - 7127 Coded keypad ( anti-start ) / without Puma EC50VV TYPE 247
FIT
1:1
100%

Артикул

Название

Примечание

Количество

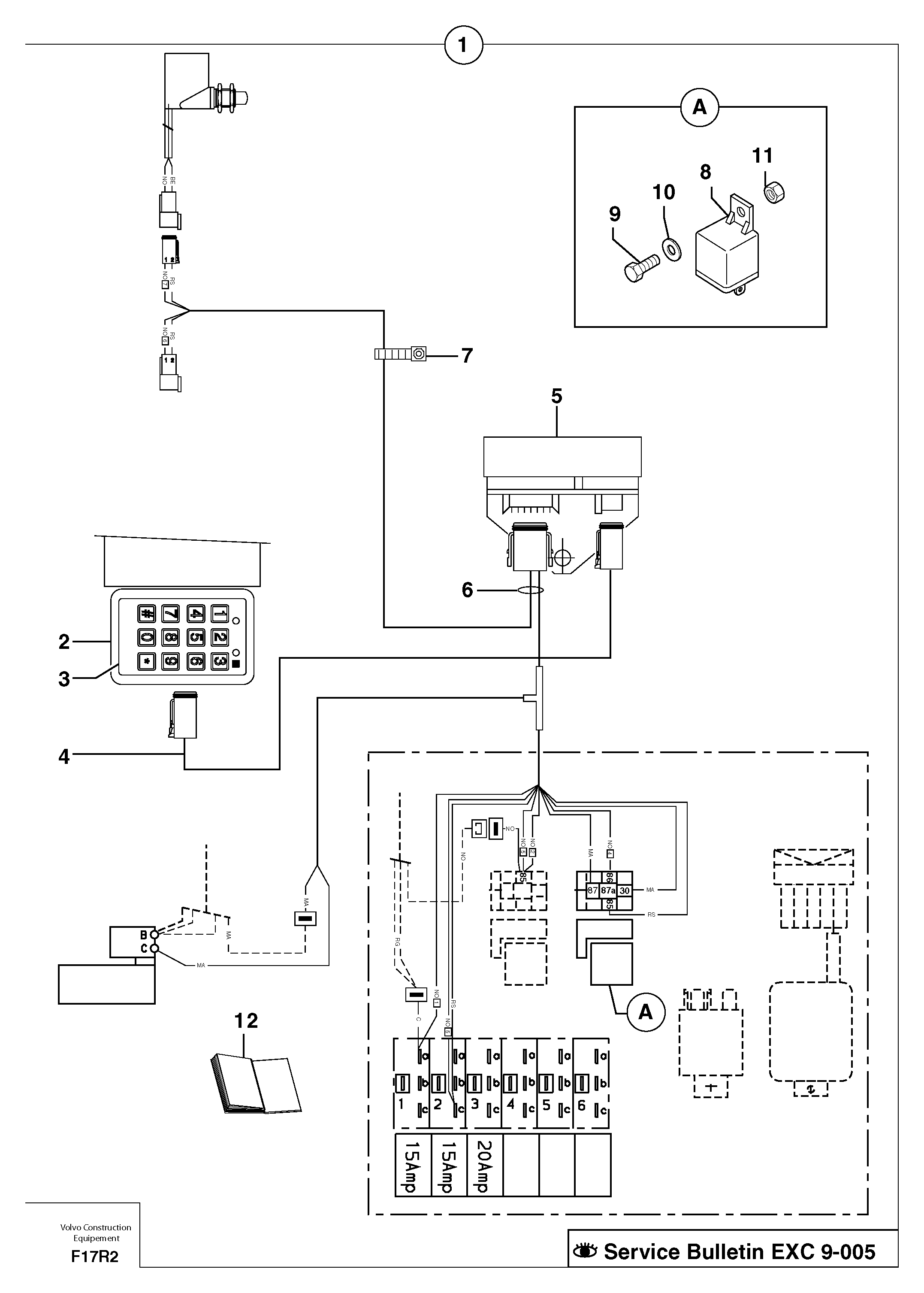
1

PJ 6660332

Coded keypad kit

1шт.

10

VOE 940090

Шайба

MU5

1шт.

10

VOE 940090

Шайба

MU5

1шт.

11

PJ 4410010

Гайка

HM5

1шт.

12

PJ 5400582

Service bulletin

1шт.

2

PJ 3630439

Опора

1шт.

3

VOE 11803149

Control panel

1шт.

3

VOE 11803149

Control panel

1шт.

4

VOE 11803912

Wire harness

1шт.

5

VOE 11801418

Electronic unit

1шт.

5

VOE 11801418

Electronic unit

1шт.

6

PJ 5720713

Wire harness

1шт.

7

VOE 11806170

Cable clamp

1шт.

7

VOE 11806170

Cable clamp

1шт.

8

PJ 5110012

Реле

1шт.

9

PJ 4380020

Болт

HM5X10

1шт.

Выбрано товаров: 16