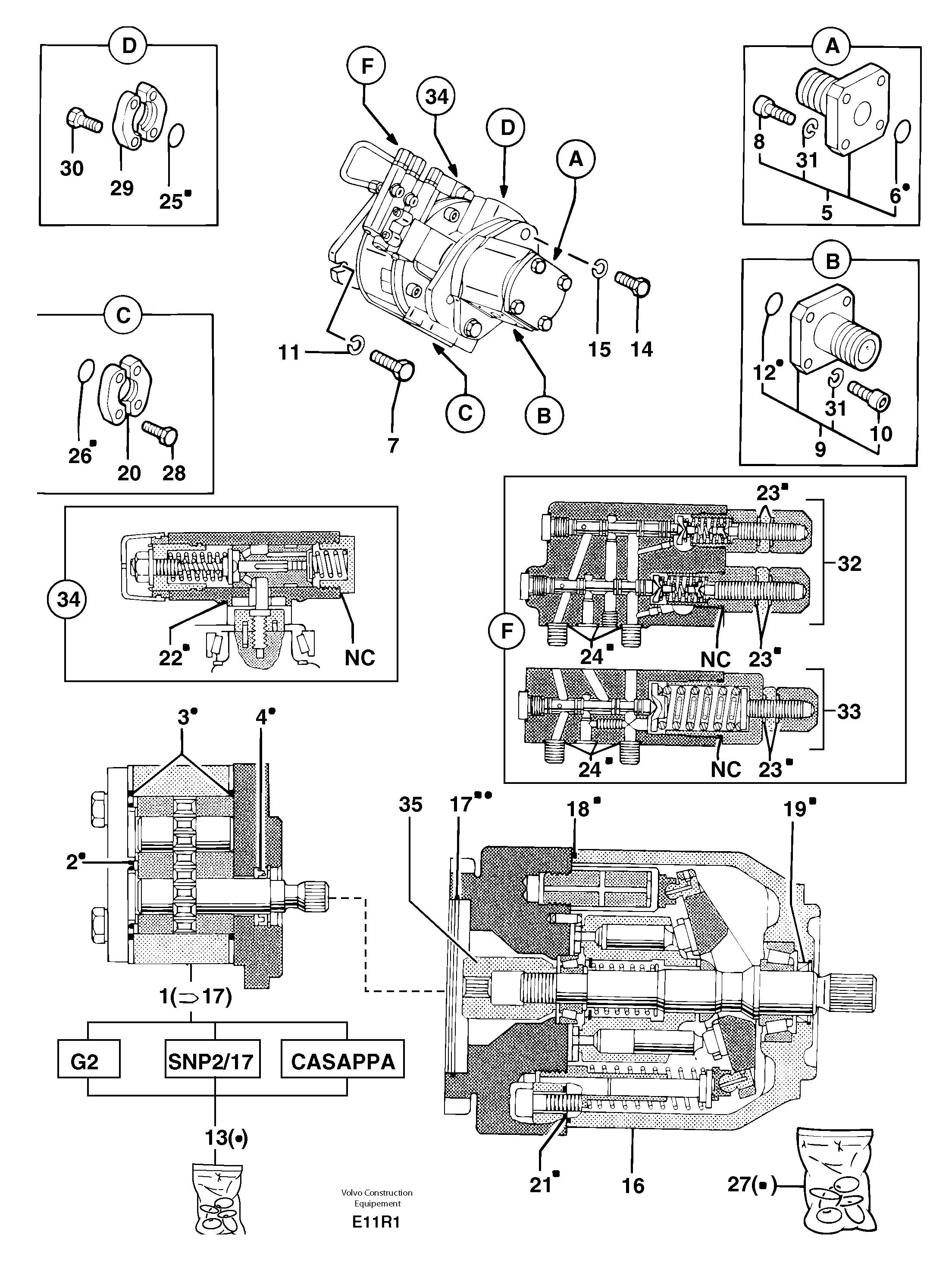
Запчасти Volvo EC50 15276 Гидронасос (основной насос) EC50VV TYPE 247

Схема запчастей Volvo EC50 - 15276 Гидронасос (основной насос) EC50VV TYPE 247
FIT
1:1
100%

Артикул

Название

Примечание

Количество

1

PJ 5350124

Гидронасос (основной насос)

1шт.

10

PJ 4290007

Болт

INCL IN 9, CHc M6X20

1шт.

11

PJ 4490002

Шайба

M12

1шт.

12

PJ 4040028

Кольцо уплотнительное (О-кольцо)

INCL IN 13-9, ORDER 13

1шт.

13

PJ 7450342

Sealing Kit

( G2 )

1шт.

13

PJ 7450426

Sealing Kit

( SNP2/17 )

1шт.

13

PJ 7450495

Sealing Kit

(CASAPPA)

1шт.

14

PJ 4290026

Болт

CHc M10X30

1шт.

15

VOE 11807554

Шайба

M10

1шт.

16

PJ 5350031

Насос

1шт.

17

VOE 11709737

Кольцо уплотнительное (О-кольцо)

INCL IN 13-27, OD = 85X3

1шт.

17

PJ 7412830

Кольцо уплотнительное (О-кольцо)

INCL IN 13-27, OD = 83X2

1шт.

20

VOE 935309

Flange half

1шт.

20

VOE 935309

Flange half

1шт.

22

PJ 7414543

Кольцо уплотнительное (О-кольцо)

INCL IN 27, ORDER 27

1шт.

24

PJ 7414542

Кольцо уплотнительное (О-кольцо)

INCL IN 27, ORDER 27

1шт.

25

VOE 944706

Кольцо уплотнительное (О-кольцо)

INCL IN 27, ORDER 27

1шт.

26

VOE 944708

Кольцо уплотнительное (О-кольцо)

INCL IN 27, ORDER 27

1шт.

26

VOE 944708

Кольцо уплотнительное (О-кольцо)

INCL IN 27, ORDER 27

1шт.

27

PJ 7450343

Sealing Kit

1шт.

28

PJ 4380241

Болт

1шт.

29

VOE 11803245

Фланец

1шт.

30

PJ 4380220

Болт

1шт.

31

PJ 4470010

Стопорная шайба (кольцо)

INCL IN 9-5, W6

1шт.

32

PJ 7416650

Regulator

1шт.

33

PJ 7412500

Regulator

1шт.

34

PJ 7450456

Regulator

1шт.

35

PJ 7415152

Splined Sleeve

1шт.

5

PJ 5430005

Фланец

1шт.

6

PJ 4040028

Кольцо уплотнительное (О-кольцо)

INCL IN 13-5, ORDER 13

1шт.

7

PJ 4380069

Болт

HM12X35

1шт.

8

PJ 4290007

Болт

INCL IN 5, CHc M6X20

1шт.

9

PJ 5430008

Фланец

1шт.

Выбрано товаров: 0