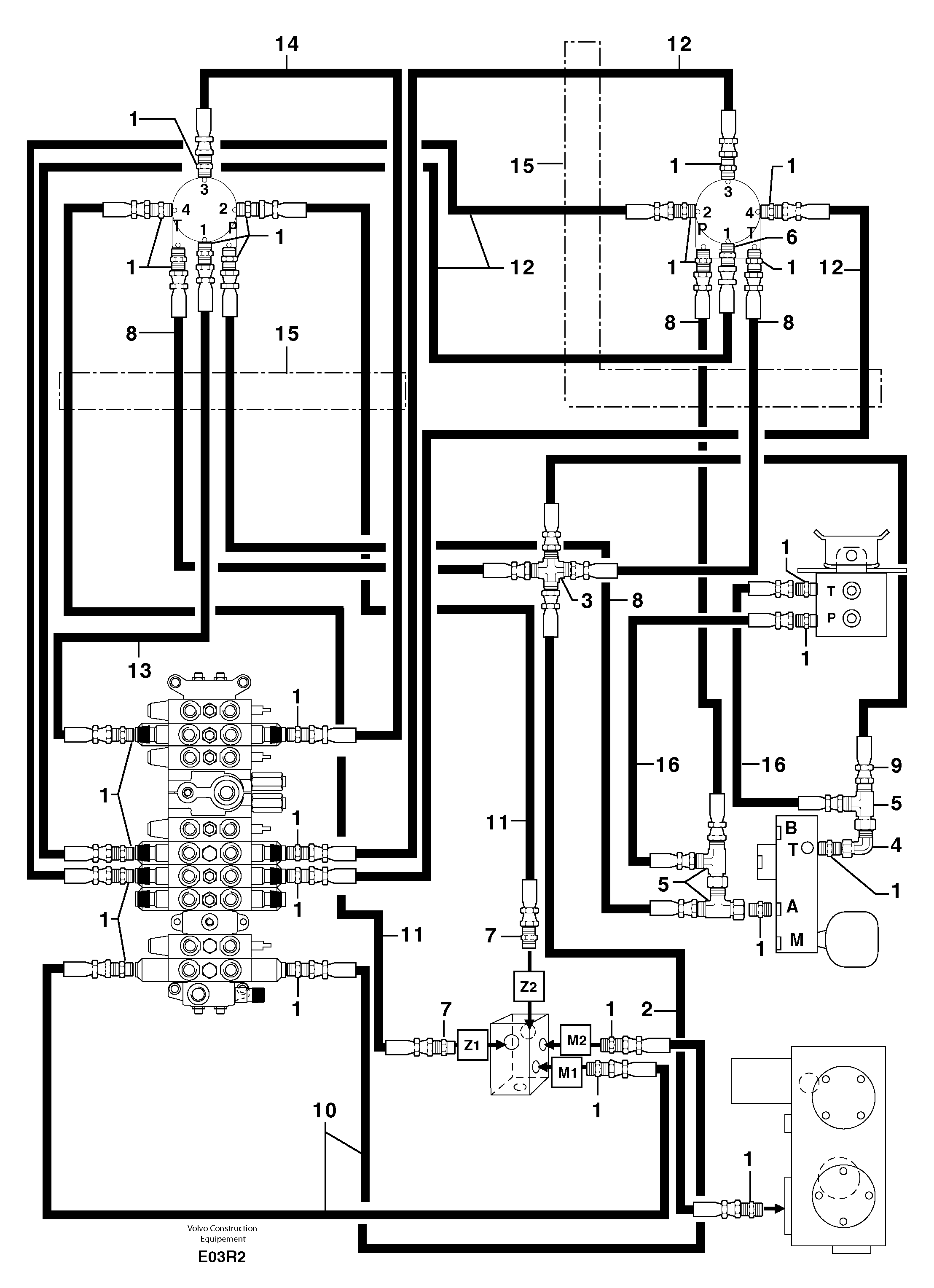
Запчасти Volvo EC50 106318 Hydr. circuit ( controls attachment ) EC50VV TYPE 247

Схема запчастей Volvo EC50 - 106318 Hydr. circuit ( controls attachment ) EC50VV TYPE 247
FIT
1:1
100%

Артикул

Название

Примечание

Количество

1

PJ 4750055

Переходник масляного фильтра

1шт.

10

PJ 4192457

Шланг

1/4''

1шт.

11

PJ 4192470

Шланг

1/4''

1шт.

12

VOE 11805943

Шланг

1/4''

1шт.

13

VOE 11805956

Hose assembly

1/4''

1шт.

14

PJ 4192471

Шланг

1/4''

1шт.

15

VOE 11804752

Shield Coil

1шт.

16

PJ 4192447

Шланг

1/4''

1шт.

2

PJ 4192452

Шланг

1/4''

1шт.

3

PJ 4720035

Крестовина

1шт.

4

VOE 11806290

Elbow

1шт.

5

VOE 11806313

Nipple

1шт.

6

PJ 4770575

Restricting valve

OD = 0,6mm / 0,0236in

1шт.

7

PJ 4750341

Переходник масляного фильтра

1шт.

8

PJ 4192434

Шланг

1/4''

1шт.

9

PJ 4192456

Шланг

1/4''

1шт.

Выбрано товаров: 16