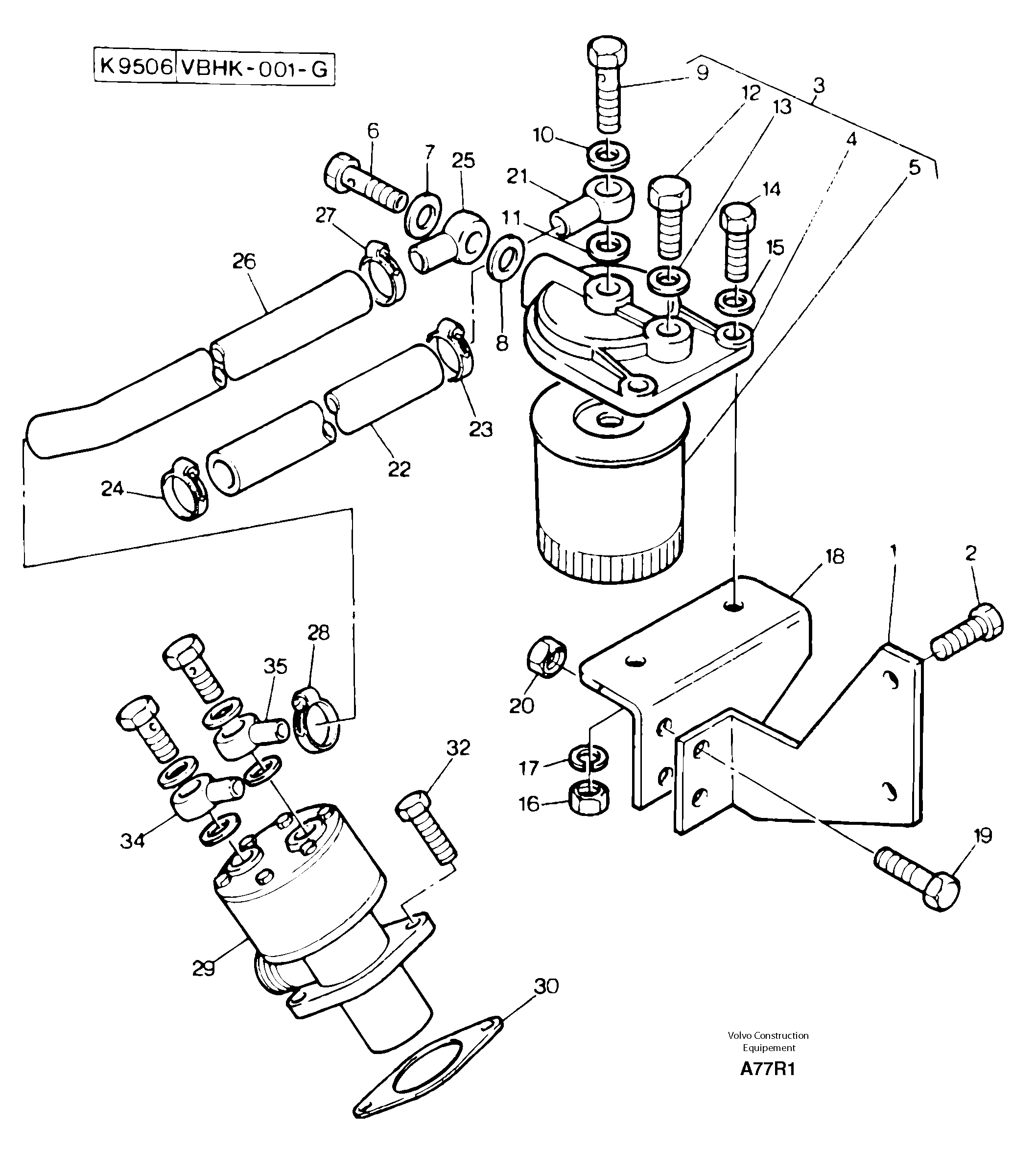
Запчасти Volvo EC50 14555 Low pressure fuel system EC50 TYPE 247

Схема запчастей Volvo EC50 - 14555 Low pressure fuel system EC50 TYPE 247
FIT
1:1
100%

Артикул

Название

Примечание

Количество

1

PJ 130976250

Carrier

1шт.

10

PJ 130326051

Шайба

1шт.

11

PJ 130326051

Шайба

1шт.

12

PJ 130396030

Пробка (заглушка)

1шт.

13

PJ 130326051

Шайба

1шт.

14

PJ 010101030

Болт

S/N - 08/11/88

1шт.

14

PJ 010101035

Болт

S/N 08/11/88 -

1шт.

15

PJ 026100010

Шайба

1шт.

16

PJ 020100010

Гайка

1шт.

17

PJ 027100010

Шайба

1шт.

18

PJ 130976260

Опора

1шт.

19

PJ 011300820

Болт

1шт.

2

PJ 011300816

Болт

1шт.

20

PJ 023100008

Гайка

1шт.

21

PJ 131246240

Nipple

1шт.

22

PJ 068209149

Трубка

1шт.

23

PJ 067100015

Зажим

1шт.

24

PJ 067100015

Зажим

1шт.

25

PJ 131246240

Nipple

1шт.

26

PJ 068209084

Трубка

1шт.

27

PJ 067100015

Зажим

1шт.

28

PJ 067100015

Зажим

1шт.

3

PJ 130306190

Фильтр топливный

1шт.

30

PJ 130996070

Сальник

1шт.

6

PJ 130436011

Болт

1шт.

7

PJ 130326051

Шайба

1шт.

8

PJ 130326051

Шайба

1шт.

9

PJ 130436011

Болт

1шт.

Выбрано товаров: 28