Качественные детали и логистика
Оригинальные и аналоговые запчасти с доставкой по России, Казахстану и Беларуси
©2022 PartSell ООО "Система" ИНН 2463123282 ОГРН 1212400004838
Центральный офис: г. Красноярск, Академика Киренского, д.87, пом.4
Телефон: 8 (800) 777-65-74 Email: zakaz@partsell.ru
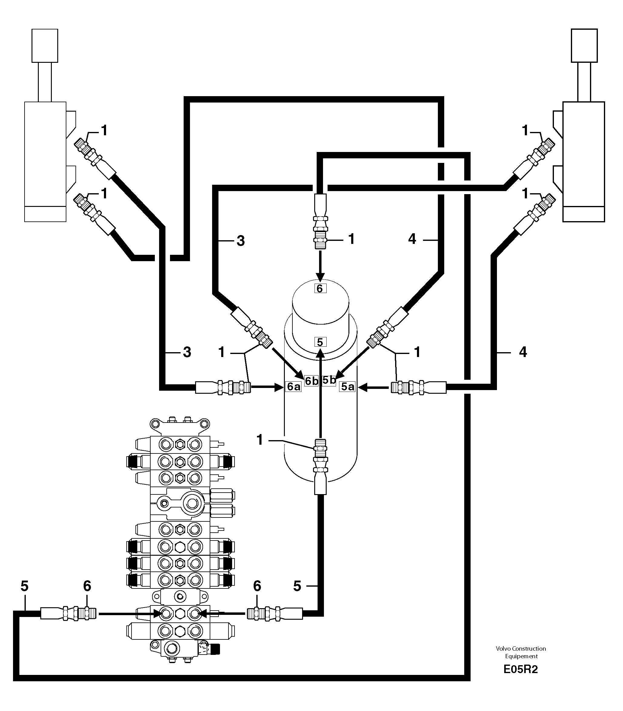
31754 Hydr. circuit. ( dozer blade )
№
Артикул
Название
Примечание
Количество
1
VOE 11806376
Переходник масляного фильтра
1шт.
3
PJ 4190465
High pressure hose
3/8''
4
VOE 11805903
Шланг
5
PJ 4190495
6
PJ 4750410
Выбрано товаров: 0