Запчасти Volvo EC50 103324 Alternator EC50 TYPE 247

Схема запчастей Volvo EC50 - 103324 Alternator EC50 TYPE 247
FIT
1:1
100%

Артикул

Название

Примечание

Количество

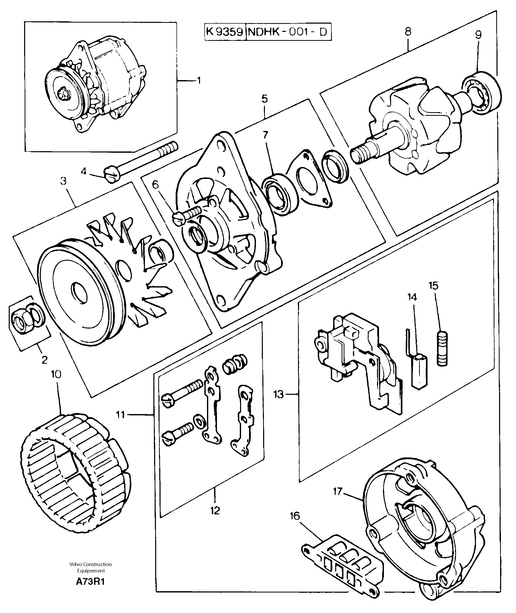
1

PJ 185046201

Alternator

1шт.

10

PJ 185446162

Stator

1шт.

11

PJ 185446140

Крышка

1шт.

12

PJ 185446188

Реле

1шт.

13

PJ 185446187

Brush holder

1шт.

14

PJ 185416300

Carbon brushes

1шт.

15

PJ 185446165

Пружина

1шт.

16

PJ 185446216

Rectifier

1шт.

2

PJ 185446157

Гайка

1шт.

3

PJ 185436120

Шкив

1шт.

4

PJ 185446158

Болт

1шт.

5

PJ 185426130

Крышка

1шт.

6

PJ 185446182

Болт

1шт.

7

PJ 185446246

Ball bearing

1шт.

8

PJ 185336252

Rotor

1шт.

9

PJ 185446251

Ball bearing

1шт.

Выбрано товаров: 0