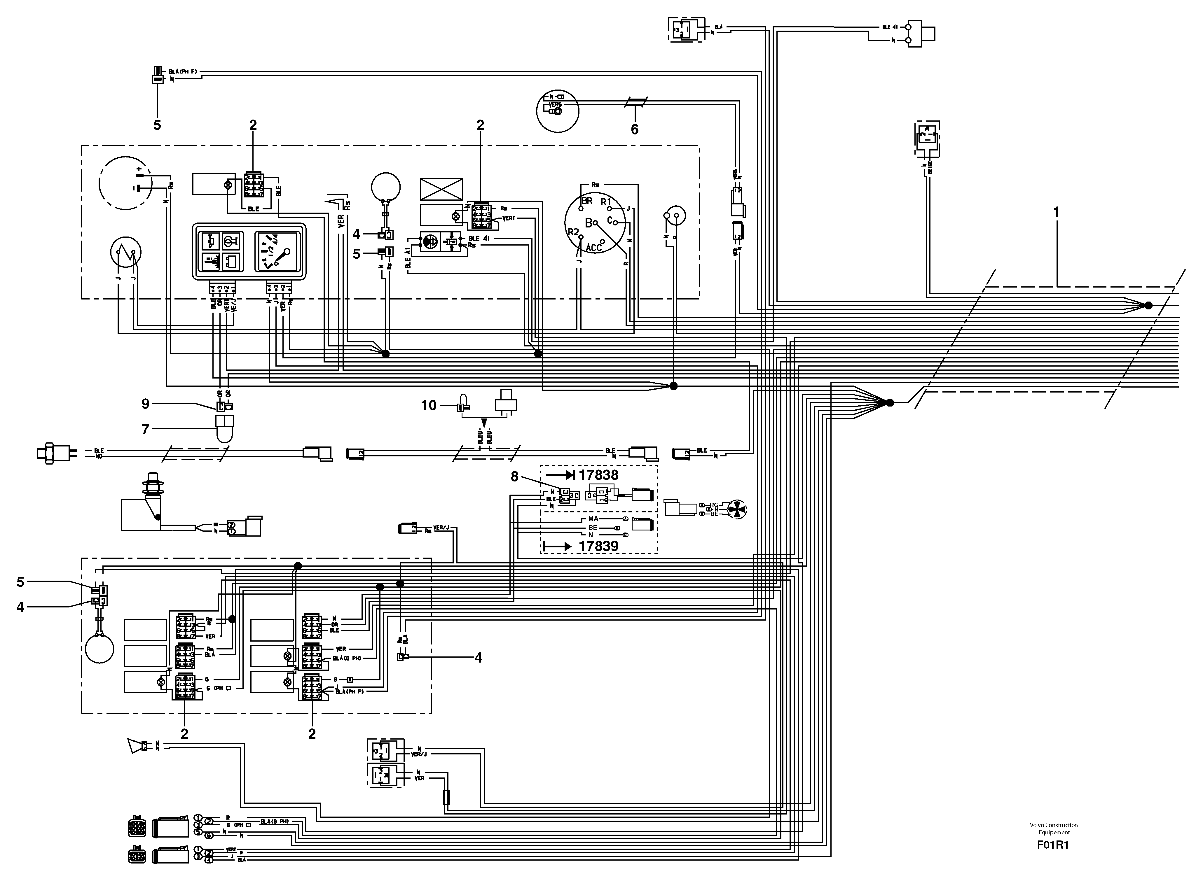
Запчасти Volvo EC50 8691 Electrical system (front) / without Puma EC50 TYPE 247

Схема запчастей Volvo EC50 - 8691 Electrical system (front) / without Puma EC50 TYPE 247
FIT
1:1
100%

Артикул

Название

Примечание

Количество

1

PJ 5720379

Wire harness

1шт.

10

PJ 5720279

Wire harness

1шт.

2

PJ 5080030

Plug connector

1шт.

3

PJ 5130017

Horn

PJ 5130017

1шт.

4

PJ 5080013

Plug connector

1шт.

5

PJ 5080012

Plug connector

1шт.

6

PJ 5720346

Wire harness

1шт.

7

PJ 385620220

Диод

1шт.

8

PJ 5080017

Plug connector

1шт.

9

PJ 385620290

Plug connector

1шт.

Выбрано товаров: 10