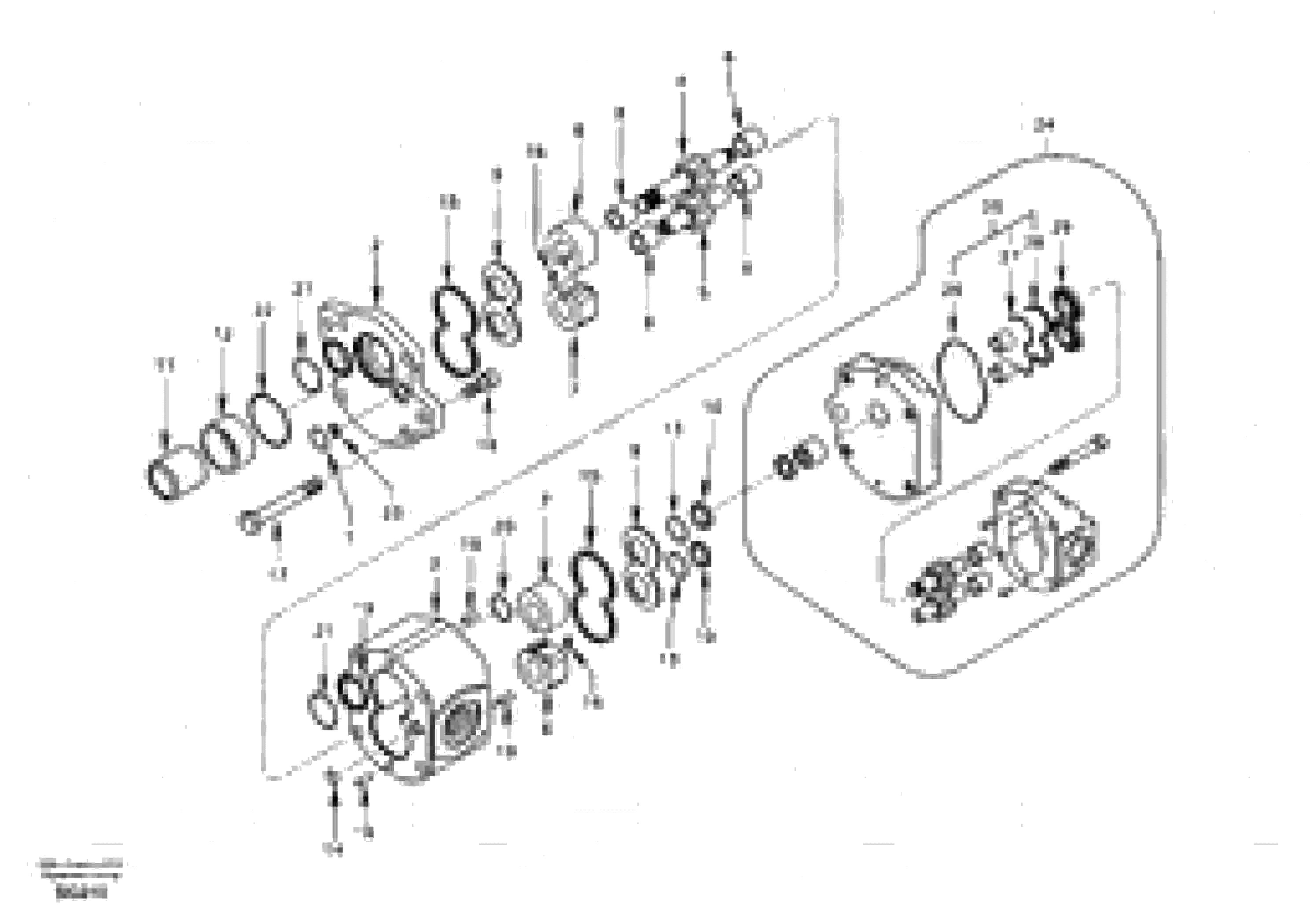
Запчасти Volvo EC55 104697 Гидронасос (шестеренчатый) EC55 SER NO 3001 -

Схема запчастей Volvo EC55 - 104697 Гидронасос (шестеренчатый) EC55 SER NO 3001 -
FIT
1:1
100%

Артикул

Название

Примечание

Количество

VOE 14504582

Насос

1шт.

1

VOE 14504586

Кольцо уплотнительное (О-кольцо)

1шт.

10

SA 8230-03490

Guide

1шт.

100

VOE 14504881

Sealing Kit

KIT

1шт.

11

SA 8230-03270

Clutch

1шт.

12

SA 8230-03290

Втулка

1шт.

13

SA 8230-02920

Сальник

1шт.

14

VOE 14504583

Кольцо уплотнительное (О-кольцо)

1шт.

15

SA 8230-02930

Сальник

1шт.

16

SA 8230-03040

Сальник

1шт.

17

SA 8230-03300

Болт

1шт.

18

SA 8230-03810

Болт

1шт.

19

SA 8230-02900

Палец

1шт.

2

SA 8230-03330

Опора

1шт.

20

VOE 14504584

Кольцо уплотнительное (О-кольцо)

1шт.

21

VOE 14504585

Кольцо уплотнительное (О-кольцо)

1шт.

21

VOE 14504585

Кольцо уплотнительное (О-кольцо)

1шт.

22

SA 8230-03710

Кольцо уплотнительное (О-кольцо)

1шт.

23

SA 8230-02940

Фильтр топливный

1шт.

24

SA 8230-25030

Пилотный (шестерёнчатый) насос

1шт.

25

VOE 14504882

Sealing Kit

1шт.

26

VOE 14504270

Кольцо уплотнительное (О-кольцо)

1шт.

27

SA 14504271

Кольцо

1шт.

28

SA 14504272

Кольцо

1шт.

29

SA 14504273

Пластина

1шт.

3

SA 8230-03280

Case

1шт.

4

SA 8230-03370

Gear

1шт.

5

SA 8230-03470

Gear

1шт.

6

SA 8230-03020

Пластина

1шт.

7

SA 8230-03030

Пластина

1шт.

8

SA 8230-02910

Втулка

1шт.

9

SA 8230-03480

Пластина

1шт.

Выбрано товаров: 32