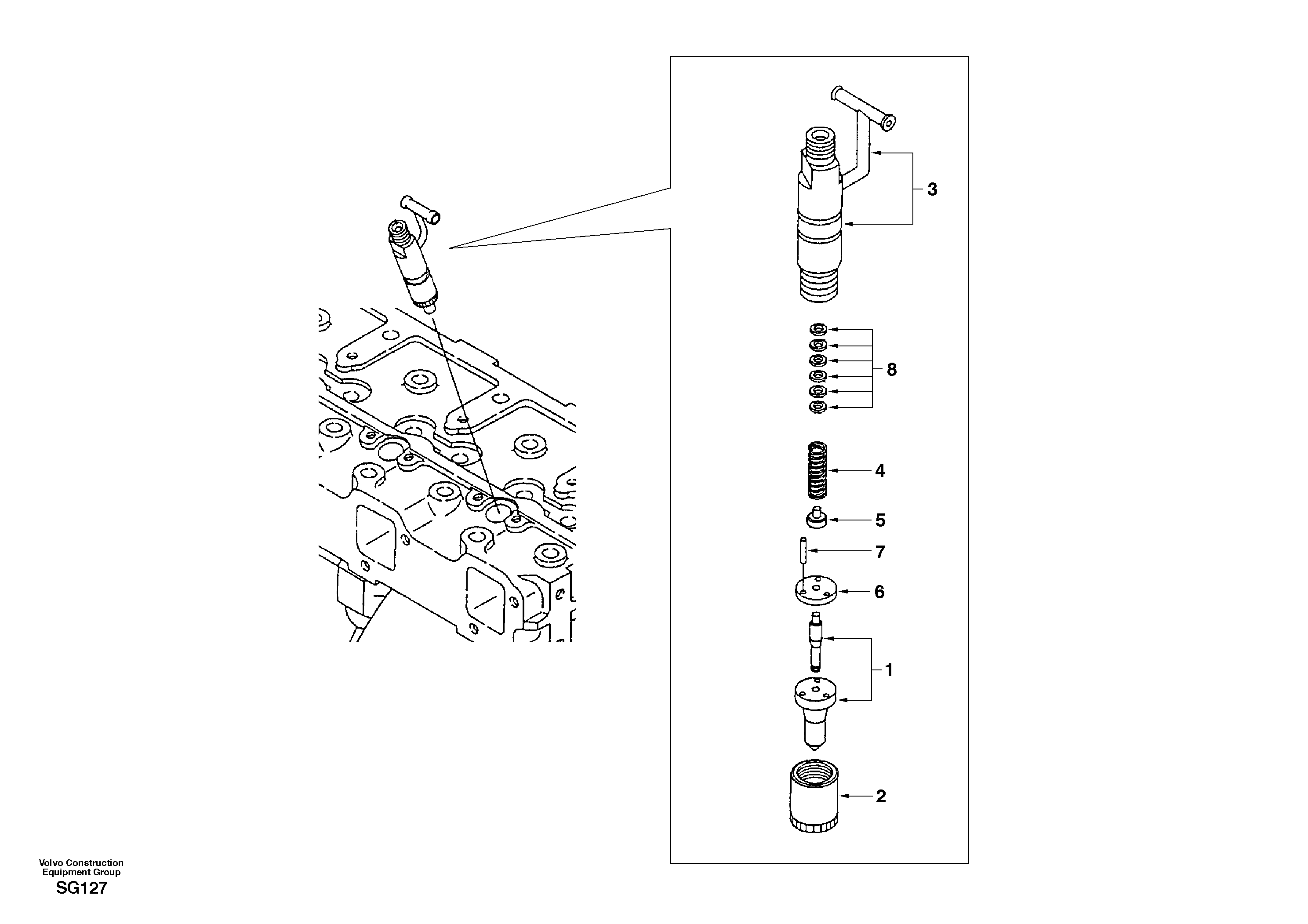
Запчасти Volvo EC55 44104 Форсунка топливная (инжектор) EC55 SER NO 3001 -

Схема запчастей Volvo EC55 - 44104 Форсунка топливная (инжектор) EC55 SER NO 3001 -
FIT
1:1
100%

Артикул

Название

Примечание

Количество

SA 8210-06170

Клапан

1шт.

1

SA 8210-05050

Nozzle

1шт.

2

SA 8210-00380

Гайка

1шт.

3

SA 8210-03560

Cage

1шт.

4

SA 8210-00390

Пружина

1шт.

5

SA 8210-00400

Пружина

1шт.

6

SA 8210-00410

Пластина

1шт.

7

SA 8210-00420

Палец

1шт.

8

SA 8210-00430

Прокладка

1шт.

Выбрано товаров: 9