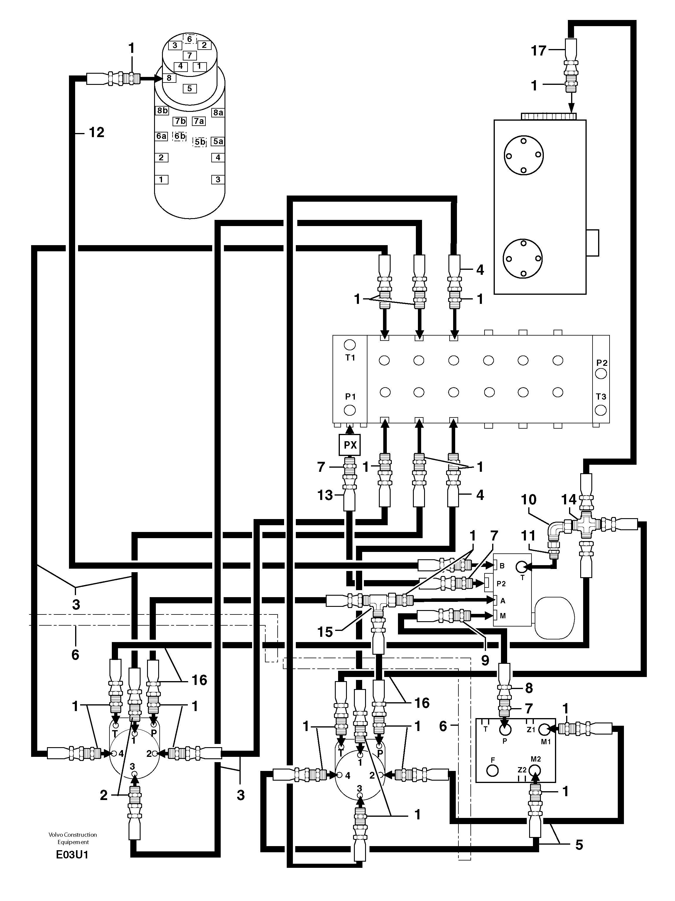
Запчасти Volvo EC70 2642 Hydr. circuit ( controls attachment ) EC70 TYPE 233

Схема запчастей Volvo EC70 - 2642 Hydr. circuit ( controls attachment ) EC70 TYPE 233
FIT
1:1
100%

Артикул

Название

Примечание

Количество

1

PJ 4750055

Переходник масляного фильтра

1шт.

10

PJ 4700015

Elbow

1шт.

11

PJ 4750044

Переходник масляного фильтра

1шт.

12

PJ 4192479

Шланг

1/4''

1шт.

13

PJ 4193088

High pressure hose

5/16"

1шт.

14

PJ 4720035

Крестовина

1шт.

15

PJ 4720008

Tee

1шт.

16

PJ 4192434

Шланг

1/4''

1шт.

17

PJ 4192449

Шланг

1/4''

1шт.

2

PJ 4770575

Restricting valve

ID = 0,6mm/0,0236in

1шт.

3

PJ 4192470

Шланг

1/4''

1шт.

4

VOE 11805956

Hose assembly

1/4''

1шт.

5

PJ 4192471

Шланг

1/4''

1шт.

6

VOE 11804752

Shield Coil

1шт.

7

VOE 11806380

Переходник масляного фильтра

1шт.

8

PJ 4193092

High pressure hose

5/16"

1шт.

9

PJ 4750342

Переходник масляного фильтра

1шт.

Выбрано товаров: 0