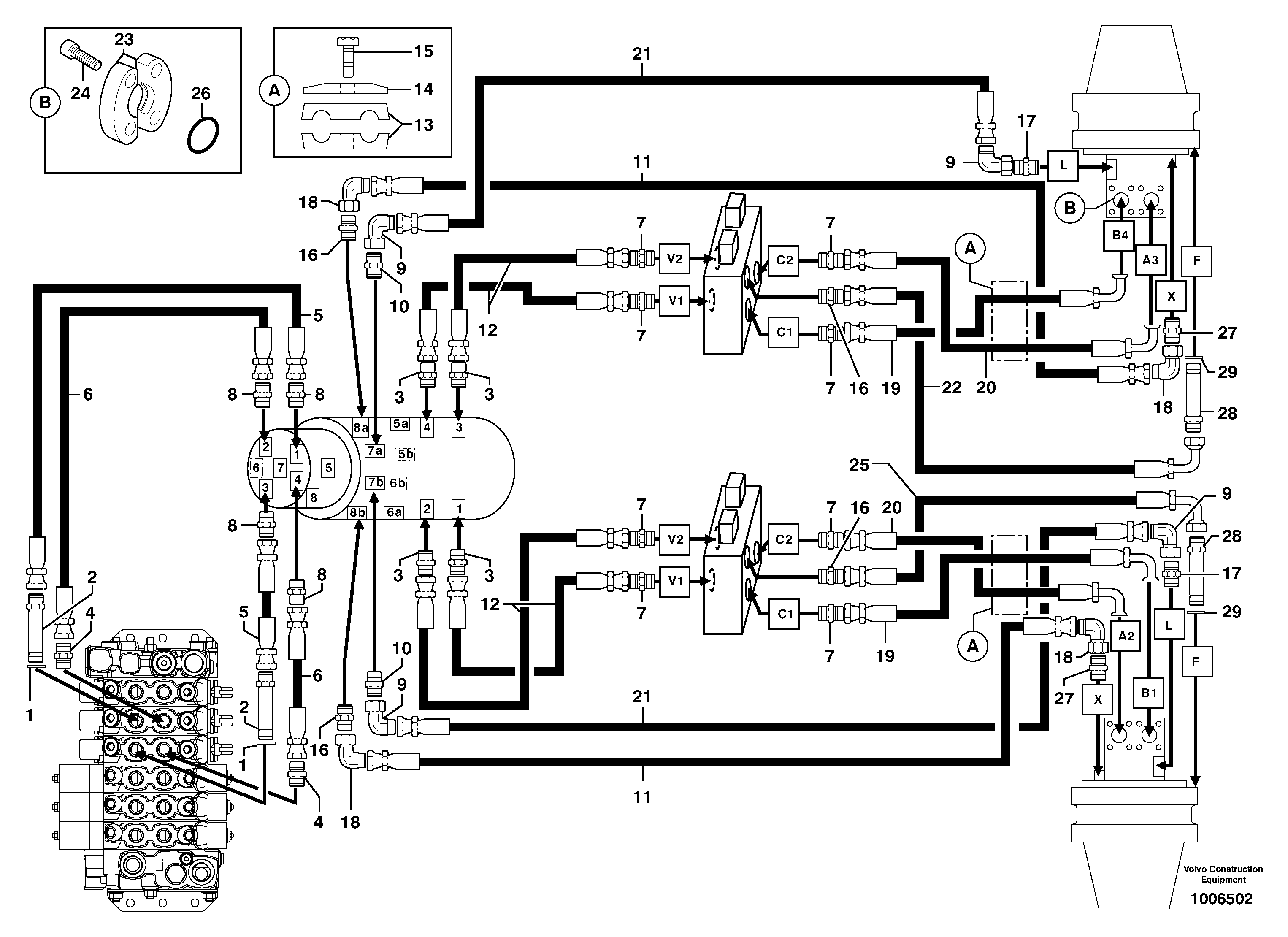
Запчасти Volvo EC70 101480 Hydr. circuit. ( travelling ) EC70 TYPE 233

Схема запчастей Volvo EC70 - 101480 Hydr. circuit. ( travelling ) EC70 TYPE 233
FIT
1:1
100%

Артикул

Название

Примечание

Количество

1

VOE 943908

Прокладка

1шт.

10

PJ 4750156

Переходник масляного фильтра

1шт.

11

PJ 4190297

Шланг

1/4''

1шт.

12

PJ 4190659

High pressure hose

5/8''

1шт.

13

PJ 4690153

Зажим

1шт.

14

PJ 4690070

Пластина

1шт.

15

VOE 983245

Винт шестигранник

HM8X50

1шт.

15

VOE 983245

Винт шестигранник

HM8X50

1шт.

16

PJ 4750055

Переходник масляного фильтра

1шт.

17

PJ 4750061

Переходник масляного фильтра

1шт.

18

VOE 11806290

Elbow

1шт.

19

PJ 4190660

High pressure hose

5/8''

1шт.

2

PJ 4750575

Extension Bar

1шт.

20

PJ 4190660

High pressure hose

5/8''

1шт.

21

PJ 4190451

High pressure hose

3/8''

1шт.

22

PJ 4192275

Шланг

1/4''

1шт.

23

VOE 11803245

Фланец

1шт.

24

PJ 4380220

Болт

1шт.

25

PJ 4192275

Шланг

1/4''

1шт.

26

VOE 944706

Кольцо уплотнительное (О-кольцо)

1шт.

27

PJ 4750135

Переходник масляного фильтра

1шт.

28

PJ 4750271

Extension Bar

1шт.

29

VOE 14013067

Sealing washer

1шт.

29

VOE 14013067

Sealing washer

1шт.

3

PJ 4750413

Переходник масляного фильтра

1шт.

4

PJ 4750413

Переходник масляного фильтра

1шт.

5

PJ 4196038

High pressure hose

5/8"

1шт.

6

PJ 4196038

High pressure hose

5/8"

1шт.

7

PJ 4750140

Переходник масляного фильтра

1шт.

8

PJ 4750140

Переходник масляного фильтра

1шт.

9

PJ 4700009

Elbow

1шт.

Выбрано товаров: 31