Запчасти Volvo EC70 2670 Supplement concerning handling operations / option EC70 TYPE 233

Схема запчастей Volvo EC70 - 2670 Supplement concerning handling operations / option EC70 TYPE 233
FIT
1:1
100%

Артикул

Название

Примечание

Количество

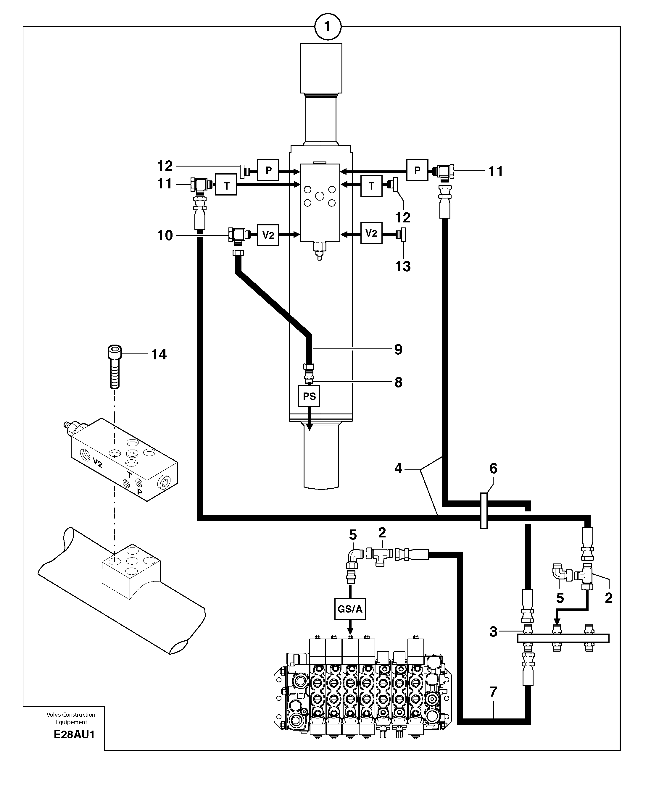
1

PJ 6820237

Safety device

1шт.

10

PJ 4700046

Banjo connection

1шт.

11

PJ 4700034

Banjo connection

1шт.

12

VOE 11802284

Пробка (заглушка)

1шт.

13

VOE 11804321

Пробка (заглушка)

1шт.

14

PJ 4290015

Болт

CHc M8X45

1шт.

2

PJ 4720008

Tee

1шт.

3

PJ 4750047

Переходник масляного фильтра

1шт.

4

PJ 4192543

High pressure hose

1/4"

1шт.

5

PJ 4700015

Elbow

1шт.

6

VOE 11803561

Зажим

1шт.

7

PJ 4192441

Шланг

1/4''

1шт.

8

VOE 11806402

Переходник масляного фильтра

1шт.

Выбрано товаров: 13