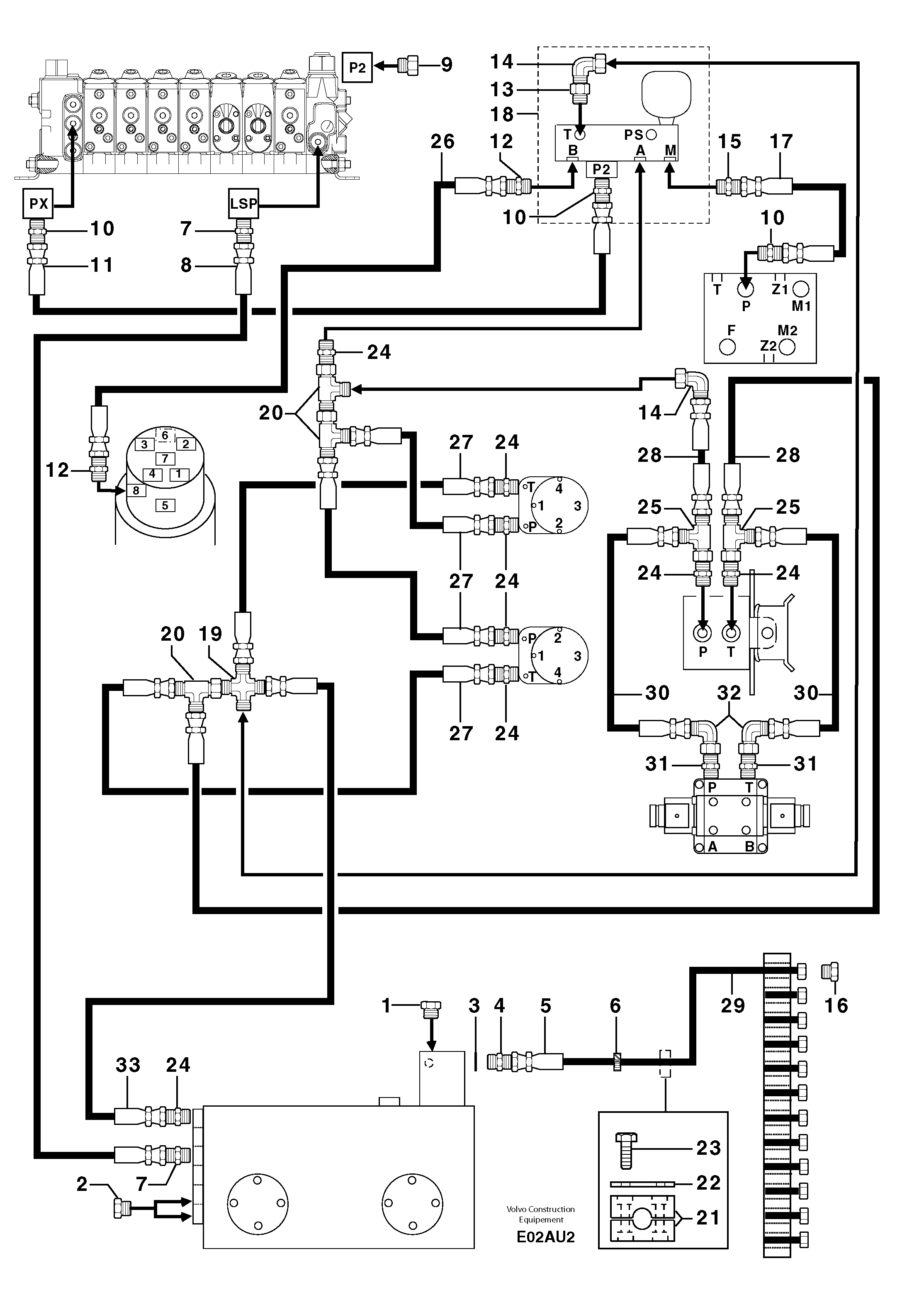
Запчасти Volvo EC70 102484 Attachments supply and return circuit EC70VV TYPE 233

Схема запчастей Volvo EC70 - 102484 Attachments supply and return circuit EC70VV TYPE 233
FIT
1:1
100%

Артикул

Название

Примечание

Количество

1

PJ 4740044

Пробка (заглушка)

1шт.

10

VOE 11806380

Переходник масляного фильтра

1шт.

11

PJ 4193088

High pressure hose

5/16"

1шт.

12

PJ 4750055

Переходник масляного фильтра

1шт.

13

PJ 4750044

Переходник масляного фильтра

1шт.

14

VOE 11806290

Elbow

1шт.

15

PJ 4750342

Переходник масляного фильтра

1шт.

16

PJ 4740124

Пробка (заглушка)

1шт.

17

PJ 4193092

High pressure hose

5/16"

1шт.

18

PJ 3340262

Apron

1шт.

19

PJ 4720035

Крестовина

1шт.

2

VOE 11802284

Пробка (заглушка)

1шт.

20

VOE 11806313

Nipple

1шт.

21

PJ 4690147

Фланец

1шт.

22

PJ 4690148

Пластина

1шт.

23

PJ 4380026

Болт

HM6X50

1шт.

24

PJ 4750055

Переходник масляного фильтра

1шт.

25

VOE 11806313

Nipple

1шт.

26

PJ 4192479

Шланг

1/4''

1шт.

27

PJ 4192434

Шланг

1/4''

1шт.

28

PJ 4192447

Шланг

1/4''

1шт.

29

PJ 5910585

Трубка

1шт.

3

VOE 944252

Прокладка

1шт.

30

PJ 4192475

Шланг

1/4''

1шт.

31

PJ 4750341

Переходник масляного фильтра

1шт.

32

VOE 11806290

Elbow

1шт.

33

VOE 11805948

Шланг

1/4''

1шт.

4

PJ 4750134

Переходник масляного фильтра

1шт.

5

PJ 4190864

High pressure hose

1"

1шт.

6

VOE 11802432

Фланец

1шт.

7

VOE 11806380

Переходник масляного фильтра

1шт.

8

PJ 4193038

High pressure hose

5/16''

1шт.

9

VOE 11804321

Пробка (заглушка)

1шт.

Выбрано товаров: 33