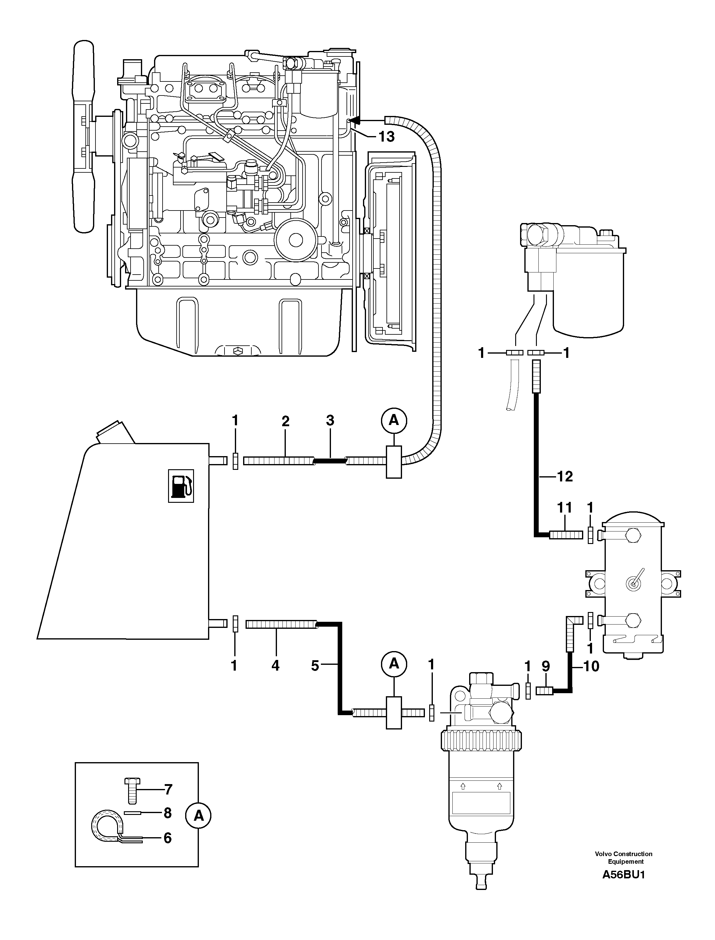
Запчасти Volvo EC70 95 Fuel circuit EC70 TYPE 233

Схема запчастей Volvo EC70 - 95 Fuel circuit EC70 TYPE 233
FIT
1:1
100%

Артикул

Название

Примечание

Количество

1

VOE 11806694

Зажим

1шт.

10

PJ 2360045

Fuel pipe

L = 900mm/35,4330in

1шт.

11

VOE 11804762

Outer casing

L = 650mm/25,5905in

1шт.

12

PJ 2360045

Fuel pipe

L = 650mm/25,5905in

1шт.

13

PJ 7417897

Tube Assembly

1шт.

2

VOE 11804762

Outer casing

L = 2200mm/86,6140in

1шт.

3

PJ 2360045

Fuel pipe

L = 2200mm/86,6140in

1шт.

4

VOE 11804762

Outer casing

L = 1750mm/68,8975in

1шт.

5

PJ 2360045

Fuel pipe

L = 1750mm/68,8975in

1шт.

6

VOE 11806224

Зажим

1шт.

7

PJ 4380042

Болт

HM8X16

1шт.

8

VOE 13955894

Шайба

MU8

1шт.

8

VOE 13955894

Шайба

MU8

1шт.

9

VOE 11804762

Outer casing

L = 900mm/35,4330in

1шт.

Выбрано товаров: 0