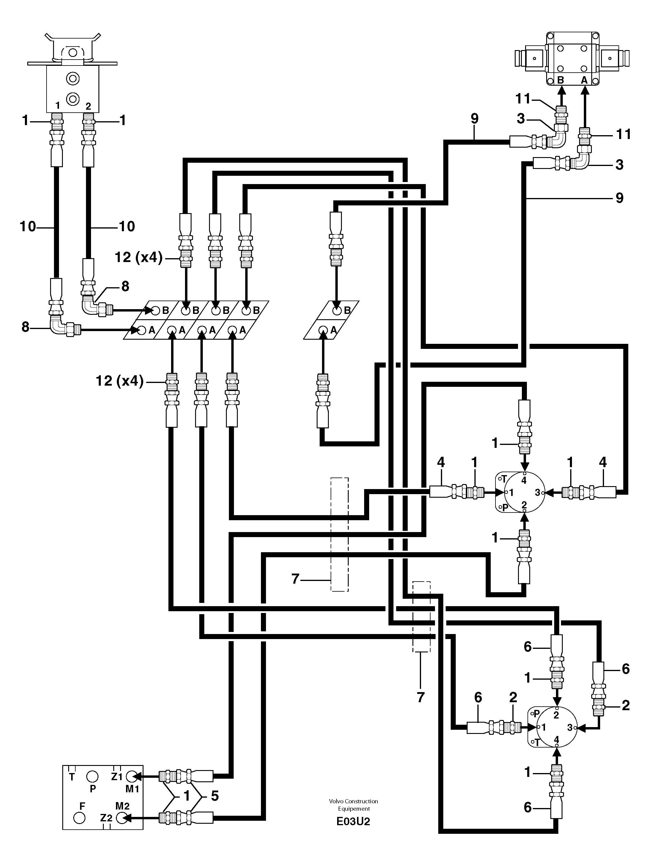
Запчасти Volvo EC70 102310 Hydr. circuit ( controls attachment ) EC70VV TYPE 233

Схема запчастей Volvo EC70 - 102310 Hydr. circuit ( controls attachment ) EC70VV TYPE 233
FIT
1:1
100%

Артикул

Название

Примечание

Количество

1

PJ 4750055

Переходник масляного фильтра

1шт.

10

PJ 4192471

Шланг

1/4''

1шт.

11

PJ 4750341

Переходник масляного фильтра

1шт.

12

PJ 4750055

Переходник масляного фильтра

1шт.

2

PJ 4770575

Restricting valve

ID = 0,6mm/0.0236in

1шт.

3

VOE 11806290

Elbow

1шт.

4

VOE 11805956

Hose assembly

1/4''

1шт.

5

PJ 4192471

Шланг

1/4''

1шт.

6

PJ 4192470

Шланг

1/4''

1шт.

7

VOE 11804752

Shield Coil

1шт.

8

PJ 4700041

Elbow

1шт.

9

VOE 11805960

Шланг

1/4''

1шт.

Выбрано товаров: 0