Качественные детали и логистика
Оригинальные и аналоговые запчасти с доставкой по России, Казахстану и Беларуси
©2022 PartSell ООО "Система" ИНН 2463123282 ОГРН 1212400004838
Центральный офис: г. Красноярск, Академика Киренского, д.87, пом.4
Телефон: 8 (800) 777-65-74 Email: zakaz@partsell.ru
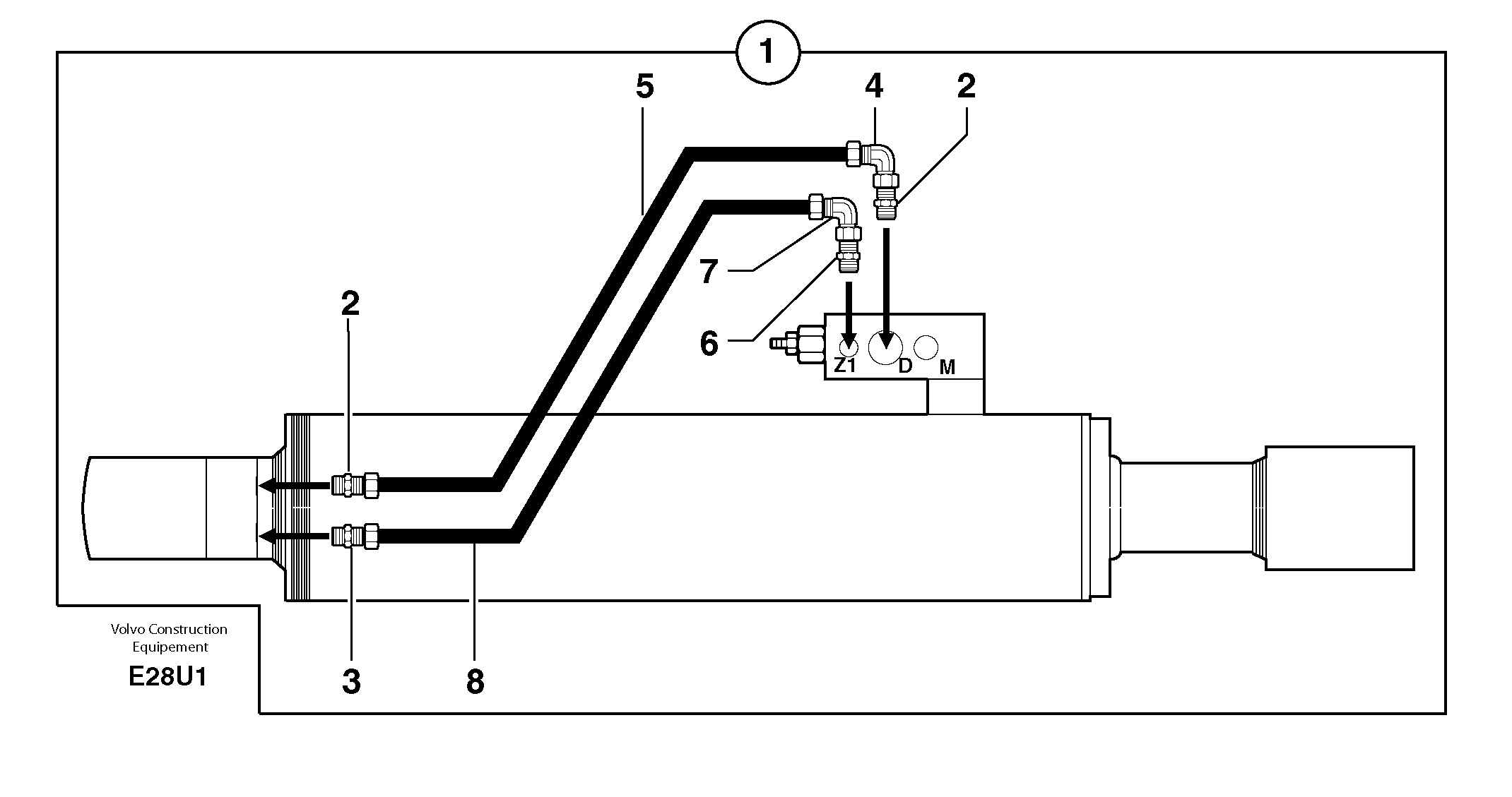
3001 Supplement concerning handling operations / option
№
Артикул
Название
Примечание
Количество
1
PJ 6820128AC
Safety device
ORDER PJ 6822057
1шт.
2
PJ 4750413
Переходник масляного фильтра
3
PJ 4750055
4
PJ 4700035
Elbow
5
PJ 5910601
Трубка
6
PJ 4750342
7
PJ 4700015
8
PJ 5910600
Выбрано товаров: 0