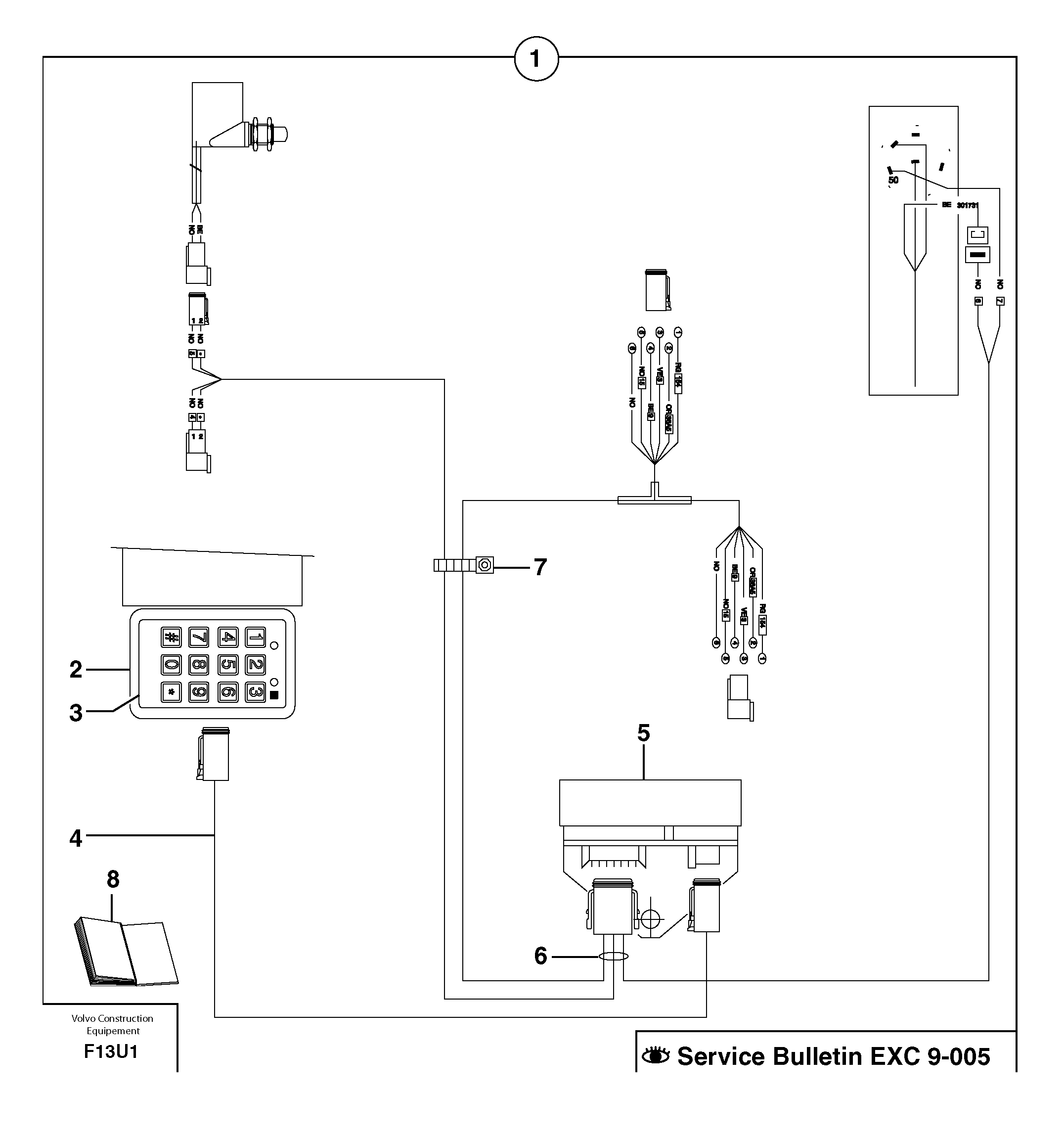
Запчасти Volvo EC70 1923 coded keypad ( anti-start ) / with Puma EC70 TYPE 233

Схема запчастей Volvo EC70 - 1923 coded keypad ( anti-start ) / with Puma EC70 TYPE 233
FIT
1:1
100%

Артикул

Название

Примечание

Количество

1

PJ 6810198

Coded keypad kit

1шт.

2

PJ 3630439

Опора

1шт.

3

VOE 11803149

Control panel

1шт.

3

VOE 11803149

Control panel

1шт.

4

VOE 11803912

Wire harness

1шт.

5

VOE 11801418

Electronic unit

1шт.

5

VOE 11801418

Electronic unit

1шт.

6

PJ 5720711

Wire harness

1шт.

7

VOE 11806170

Cable clamp

1шт.

7

VOE 11806170

Cable clamp

1шт.

8

PJ 5400582

Service bulletin

1шт.

Выбрано товаров: 11