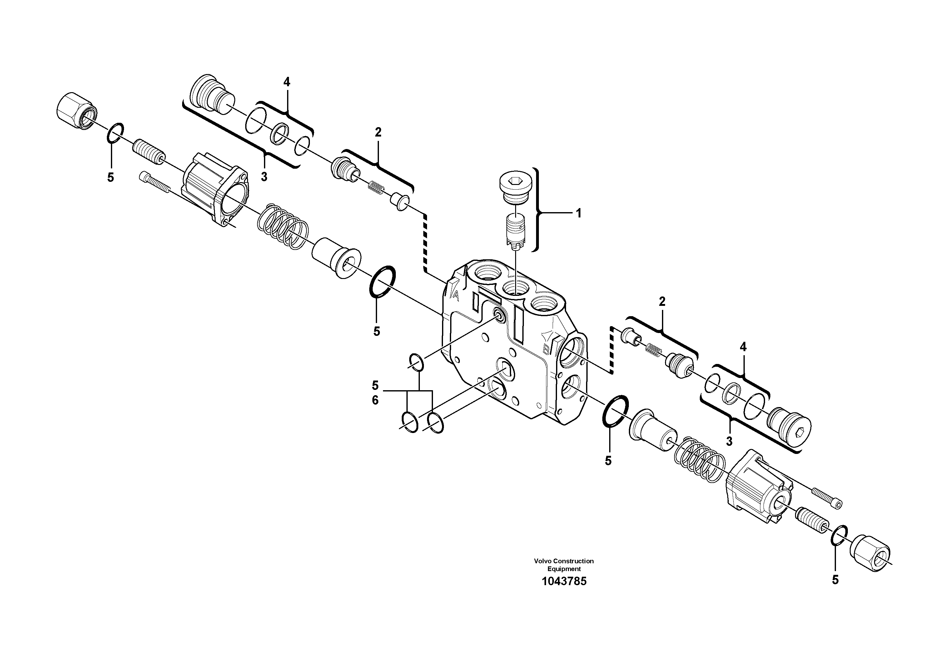
Запчасти Volvo ECR48C 50440 Valve section ECR48C

Схема запчастей Volvo ECR48C - 50440 Valve section ECR48C
FIT
1:1
100%

Артикул

Название

Примечание

Количество

VOE 15084377

Valve assembly

1шт.

1

VOE 11988362

Pressure equalizer

1шт.

2

VOE 11713066

Non-return valve

1шт.

3

VOE 11712886

Пробка (заглушка)

1шт.

4

VOE 11715420

Sealing kit

1шт.

5

VOE 11715419

Sealing kit

1шт.

6

VOE 11715412

Sealing kit

1шт.

Выбрано товаров: 7