Запчасти Volvo ECR58 4002 Belt transmission

Схема запчастей Volvo ECR58 - 4002 Belt transmission
FIT
1:1
100%

Артикул

Название

Примечание

Количество

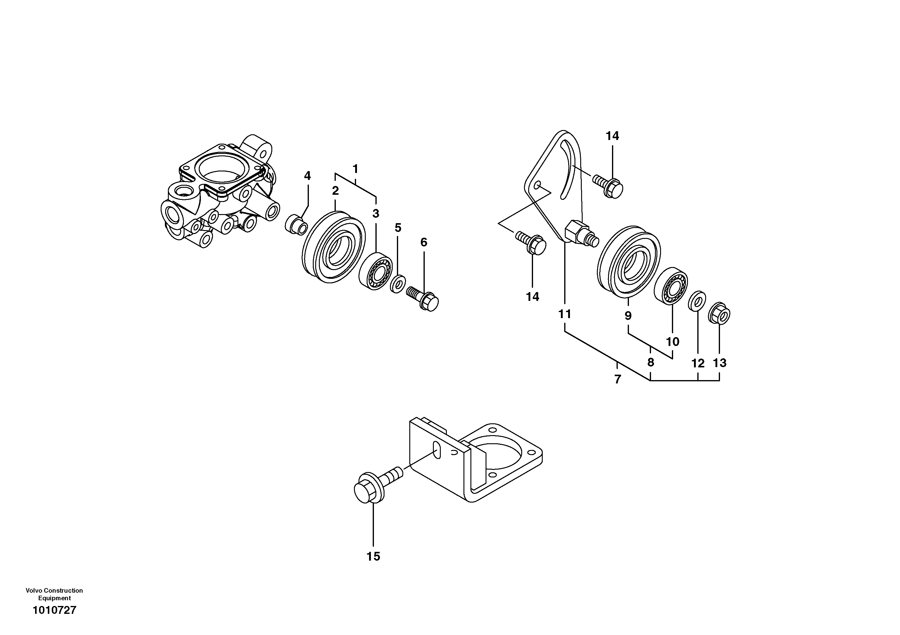
VOE 11714372

Болт

SER NO 10734-

1шт.

VOE 11714372

Болт

SER NO 10734-

1шт.

1

VOE 14524474

Ленивец (Направляющее колесо гусеницы)

1шт.

1

VOE 14524474

Ленивец (Направляющее колесо гусеницы)

1шт.

10

VOE 14525408

Ball bearing

1шт.

10

VOE 14525408

Ball bearing

1шт.

11

VOE 14525409

Рукоять

1шт.

11

VOE 14525409

Рукоять

1шт.

12

SA 8210-05460

Шайба

1шт.

13

VOE 14521513

Гайка

1шт.

13

VOE 14521513

Гайка

1шт.

14

VOE 14525410

Болт

1шт.

14

VOE 14525410

Болт

1шт.

15

VOE 11714372

Болт

SER NO 10001-10733

1шт.

15

VOE 11714372

Болт

SER NO 10001-10733

1шт.

2

VOE 14525407

Шкив

1шт.

3

VOE 14525408

Ball bearing

1шт.

3

VOE 14525408

Ball bearing

1шт.

4

VOE 14525404

Вставка

1шт.

4

VOE 14525404

Вставка

1шт.

5

SA 8210-05460

Шайба

1шт.

6

VOE 14525405

Болт

1шт.

6

VOE 14525405

Болт

1шт.

7

VOE 14525406

Adj Device

1шт.

8

VOE 14524474

Ленивец (Направляющее колесо гусеницы)

1шт.

8

VOE 14524474

Ленивец (Направляющее колесо гусеницы)

1шт.

9

VOE 14525407

Шкив

1шт.

Выбрано товаров: 0