Запчасти Volvo ECR88 17137 Heating line ECR88 S/N 14011-

Схема запчастей Volvo ECR88 - 17137 Heating line ECR88 S/N 14011-
FIT
1:1
100%

Артикул

Название

Примечание

Количество

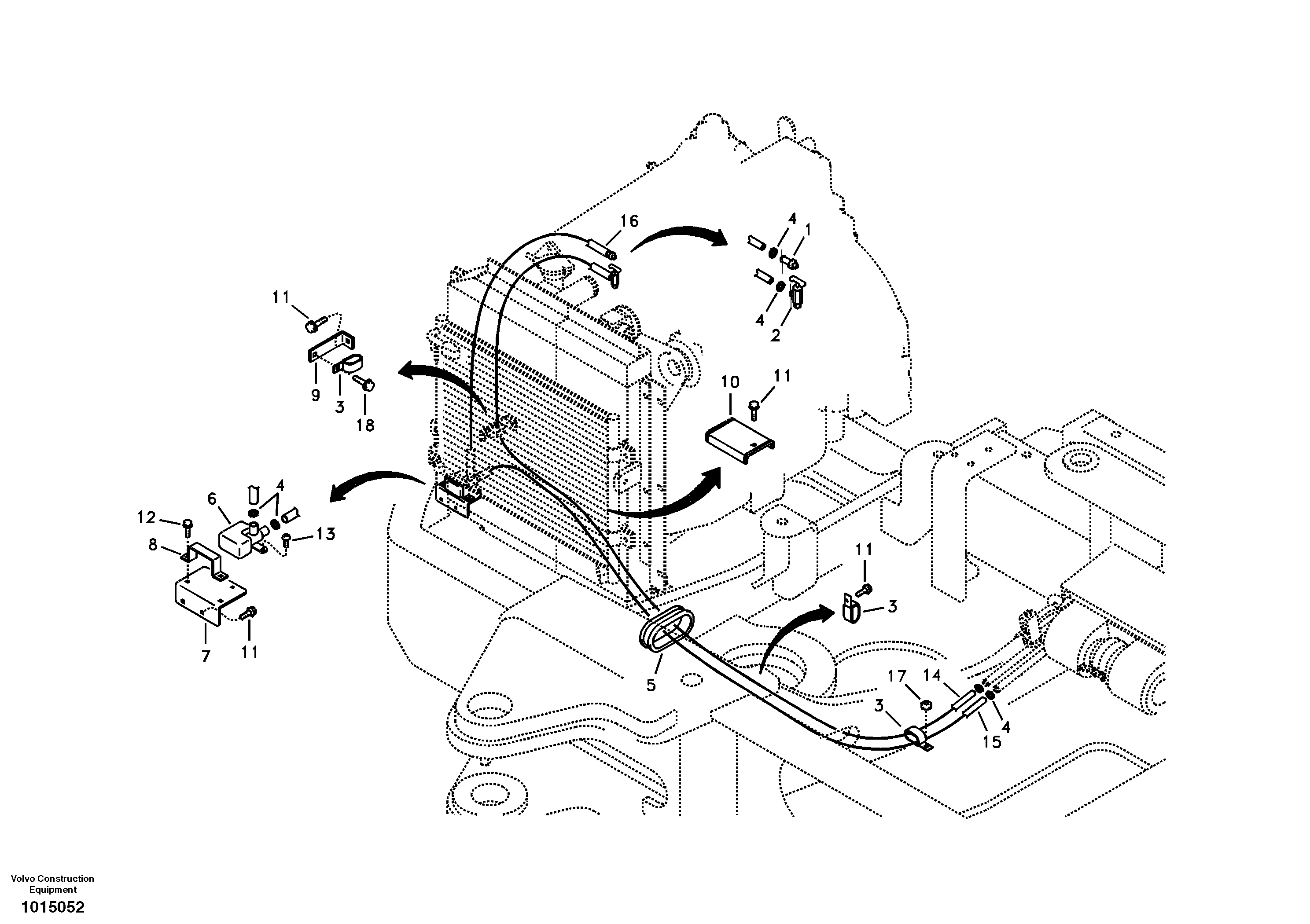
1

VOE 14528979

Nipple

1шт.

1

VOE 14528979

Nipple

1шт.

10

VOE 14531599

Guard

1шт.

10

VOE 14531599

Guard

1шт.

11

VOE 946471

Flange screw

1шт.

11

VOE 946471

Flange screw

1шт.

12

VOE 946544

Flange screw

1шт.

12

VOE 946544

Flange screw

1шт.

13

VOE 969513

Винт шестигранник (торцевой ключ)

1шт.

13

VOE 969513

Винт шестигранник (торцевой ключ)

1шт.

14

VOE 14881130

Шланг

1шт.

14

VOE 14881130

Шланг

1шт.

15

VOE 14881189

Шланг

1шт.

15

VOE 14881189

Шланг

1шт.

16

VOE 14881283

Шланг

1шт.

16

VOE 14881283

Шланг

1шт.

17

VOE 983304

Hexagon Nut

1шт.

17

VOE 983304

Hexagon Nut

1шт.

18

VOE 946329

Flange screw

1шт.

18

VOE 946329

Flange screw

1шт.

2

VOE 14529015

Клапан

1шт.

2

VOE 14529015

Клапан

1шт.

3

VOE 14507450

Скоба (хомут)

1шт.

3

VOE 14507450

Скоба (хомут)

1шт.

4

VOE 14511415

Зажим

1шт.

4

VOE 14511415

Зажим

1шт.

5

VOE 14520756

Уплотнительная втулка

1шт.

5

VOE 14520756

Уплотнительная втулка

1шт.

6

VOE 14521382

Клапан

1шт.

6

VOE 14521382

Клапан

1шт.

7

VOE 14523550

Кронштейн

1шт.

7

VOE 14523550

Кронштейн

1шт.

8

VOE 14523580

Крышка

1шт.

8

VOE 14523580

Крышка

1шт.

9

VOE 14523612

Кронштейн

1шт.

9

VOE 14523612

Кронштейн

1шт.

Выбрано товаров: 0