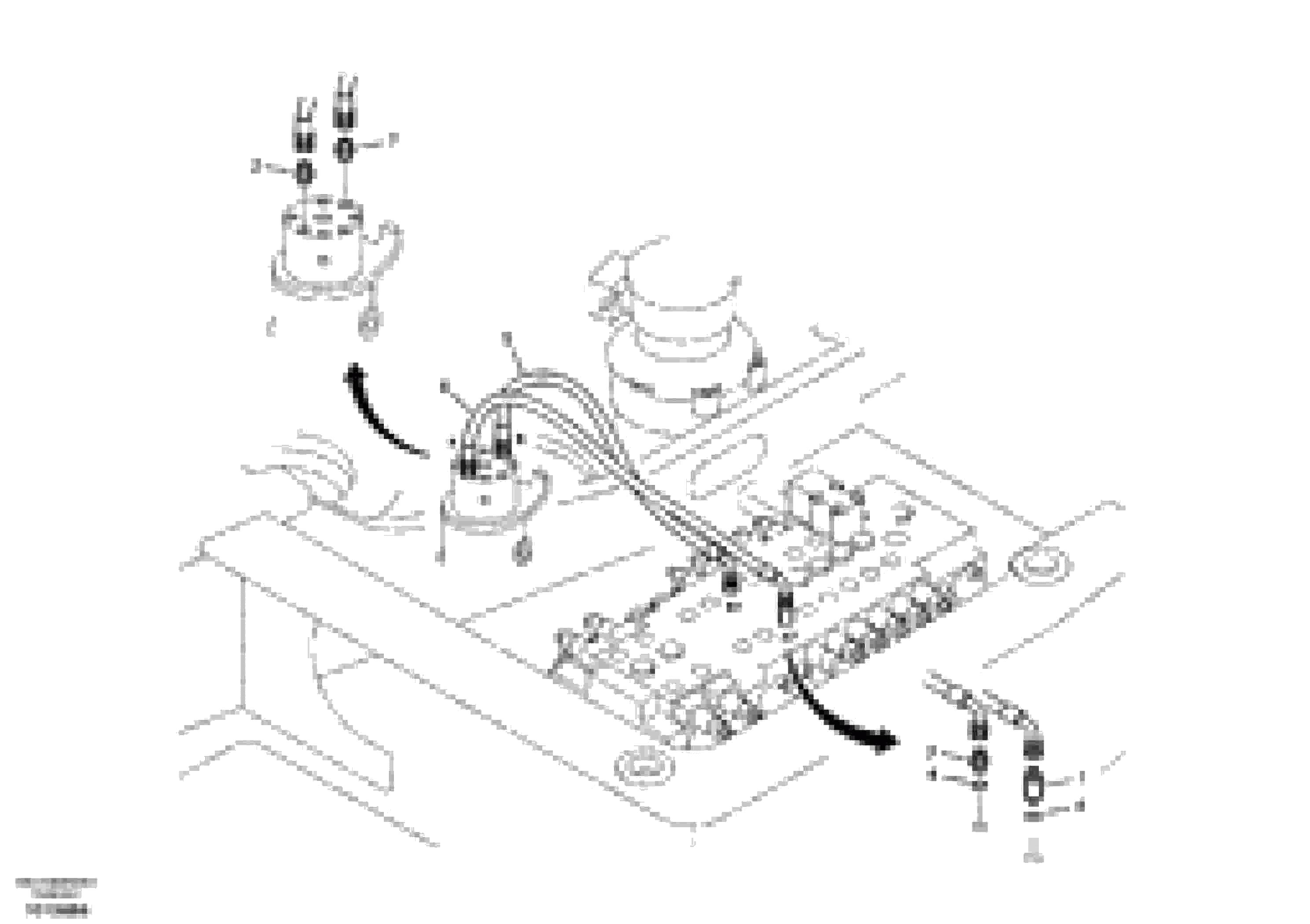
Запчасти Volvo ECR88 18962 Working hydraulic, dozer blade ECR88 S/N 14011-

Схема запчастей Volvo ECR88 - 18962 Working hydraulic, dozer blade ECR88 S/N 14011-
FIT
1:1
100%

Артикул

Название

Примечание

Количество

1

SA 9412-11155

Соединитель

1шт.

2

SA 9412-43030

Соединитель

1шт.

3

SA 9412-11150

Соединитель

1шт.

4

VOE 990557

Кольцо уплотнительное (О-кольцо)

1шт.

4

VOE 990557

Кольцо уплотнительное (О-кольцо)

1шт.

5

SA 9453-03618

Hose

1шт.

5

SA 9453-03618

Шланг

1шт.

6

SA 9453-03620

Шланг

1шт.

7

SA 9412-43090

Соединитель

1шт.

Выбрано товаров: 0