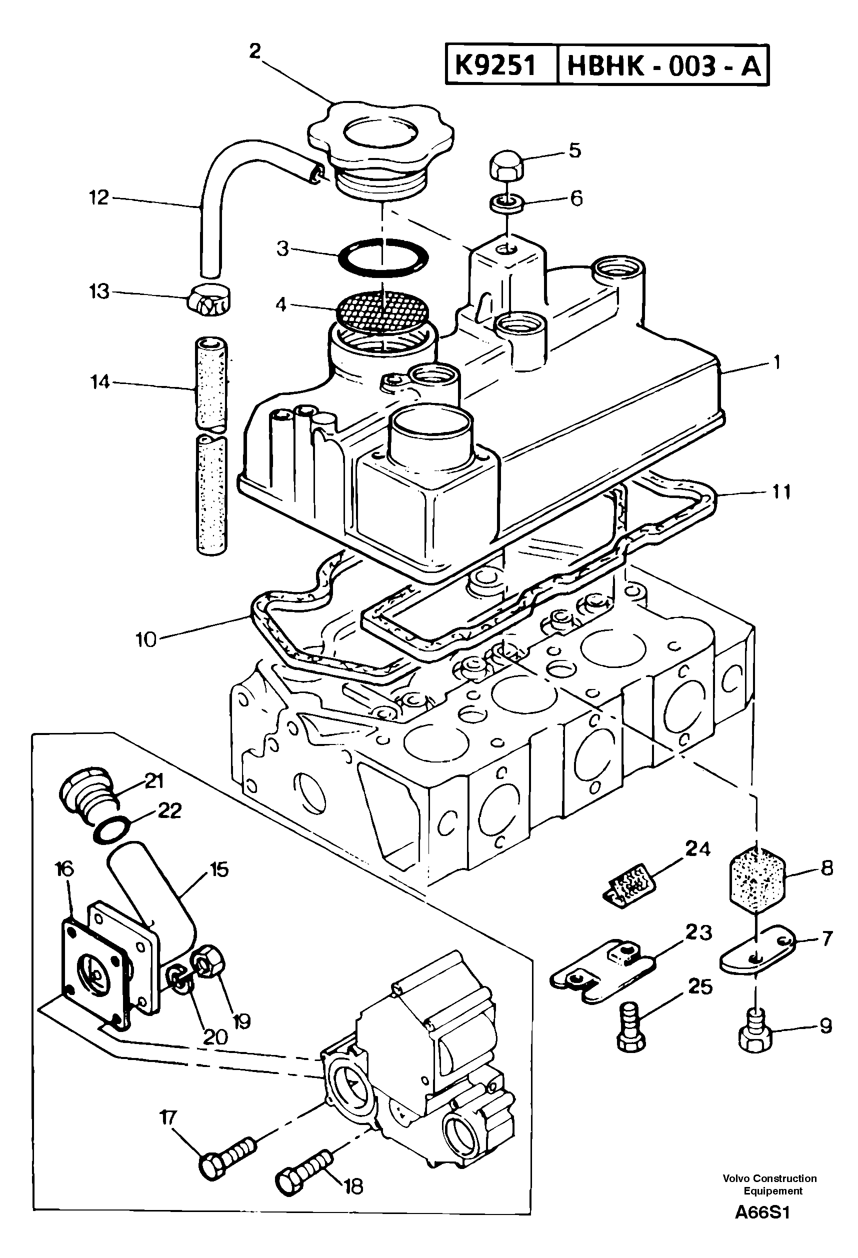
Запчасти Volvo EW50 14637 Lubrication oil filler and breather EW50 TYPE 256

Схема запчастей Volvo EW50 - 14637 Lubrication oil filler and breather EW50 TYPE 256
FIT
1:1
100%

Артикул

Название

Примечание

Количество

1

PJ 111026150

Крышка

1шт.

11

PJ 052109072

Прокладка

1шт.

12

PJ 140986581

Трубка

1шт.

14

PJ 068109036

Шланг

1шт.

2

PJ 198436010

Пробка (заглушка)

1шт.

21

PJ 198436010

Пробка (заглушка)

1шт.

22

PJ 052100400

Сальник

1шт.

3

PJ 052100400

Сальник

1шт.

5

PJ 024600010

Гайка

1шт.

6

PJ 198996071

Шайба

1шт.

7

PJ 110666050

Пластина

1шт.

8

PJ 110666090

Gauze

1шт.

9

PJ 011300612

Болт

1шт.

Выбрано товаров: 13