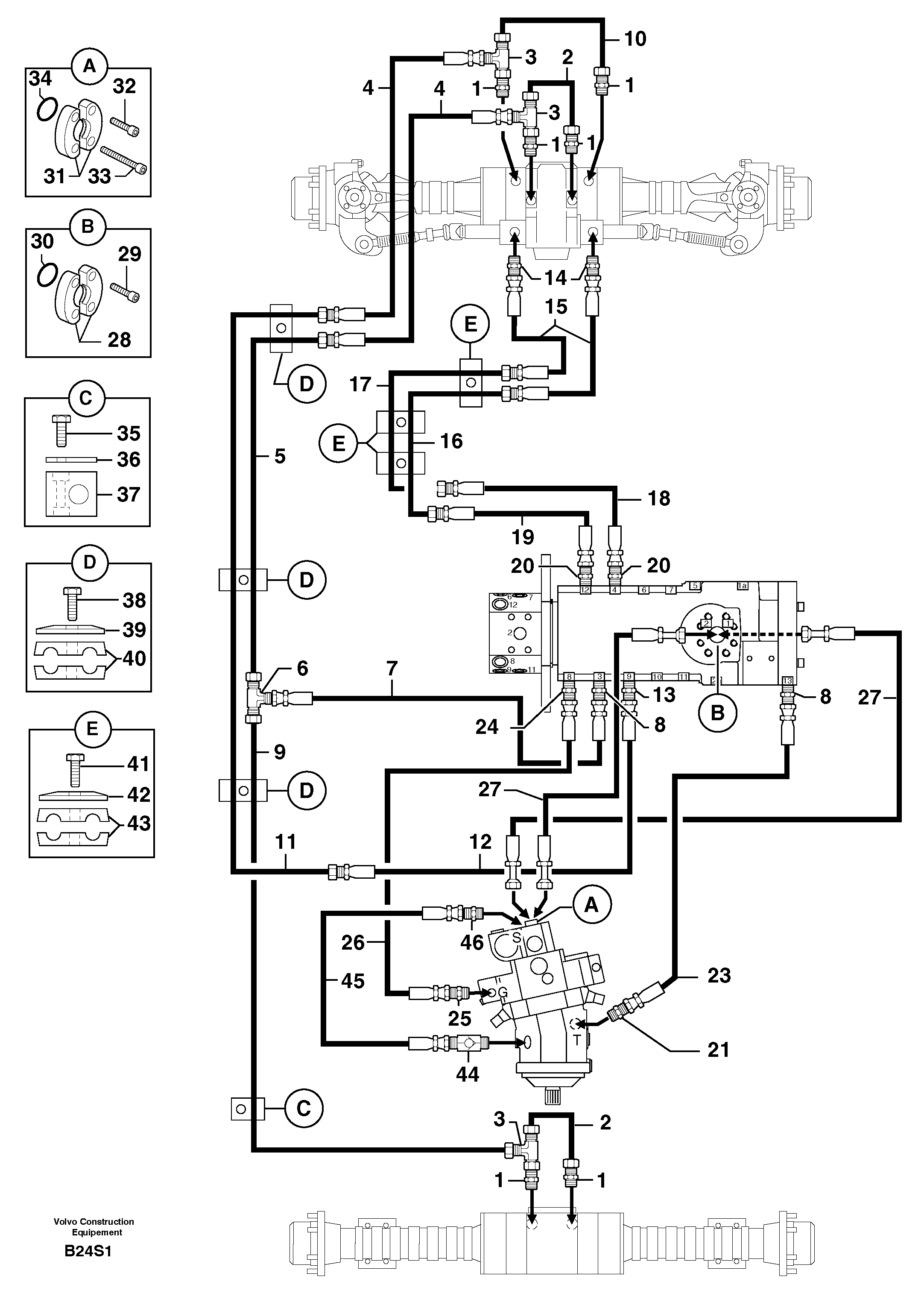
Запчасти Volvo EW50 100604 Hydr. circuit ( transmission ) EW50 TYPE 256

Схема запчастей Volvo EW50 - 100604 Hydr. circuit ( transmission ) EW50 TYPE 256
FIT
1:1
100%

Артикул

Название

Примечание

Количество

1

PJ 4750399

Переходник масляного фильтра

1шт.

10

PJ 5910515

Трубка

1шт.

11

PJ 5910516

Трубка

1шт.

12

PJ 4193056

High pressure hose

5/16"

1шт.

13

VOE 11806380

Переходник масляного фильтра

1шт.

14

PJ 4750198

Переходник масляного фильтра

1шт.

15

PJ 4194051

High pressure hose

3/8"

1шт.

16

PJ 5910522

Трубка

1шт.

17

PJ 5910523

Трубка

1шт.

18

PJ 4190410

High pressure hose

3/8"

1шт.

19

PJ 4194052

High pressure hose

3/8"

1шт.

2

PJ 5760288

Трубка

1шт.

20

VOE 11806376

Переходник масляного фильтра

1шт.

21

PJ 4750597

Переходник масляного фильтра

1шт.

23

VOE 11805878

Шланг

5/16"

1шт.

24

PJ 4750055

Переходник масляного фильтра

1шт.

25

PJ 4750274

Переходник масляного фильтра

1шт.

26

PJ 4192468

Шланг

1/4"

1шт.

27

PJ 4190776

High pressure hose

3/4"

1шт.

28

PJ 4770621

Flange Half

1шт.

29

PJ 4290042

Болт

CHc M12X40

1шт.

3

VOE 11806309

Nipple

1шт.

30

PJ 4040043

Кольцо уплотнительное (О-кольцо)

1шт.

31

PJ 4770621

Flange Half

1шт.

32

PJ 4290042

Болт

CHc M12X40

1шт.

33

PJ 4290127

Болт

CHc M12X105

1шт.

34

PJ 4040043

Кольцо уплотнительное (О-кольцо)

1шт.

35

PJ 4380029

Болт

HM6X35

1шт.

36

PJ 4690059

Пластина

1шт.

37

PJ 4690146

Зажим

1шт.

38

PJ 4380025

Болт

HM6X40

1шт.

39

PJ 4690120

Пластина

1шт.

4

PJ 4193055

High pressure hose

5/16"

1шт.

40

PJ 4690122

Фланец

1шт.

41

PJ 4380025

Болт

HM6X40

1шт.

42

PJ 4690120

Пластина

1шт.

43

PJ 4690123

Зажим

1шт.

44

PJ 5330092

Non-return valve

1шт.

45

PJ 4190527

High pressure hose

1/2"

1шт.

46

PJ 4750408

Переходник масляного фильтра

1шт.

5

PJ 5910519

Трубка

1шт.

6

PJ 4720004

Tee

1шт.

7

PJ 4193057

High pressure hose

5/16"

1шт.

8

PJ 4750421

Переходник масляного фильтра

1шт.

9

PJ 5910518

Трубка

1шт.

Выбрано товаров: 45