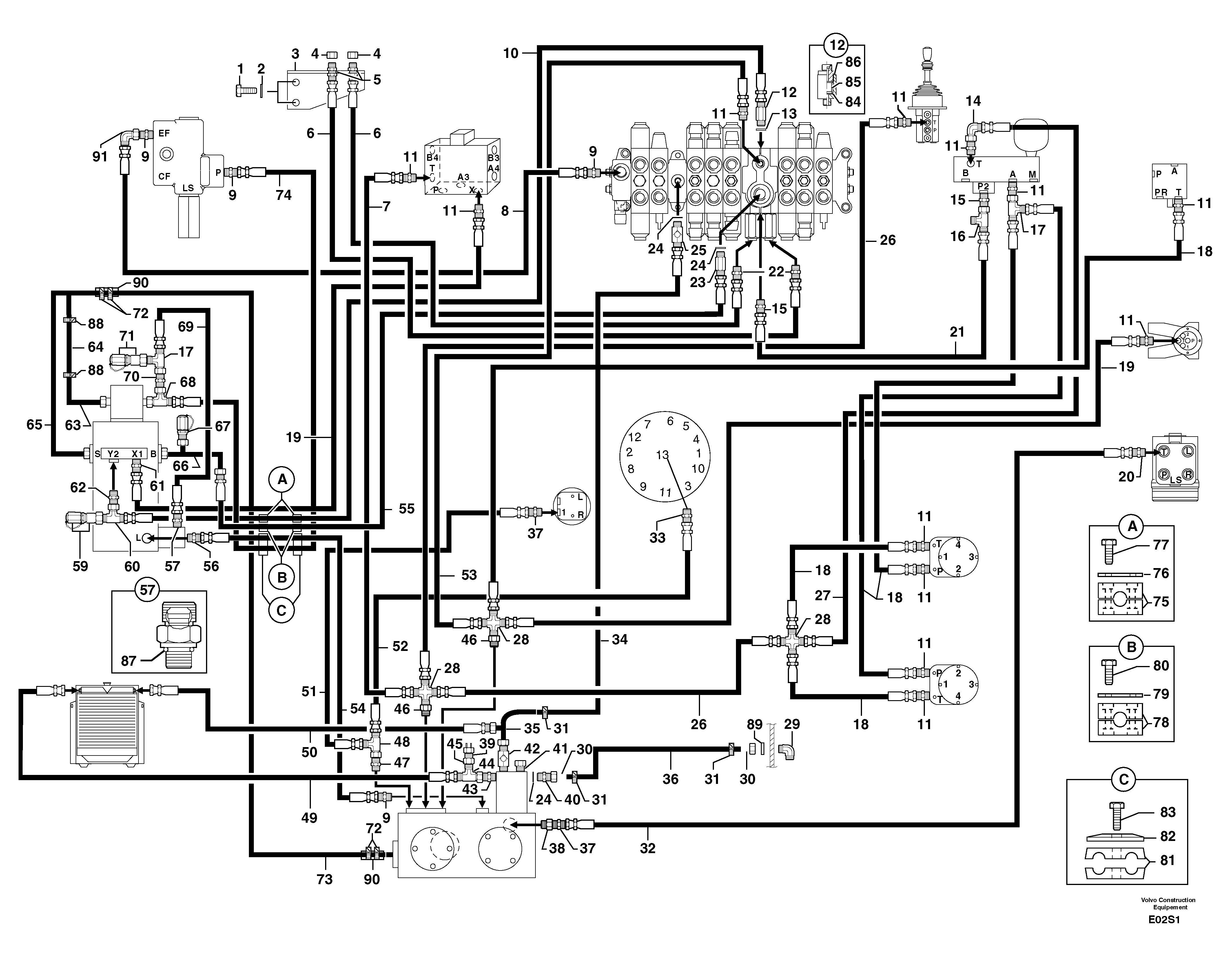
Запчасти Volvo EW50 101844 Attachments supply and return circuit EW50 TYPE 256

Схема запчастей Volvo EW50 - 101844 Attachments supply and return circuit EW50 TYPE 256
FIT
1:1
100%

Артикул

Название

Примечание

Количество

1

PJ 4380042

Болт

HM8X16

1шт.

10

PJ 4193034

High pressure hose

5/16"

1шт.

11

PJ 4750055

Переходник масляного фильтра

1шт.

12

PJ 6050058

Фильтр топливный

1шт.

13

VOE 14013067

Sealing washer

1шт.

13

VOE 14013067

Sealing washer

1шт.

14

VOE 11806290

Elbow

1шт.

15

VOE 11806380

Переходник масляного фильтра

1шт.

16

VOE 11806309

Nipple

1шт.

17

VOE 11806313

Nipple

1шт.

18

PJ 4192434

Шланг

1/4"

1шт.

19

PJ 4192477

Шланг

1/4"

1шт.

2

VOE 13955894

Шайба

MU8

1шт.

2

VOE 13955894

Шайба

MU8

1шт.

20

PJ 4750410

Переходник масляного фильтра

1шт.

21

PJ 4190366

High pressure hose

5/16"

1шт.

22

PJ 4750156

Переходник масляного фильтра

1шт.

23

PJ 4750375

Extension Bar

1шт.

24

VOE 944252

Прокладка

1шт.

25

PJ 5330085

Клапан обратный

1шт.

26

PJ 4192452

Шланг

1/4"

1шт.

27

PJ 4192456

Шланг

1/4"

1шт.

28

PJ 4720035

Крестовина

1шт.

29

PJ 4700060

Elbow

1шт.

3

PJ 3670088

Опора

1шт.

30

PJ 6010076

Трубка

1шт.

31

VOE 11802433

Фланец

1шт.

32

PJ 4194057

High pressure hose

3/8"

1шт.

33

PJ 4750455

Переходник масляного фильтра

1шт.

34

PJ 4190850

High pressure hose

1"

1шт.

35

PJ 6010139

Трубка

1шт.

36

PJ 4190066

Шланг

1"

1шт.

37

VOE 11806376

Переходник масляного фильтра

1шт.

38

PJ 4750454

Адаптер

1шт.

39

VOE 11806266

Pressostat

1шт.

4

PJ 4740035

Пробка (заглушка)

1шт.

40

PJ 4750134

Переходник масляного фильтра

1шт.

41

PJ 4740044

Пробка (заглушка)

1шт.

42

PJ 5330086

Non-return valve

1шт.

43

VOE 11806378

Переходник масляного фильтра

1шт.

44

PJ 4720025

Tee

1шт.

45

PJ 4750447

Адаптер

1шт.

46

PJ 4750044

Переходник масляного фильтра

1шт.

47

PJ 4750156

Переходник масляного фильтра

1шт.

48

VOE 11806314

Nipple

1шт.

49

PJ 4196010

High pressure hose

5/8"

1шт.

5

VOE 11806350

Переходник масляного фильтра

1шт.

50

PJ 4196009

High pressure hose

5/8"

1шт.

51

PJ 4190404

High pressure hose

3/8"

1шт.

52

PJ 4194058

High pressure hose

3/8"

1шт.

53

PJ 4190255

Шланг

1/4"

1шт.

54

PJ 4195574

High pressure hose

1/2"

1шт.

55

PJ 4190753

High pressure hose

3/4"

1шт.

56

PJ 4750195

Переходник масляного фильтра

1шт.

57

PJ 6050060

Фильтр топливный

1шт.

59

VOE 936449

Testing nipple

1шт.

6

PJ 4190403

High pressure hose

3/8"

1шт.

60

VOE 11806315

Nipple

1шт.

61

PJ 4750135

Переходник масляного фильтра

1шт.

62

PJ 4750102

Переходник масляного фильтра

1шт.

63

PJ 6010110

Трубка

1шт.

64

PJ 4199041

Шланг

1"

1шт.

65

PJ 6010111

Трубка

1шт.

66

PJ 6010112

Трубка

1шт.

67

VOE 936438

Testing nipple

1шт.

68

PJ 4750133

Адаптер

1шт.

69

PJ 4192255

Шланг

1/4"

1шт.

7

PJ 4192475

Шланг

1/4"

1шт.

70

PJ 4750342

Переходник масляного фильтра

1шт.

71

VOE 936448

Testing nipple

1шт.

72

PJ 4690449

Зажим

1шт.

73

PJ 4199040

Шланг

1шт.

74

PJ 4195634

High pressure hose

1/2"

1шт.

75

PJ 4690288

Зажим

1шт.

76

PJ 4690070

Пластина

1шт.

77

VOE 983245

Винт шестигранник

HM8X50

1шт.

77

VOE 983245

Винт шестигранник

HM8X50

1шт.

78

PJ 4690286

Зажим

1шт.

79

PJ 3310235

Фланец

1шт.

8

PJ 4190537

High pressure hose

1/2"

1шт.

80

PJ 4290112

Болт

CHc M10X80

1шт.

81

PJ 4690263

Зажим

1шт.

82

PJ 4690070

Пластина

1шт.

83

VOE 983245

Винт шестигранник

HM8X50

1шт.

83

VOE 983245

Винт шестигранник

HM8X50

1шт.

84

PJ 4490017

Пружина

1шт.

85

PJ 6050059

Filter cartridge

INCL IN 12

1шт.

86

PJ 5600058

Сальник

INCL IN 12

1шт.

87

PJ 4040050

Кольцо уплотнительное (О-кольцо)

INCL IN 57

1шт.

88

VOE 11802433

Фланец

1шт.

89

VOE 11802243

Шайба

THICK = 5mm/0.1969in

1шт.

89

VOE 11802243

Шайба

THICK = 5mm/0.1969in

1шт.

9

VOE 11806402

Переходник масляного фильтра

1шт.

90

PJ 5040544

Втулка (распорная)

1шт.

91

PJ 4700012

Elbow

1шт.

Выбрано товаров: 95