Запчасти Volvo EW50 14639 Блок цилиндров EW50 TYPE 256

Схема запчастей Volvo EW50 - 14639 Блок цилиндров EW50 TYPE 256
FIT
1:1
100%

Артикул

Название

Примечание

Количество

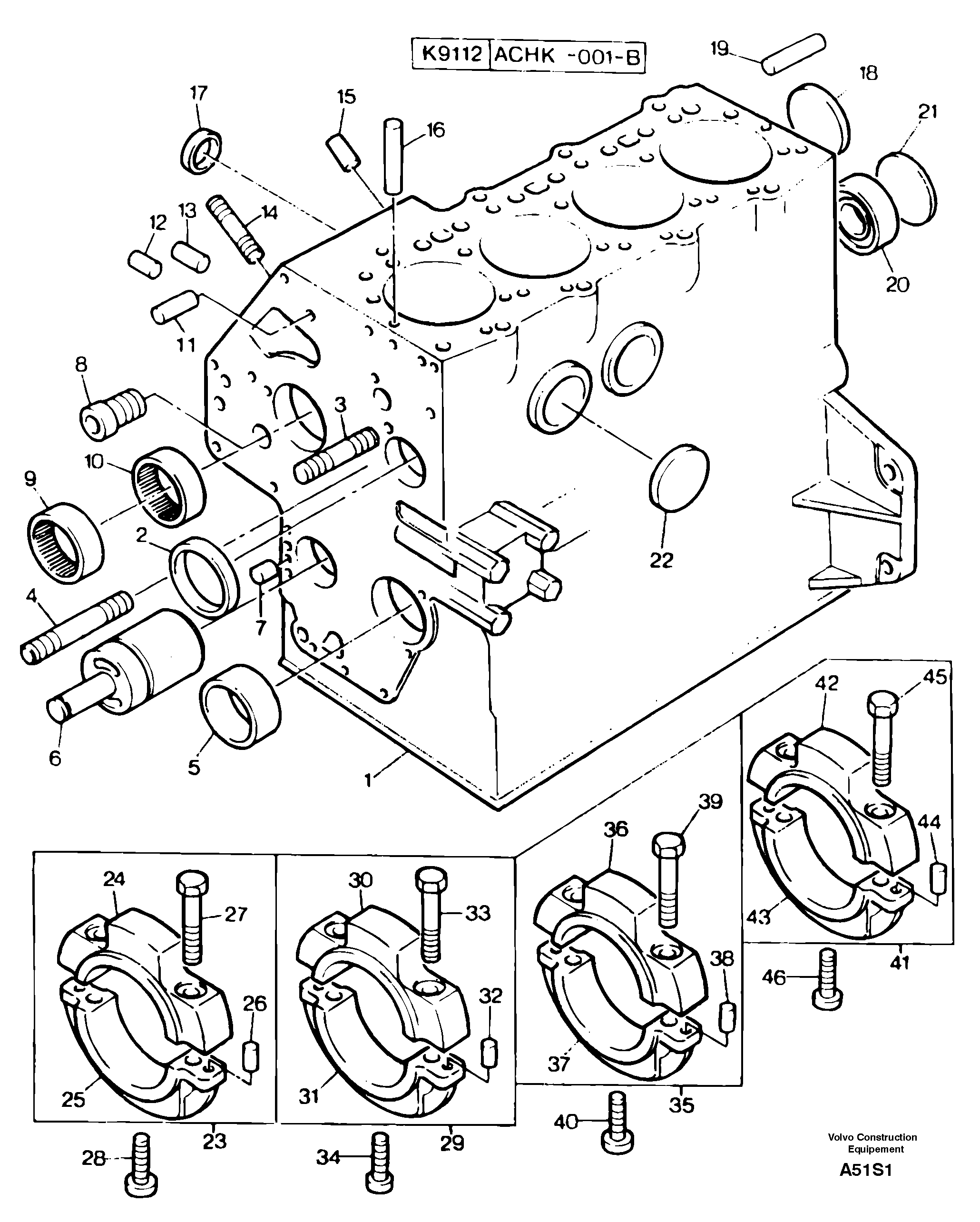
1

PJ 110107790

Ремкомплект блока цилиндров

1шт.

10

PJ 042309017

Needle bearing

1шт.

11

PJ 030500616

Палец

1шт.

12

PJ 198466070

Пробка (заглушка)

1шт.

13

PJ 198466020

Пробка (заглушка)

1шт.

14

PJ 012100820

Шпилька

1шт.

15

PJ 030500612

Палец

1шт.

16

PJ 030309005

Палец

1шт.

17

PJ 064200025

Пробка (заглушка)

1шт.

18

PJ 064200040

Пробка (заглушка)

1шт.

19

PJ 030501025

Палец

1шт.

2

PJ 064200040

Пробка (заглушка)

1шт.

20

PJ 040106203

Ball Bearing

1шт.

21

PJ 064100045

Пробка (заглушка)

1шт.

22

PJ 064200040

Пробка (заглушка)

1шт.

23

PJ 110156360

Комплект подшипника

1шт.

26

PJ 030500612

Палец

1шт.

27

PJ 010109406

Болт

1шт.

28

PJ 011311075

Болт

1шт.

29

PJ 110156370

Комплект подшипника

1шт.

3

PJ 012100635

Шпилька

1шт.

32

PJ 030500612

Палец

1шт.

33

PJ 010109406

Болт

1шт.

34

PJ 011311075

Болт

1шт.

35

PJ 110156380

Комплект подшипника

1шт.

38

PJ 030500612

Палец

1шт.

39

PJ 010109406

Болт

1шт.

4

PJ 012100660

Шпилька

1шт.

40

PJ 011311075

Болт

1шт.

41

PJ 110156390

Комплект подшипника

1шт.

44

PJ 030500612

Палец

1шт.

45

PJ 010109406

Болт

1шт.

46

PJ 010700865

Болт

1шт.

5

PJ 198517220

Втулка

THICK = STD

1шт.

5

PJ 198517227

Втулка

THICK = 0,50mm/0,0197in

1шт.

5

PJ 198517224

Втулка

THICK = 0,25mm/0.0098in

1шт.

6

PJ 165296130

Вал

1шт.

7

PJ 198466010

Пробка (заглушка)

1шт.

8

PJ 198517090

Втулка

1шт.

9

PJ 042309018

Needle bearing

1шт.

Выбрано товаров: 40