Качественные детали и логистика
Оригинальные и аналоговые запчасти с доставкой по России, Казахстану и Беларуси
©2022 PartSell ООО "Система" ИНН 2463123282 ОГРН 1212400004838
Центральный офис: г. Красноярск, Академика Киренского, д.87, пом.4
Телефон: 8 (800) 777-65-74 Email: zakaz@partsell.ru
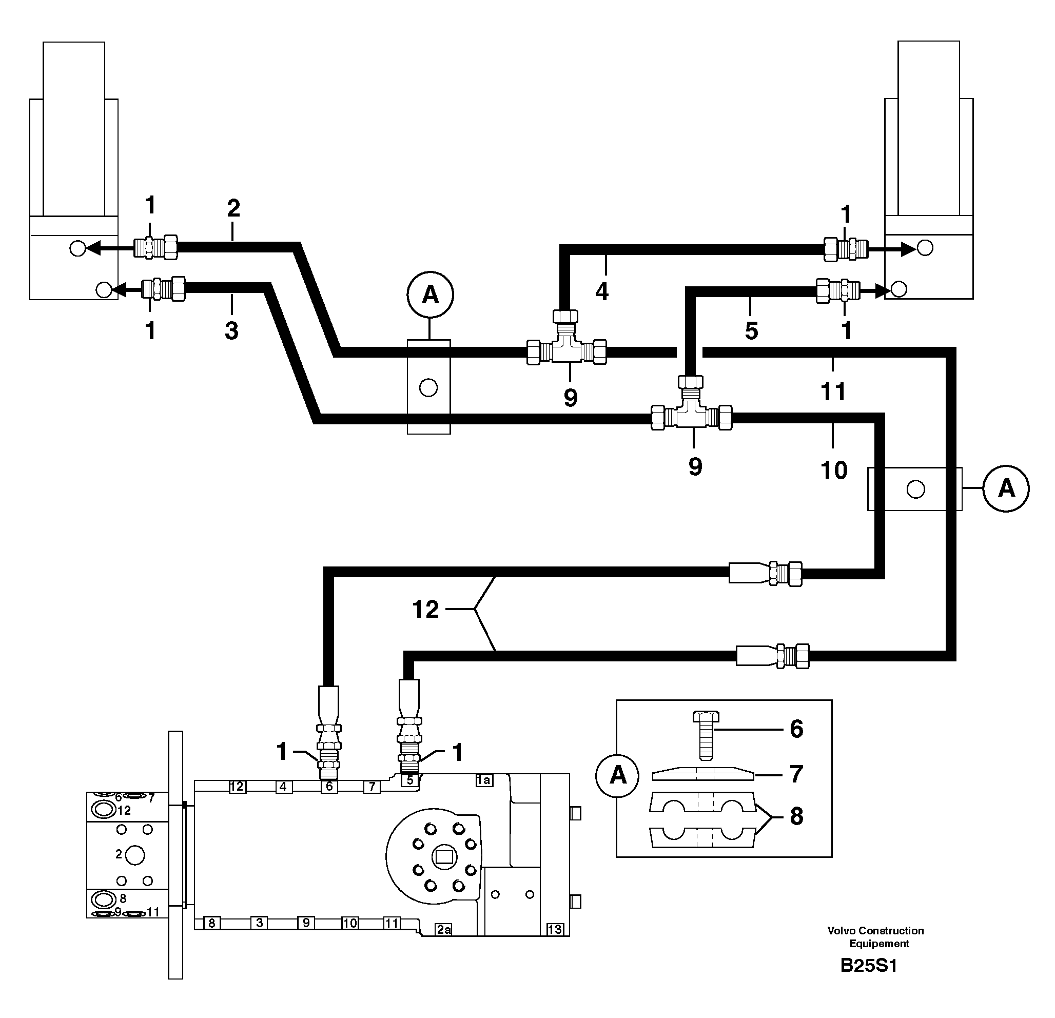
6877 Hydr. circuit. ( oscillation lock )
№
Артикул
Название
Примечание
Количество
1
VOE 11806380
Переходник масляного фильтра
1шт.
10
PJ 5760285
Трубка
11
PJ 5760286
12
PJ 4193058
High pressure hose
5/16"
2
PJ 5910520
3
PJ 5910521
4
PJ 5900249
5
PJ 5900250
6
PJ 4380025
Болт
HM6X40
7
PJ 4690120
Пластина
8
PJ 4690122
Фланец
9
PJ 4720004
Tee
Выбрано товаров: 0