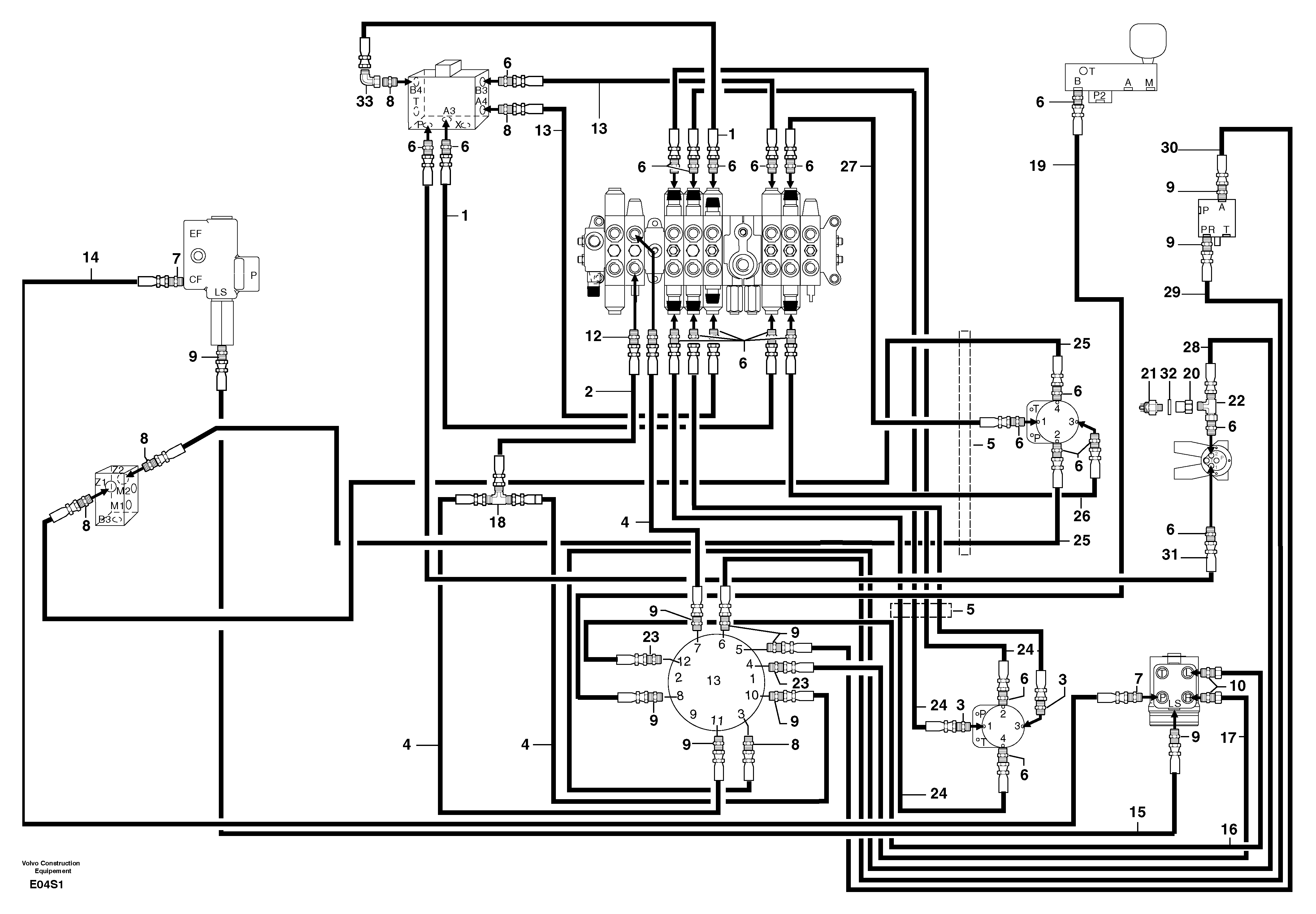
Запчасти Volvo EW50 102679 Hydr. circuit. ( platform ) ( continued ) EW50 TYPE 256

Схема запчастей Volvo EW50 - 102679 Hydr. circuit. ( platform ) ( continued ) EW50 TYPE 256
FIT
1:1
100%

Артикул

Название

Примечание

Количество

1

PJ 4192475

Шланг

1/4"

1шт.

10

PJ 4750410

Переходник масляного фильтра

1шт.

12

VOE 11806427

Переходник масляного фильтра

1шт.

13

PJ 4192474

Шланг

1/4"

1шт.

14

PJ 4190530

High pressure hose

1/2"

1шт.

15

PJ 4193061

High pressure hose

5/16"

1шт.

16

PJ 5910526

Трубка

1шт.

17

PJ 5910525

Трубка

1шт.

18

PJ 4720004

Tee

1шт.

19

PJ 4192479

Шланг

1/4"

1шт.

2

PJ 4190392

High pressure hose

5/16"

1шт.

20

PJ 4750613

Адаптер

1шт.

21

VOE 11806278

Датчик давления (переключатель, реле)

1шт.

22

VOE 11806313

Nipple

1шт.

23

VOE 11806376

Переходник масляного фильтра

1шт.

24

VOE 11805943

Шланг

1/4"

1шт.

25

PJ 4192470

Шланг

1/4"

1шт.

26

PJ 4192471

Шланг

1/4"

1шт.

27

VOE 11805956

Hose assembly

1/4"

1шт.

28

PJ 4192452

Шланг

1/4"

1шт.

29

PJ 4193060

High pressure hose

5/16"

1шт.

3

PJ 4770575

Restricting valve

ID = 0,6mm/0.0236in

1шт.

30

PJ 4190364

High pressure hose

5/16"

1шт.

31

VOE 11805963

Шланг

1/4"

1шт.

32

VOE 14013067

Sealing washer

1шт.

32

VOE 14013067

Sealing washer

1шт.

33

VOE 11806290

Elbow

1шт.

4

VOE 11806693

Шланг

5/16"

1шт.

5

VOE 11804752

Shield Coil

1шт.

6

PJ 4750055

Переходник масляного фильтра

1шт.

7

VOE 11806402

Переходник масляного фильтра

1шт.

8

PJ 4750341

Переходник масляного фильтра

1шт.

9

VOE 11806380

Переходник масляного фильтра

1шт.

Выбрано товаров: 33