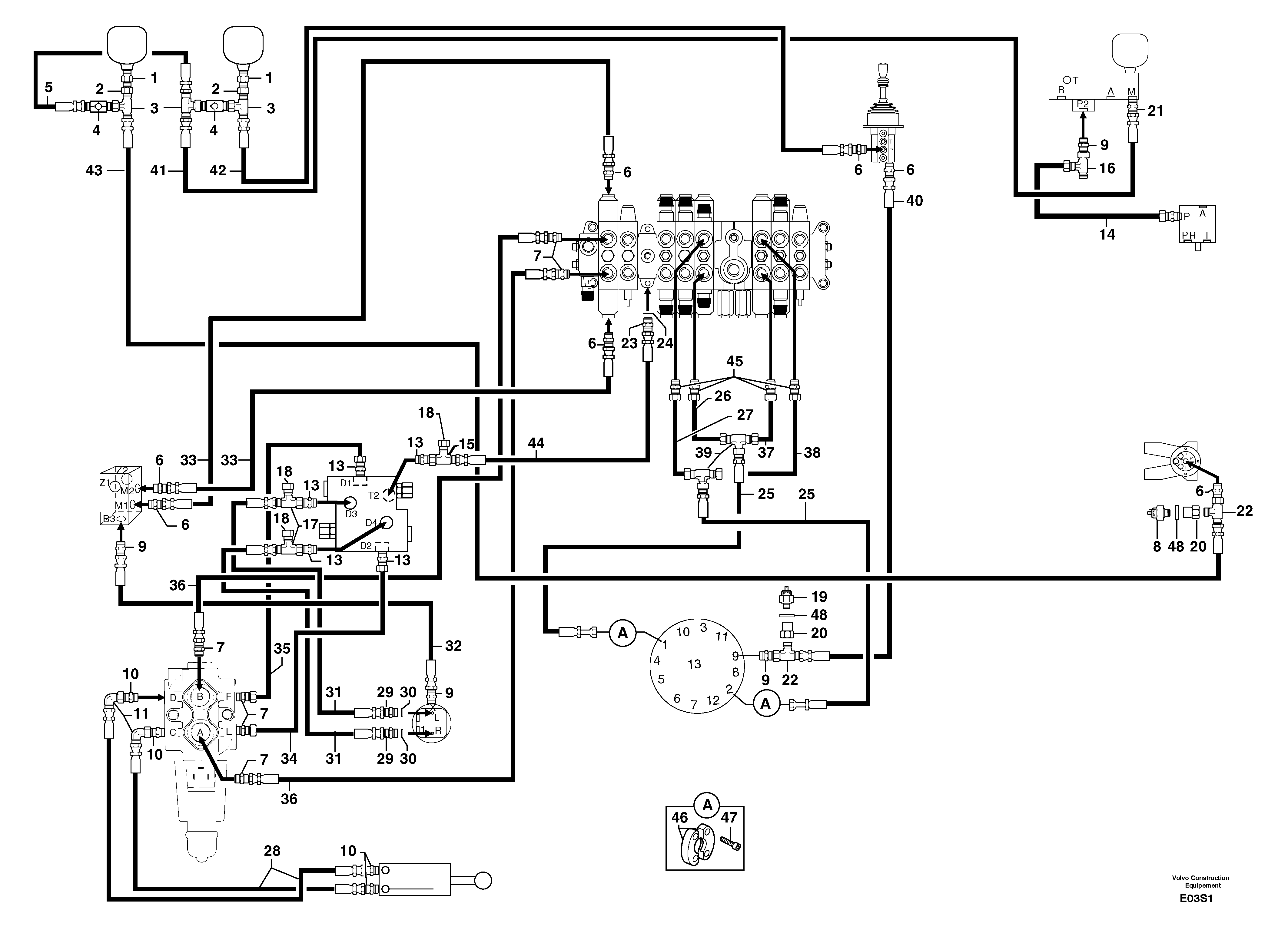
Запчасти Volvo EW50 104621 Hydraulic circuit ( platform ) EW50 TYPE 256

Схема запчастей Volvo EW50 - 104621 Hydraulic circuit ( platform ) EW50 TYPE 256
FIT
1:1
100%

Артикул

Название

Примечание

Количество

1

PJ 4750345

Адаптер

1шт.

10

PJ 4750410

Переходник масляного фильтра

1шт.

11

PJ 4700009

Elbow

1шт.

13

PJ 4750276

Вал

1шт.

14

PJ 5760295

Трубка

1шт.

15

PJ 4720006

Tee

1шт.

16

VOE 11806309

Nipple

1шт.

17

PJ 4720002

Tee

1шт.

18

VOE 11806333

Пробка (заглушка)

1шт.

19

PJ 5130097

Датчик давления (переключатель, реле)

1шт.

2

PJ 4750044

Переходник масляного фильтра

1шт.

20

PJ 4750613

Адаптер

1шт.

21

PJ 4750342

Переходник масляного фильтра

1шт.

22

VOE 11806313

Nipple

1шт.

23

PJ 4750459

Переходник масляного фильтра

1шт.

24

VOE 14042936

Sealing washer

1шт.

24

VOE 14042936

Sealing washer

1шт.

25

PJ 4196011

High pressure hose

5/8"

1шт.

26

PJ 5760293

Трубка

1шт.

27

PJ 5760294

Трубка

1шт.

28

PJ 4194055

High pressure hose

3/8"

1шт.

29

PJ 4750128

Переходник масляного фильтра

1шт.

3

PJ 4720007

Tee

1шт.

30

VOE 944252

Прокладка

1шт.

31

PJ 4195547

High pressure hose

1/2"

1шт.

32

VOE 11805878

Шланг

5/16"

1шт.

33

PJ 4192457

Шланг

1/4"

1шт.

34

PJ 5760289

Трубка

1шт.

35

PJ 5760290

Трубка

1шт.

36

PJ 4195547

High pressure hose

1шт.

37

PJ 5760292

Трубка

1шт.

38

PJ 5760291

Трубка

1шт.

39

PJ 4720057

Tee

1шт.

4

PJ 5330044

Non-return valve

1шт.

40

PJ 4192472

Шланг

1/4"

1шт.

41

PJ 4192478

Шланг

1/4"

1шт.

42

PJ 4192452

Шланг

1/4"

1шт.

43

VOE 11805960

Шланг

1/4"

1шт.

44

PJ 4195637

High pressure hose

1/2"

1шт.

45

PJ 4750413

Переходник масляного фильтра

1шт.

46

VOE 11803245

Фланец

1шт.

47

PJ 4290026

Болт

CHc M10X30

1шт.

48

VOE 14013067

Sealing washer

1шт.

48

VOE 14013067

Sealing washer

1шт.

5

PJ 4192447

Шланг

1/4"

1шт.

6

PJ 4750055

Переходник масляного фильтра

1шт.

7

VOE 11806402

Переходник масляного фильтра

1шт.

8

PJ 5130096

Датчик давления (переключатель, реле)

1шт.

9

VOE 11806380

Переходник масляного фильтра

1шт.

Выбрано товаров: 49