Запчасти Volvo EW50 106231 Фильтр воздушный EW50VV TYPE 256

Схема запчастей Volvo EW50 - 106231 Фильтр воздушный EW50VV TYPE 256
FIT
1:1
100%

Артикул

Название

Примечание

Количество

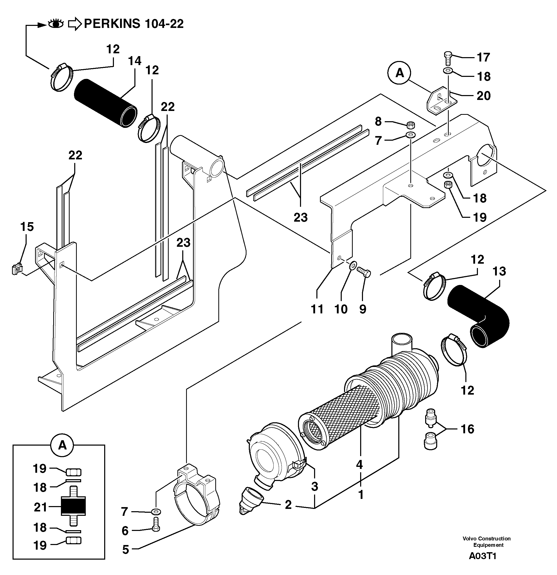
1

PJ 6050096

Фильтр воздушный

1шт.

10

VOE 13955894

Шайба

MU8

1шт.

10

VOE 13955894

Шайба

MU8

1шт.

11

PJ 3811599

Опора

1шт.

12

VOE 11806184

Cable clamp

1шт.

13

PJ 4199073

Шланг

1шт.

14

PJ 4199038

Шланг

1шт.

15

VOE 11802283

Гайка

M8

1шт.

16

PJ 6050103

Clogging indicator

1шт.

17

PJ 4380044

Болт

HM8X25

1шт.

18

VOE 13955894

Шайба

MU8

1шт.

18

VOE 13955894

Шайба

MU8

1шт.

19

VOE 983303

Гайка

HM8

1шт.

19

VOE 983303

Hexagon nut

HM8

1шт.

2

PJ 7417411

Draining Valve

1шт.

20

PJ 3560524

Angle Iron

1шт.

21

VOE 11802713

Mounting block

1шт.

22

PJ 5600046

Сальник

L = 460mm/18.1102in

1шт.

23

PJ 5600046

Сальник

L = 390mm/15.3543in

1шт.

3

ZM 2903259

Крышка

1шт.

4

PJ 7415256/10

Filter Kit

1шт.

4

PJ 7415256

Filter cartridge

1шт.

5

PJ 4690304

Зажим

1шт.

6

PJ 4380044

Болт

HM8X25

1шт.

7

VOE 13955894

Шайба

MU8

1шт.

7

VOE 13955894

Шайба

MU8

1шт.

8

VOE 983303

Гайка

HM8

1шт.

8

VOE 983303

Hexagon nut

HM8

1шт.

9

PJ 4380044

Болт

HM8X25

1шт.

Выбрано товаров: 29