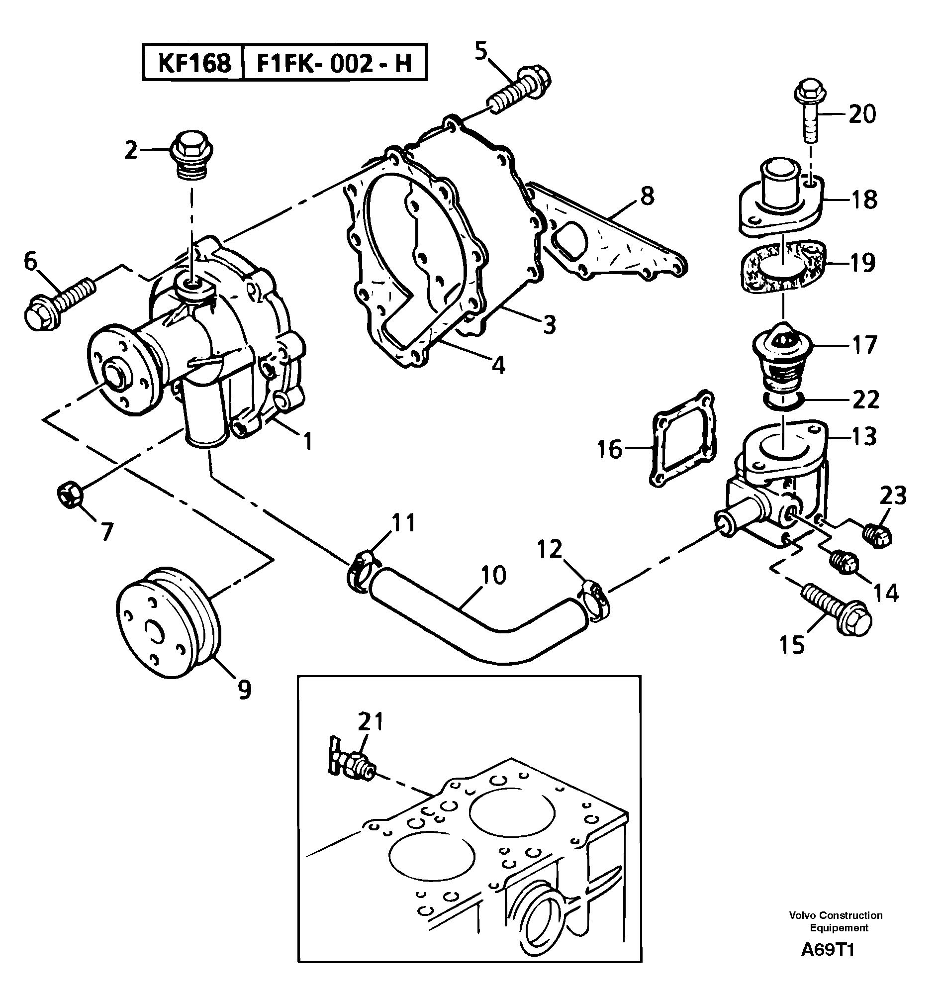
Запчасти Volvo EW50 105751 Water pump / thermostat EW50VV TYPE 256

Схема запчастей Volvo EW50 - 105751 Water pump / thermostat EW50VV TYPE 256
FIT
1:1
100%

Артикул

Название

Примечание

Количество

1

PJ 145017730

Водяной насос

1шт.

10

PJ 145536050

Шланг

1шт.

11

PJ 067100022

Зажим

1шт.

12

PJ 067100022

Зажим

1шт.

13

PJ 145216380

Поддон картера (маслосборник)

1шт.

14

PJ 064500030

Пробка (заглушка)

1шт.

15

PJ 011300645

Болт

1шт.

16

PJ 145996710

Сальник

1шт.

17

PJ 145206180

Термостат

1шт.

2

PJ 064500030

Пробка (заглушка)

1шт.

22

PJ 198116210

Сальник

1шт.

23

PJ 064500060

Пробка (заглушка)

1шт.

3

PJ 145146320

Пластина

1шт.

4

PJ 145996680

Сальник

1шт.

5

PJ 015300614

Болт

1шт.

6

PJ 011300635

Болт

1шт.

7

PJ 023100006

Гайка

1шт.

8

PJ 145996670

Сальник

1шт.

9

PJ 145336620

Шкив

1шт.

Выбрано товаров: 19