Запчасти Volvo EW50 31038 Electrical system / steering reversing EW50VV TYPE 256

Схема запчастей Volvo EW50 - 31038 Electrical system / steering reversing EW50VV TYPE 256
FIT
1:1
100%

Артикул

Название

Примечание

Количество

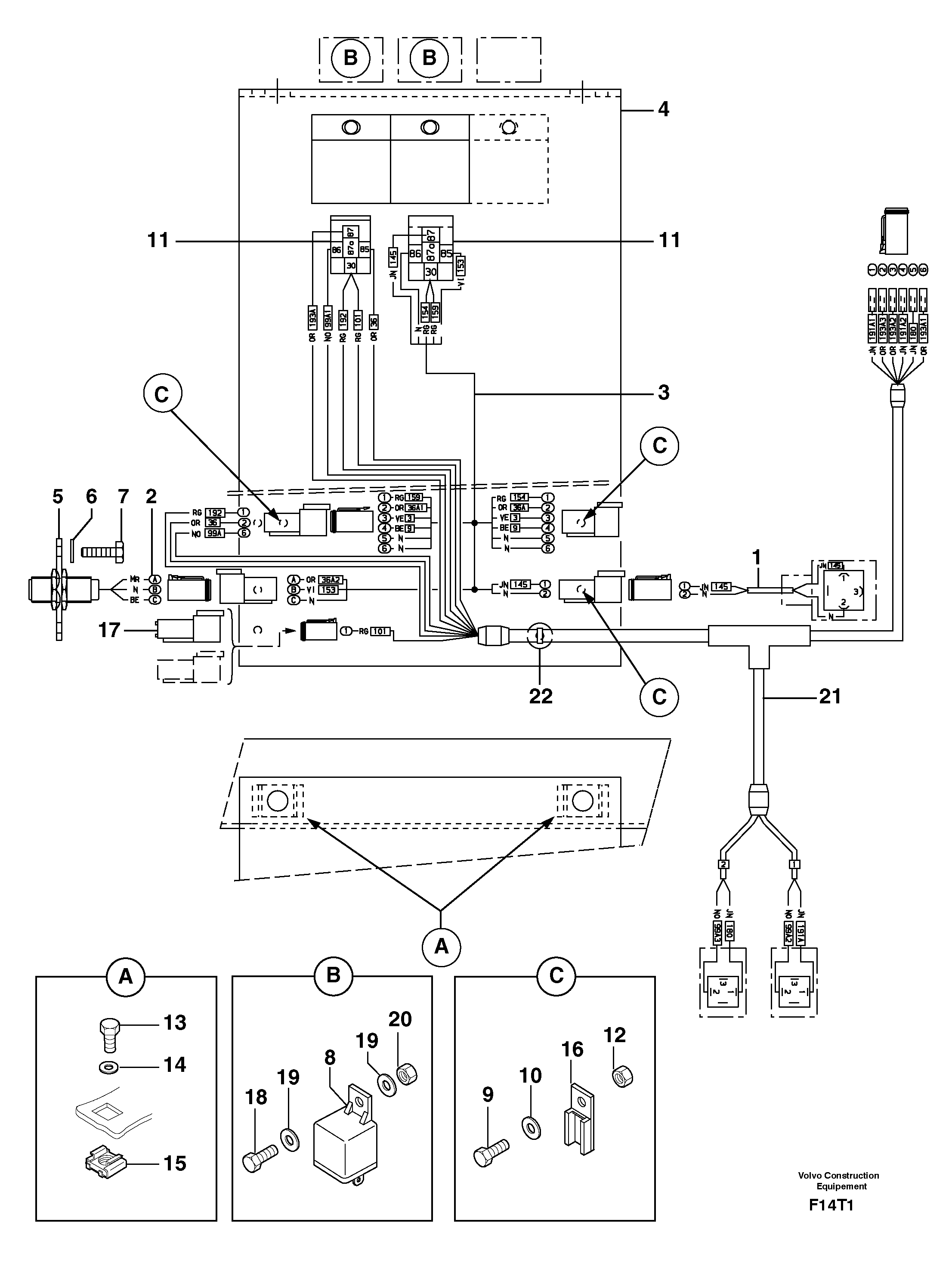
1

PJ 5720522

Equipped connector

1шт.

10

VOE 955891

Шайба

MU4

1шт.

10

VOE 955891

Шайба

MU4

1шт.

11

PJ 5080042

Plug connector

1шт.

12

VOE 955779

Hexagon nut

HM4

1шт.

12

VOE 955779

Hexagon nut

HM4

1шт.

13

PJ 4380043

Болт

HM8X20

1шт.

14

VOE 13955894

Шайба

MU8

1шт.

14

VOE 13955894

Шайба

MU8

1шт.

15

VOE 11802431

Гайка

M8

1шт.

16

PJ 5080120

Опора

1шт.

17

PJ 5720607

Wire harness

1шт.

18

PJ 4380021

Болт

HM5X16

1шт.

19

VOE 940090

Шайба

MU5

1шт.

19

VOE 940090

Шайба

MU5

1шт.

2

PJ 5720523

Equipped sensor

1шт.

20

PJ 4410010

Гайка

HM5

1шт.

21

PJ 5720603

Wire harness

1шт.

22

PJ 4690420

Зажим

1шт.

3

PJ 5720521

Wire harness

1шт.

4

PJ 3560655

Опора

1шт.

5

PJ 3280198

Опора

1шт.

6

VOE 13955894

Шайба

MU8

1шт.

6

VOE 13955894

Шайба

MU8

1шт.

7

PJ 4380043

Болт

HM8X20

1шт.

8

PJ 5110012

Реле

1шт.

9

PJ 4250009

Болт

CB M4X12

1шт.

Выбрано товаров: 27