Качественные детали и логистика
Оригинальные и аналоговые запчасти с доставкой по России, Казахстану и Беларуси
©2022 PartSell ООО "Система" ИНН 2463123282 ОГРН 1212400004838
Центральный офис: г. Красноярск, Академика Киренского, д.87, пом.4
Телефон: 8 (800) 777-65-74 Email: zakaz@partsell.ru
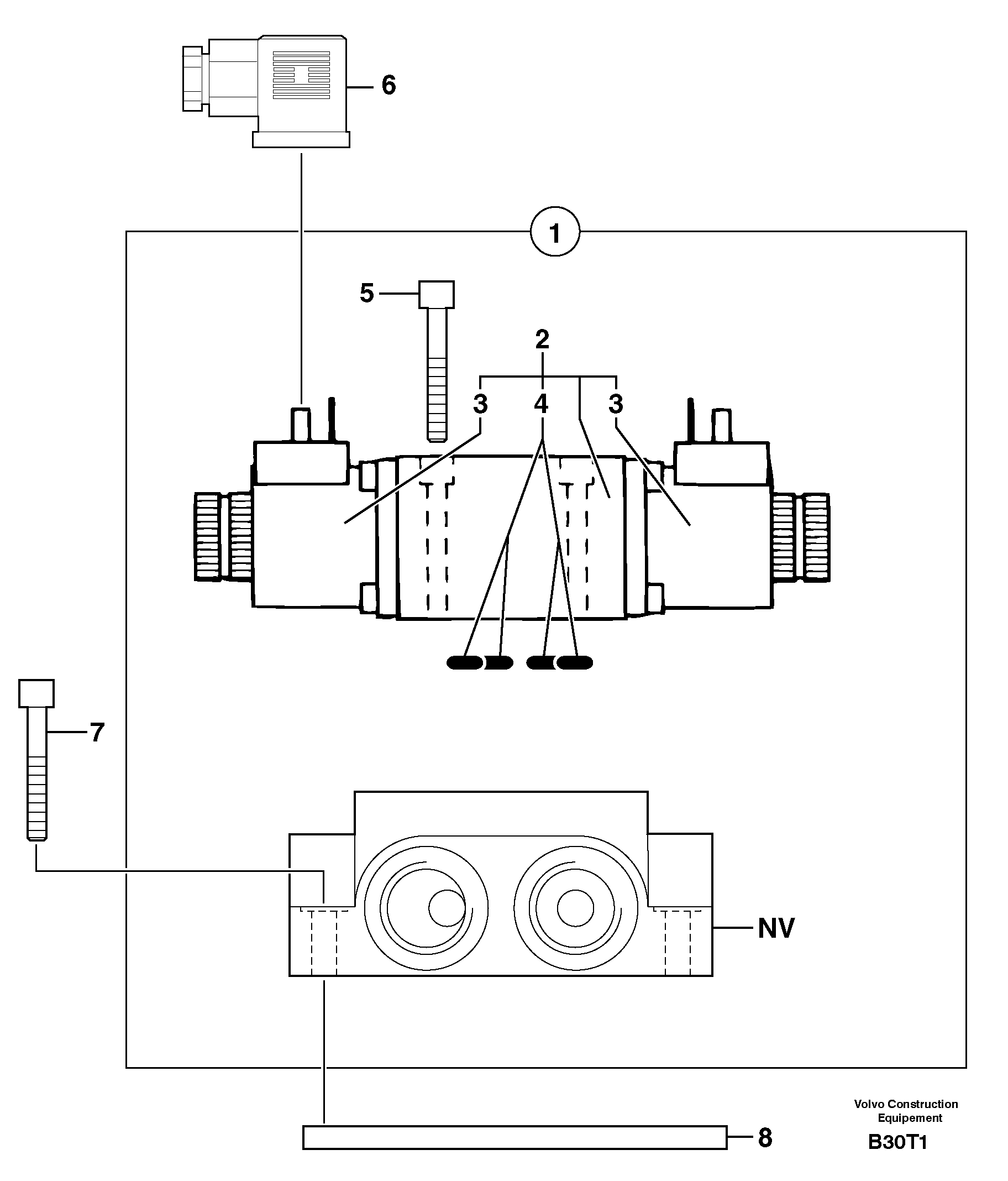
26178 Electrovalve : stabiliser
№
Артикул
Название
Примечание
Количество
1
PJ 6090084
Electric valve
1шт.
2
PJ 5220026
Distributor
3
PJ 5220033
Соленоид (электромагнитный клапан)
4
PJ 4040197
Кольцо уплотнительное (О-кольцо)
5
PJ 4290117
Болт
CHc M5X45
6
PJ 5130051
Plug connector
7
PJ 4290094
CHc M5X35
8
PJ 3340255
Прокладка
Выбрано товаров: 0