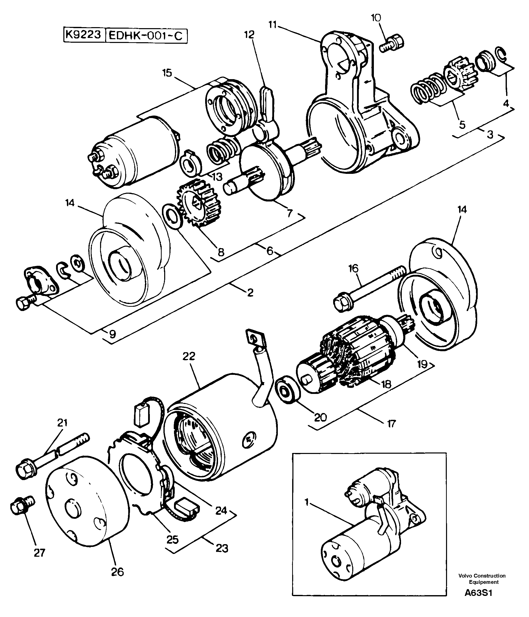
Запчасти Volvo EW50 10564 Starter motor EW50 TYPE 256

Схема запчастей Volvo EW50 - 10564 Starter motor EW50 TYPE 256
FIT
1:1
100%

Артикул

Название

Примечание

Количество

1

PJ 185086410

Starter Motor

PJ 185086410

1шт.

10

PJ 185846317

Болт

1шт.

11

PJ 185846493

Крышка

1шт.

12

PJ 185846494

Lever

1шт.

13

PJ 185846495

Пружина

1шт.

14

PJ 185846496

Опора

1шт.

15

PJ 185816240

Реле

1шт.

16

PJ 185846322

Болт

1шт.

17

PJ 185846357

Anchor

1шт.

19

PJ 040116002

Ball Bearing

1шт.

2

PJ 185866270

Вал

1шт.

20

PJ 185846325

Ball bearing

1шт.

21

PJ 185846363

Болт

1шт.

22

PJ 185846364

Поддон картера (маслосборник)

1шт.

23

PJ 185846360

Щетки

1шт.

24

PJ 185846361

Пружина

1шт.

26

PJ 185846362

Крышка

1шт.

27

PJ 185846317

Болт

1шт.

3

PJ 185846497

Шестерня

1шт.

4

PJ 185846327

Кольцо стопорное

1шт.

6

PJ 185846498

Шестерня

1шт.

7

PJ 185866280

Вал

1шт.

8

PJ 185846329

Шестерня

1шт.

9

PJ 185846499

Крышка

1шт.

Выбрано товаров: 24