Запчасти Volvo EW50 12249 Swivel joint EW50 TYPE 256

Схема запчастей Volvo EW50 - 12249 Swivel joint EW50 TYPE 256
FIT
1:1
100%

Артикул

Название

Примечание

Количество

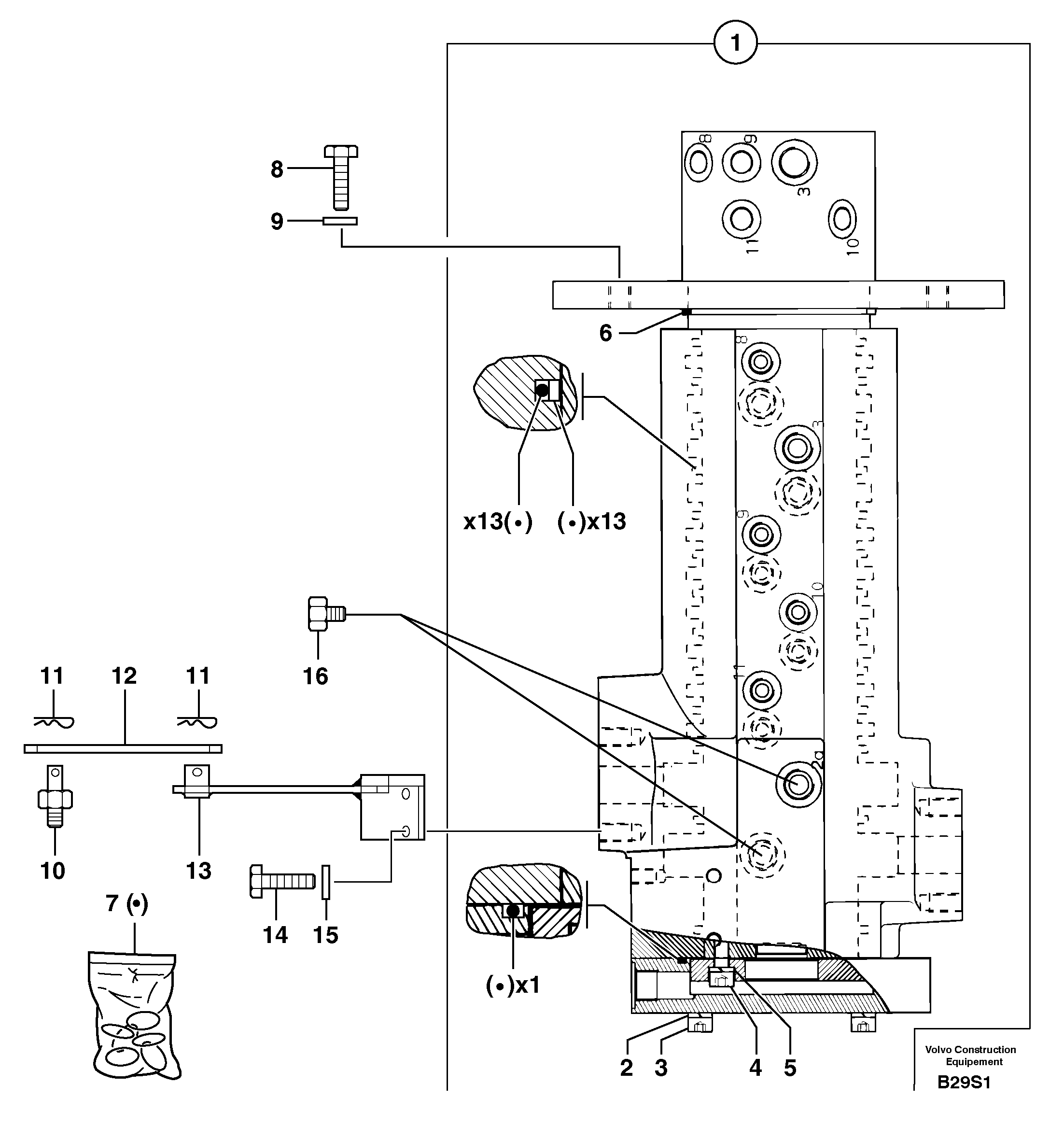
1

PJ 4900045

Swivel joint

1шт.

10

PJ 4080013

Stub Axle

1шт.

11

VOE 907884

Cotter Pin

1шт.

12

PJ 3310288

Пластина

1шт.

13

PJ 3811624

Опора

1шт.

14

PJ 4380043

Болт

HM8X20

1шт.

15

VOE 13955894

Шайба

MU8

1шт.

15

VOE 13955894

Шайба

MU8

1шт.

16

PJ 4740012

Пробка (заглушка)

1шт.

2

PJ 4470014

Стопорная шайба (кольцо)

W8

1шт.

3

PJ 4290015

Болт

CHc M8X45

1шт.

4

PJ 4290017

Болт

CHc M8X20

1шт.

5

PJ 4470014

Стопорная шайба (кольцо)

W8

1шт.

6

PJ 4630021

Скоба (хомут)

1шт.

7

PJ 5960080

Sealing kit

1шт.

8

PJ 4370026

Болт

HM12X50

1шт.

9

PJ 4490002

Шайба

M12

1шт.

Выбрано товаров: 17