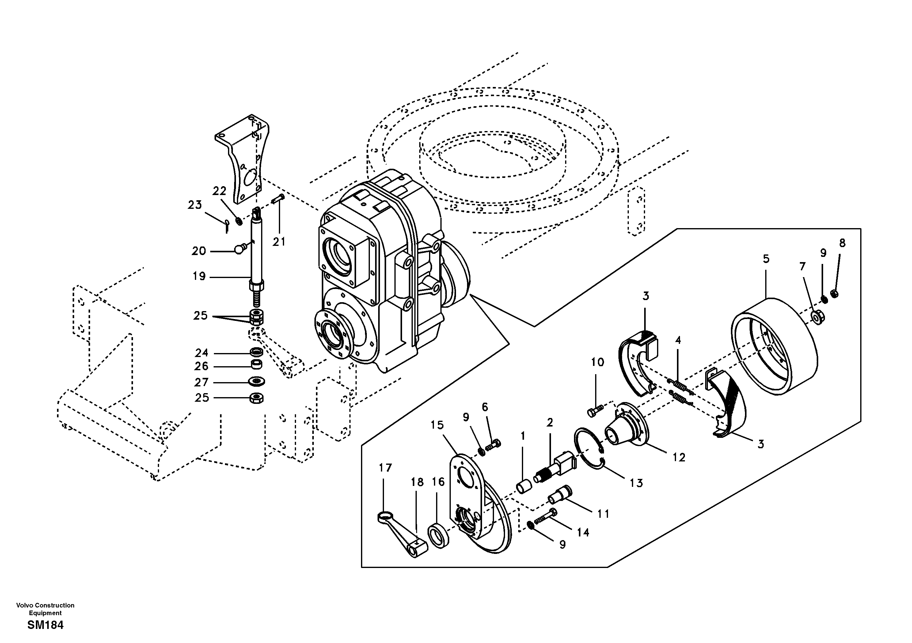
Запчасти Volvo EW55 SER NO 5630- 11842 Система стояночного тормоза

Схема запчастей Volvo EW55 SER NO 5630- - 11842 Система стояночного тормоза
FIT
1:1
100%

Артикул

Название

Примечание

Количество

SA 1032-00120

Gearbox

1шт.

1

SA 8220-14350

Втулка

1шт.

10

SA 8220-01520

Болт

1шт.

11

SA 8220-14320

Палец

1шт.

12

SA 8220-13530

Фланец

1шт.

13

SA 8220-00490

Кольцо

1шт.

14

SA 8220-01530

Болт

1шт.

15

SA 8240-02390

Крышка

1шт.

16

SA 8220-00010

Сальник

1шт.

17

SA 8220-14340

Lever

1шт.

18

SA 8220-01570

Болт

1шт.

19

SA 1035-01943

цилиндр

1шт.

2

SA 8220-14330

Палец

1шт.

20

SA 1038-00060

Breather

1шт.

21

SA 9321-20814

Clevis Pin

1шт.

22

SA 9211-08000

Шайба

1шт.

22

SA 9211-08000

Шайба

1шт.

23

SA 9323-01812

Split Pin

1шт.

24

SA 1032-00170

Cone

1шт.

25

SA 9113-31400

Гайка

1шт.

26

SA 1035-01372

Опора

1шт.

27

SA 9211-14000

Шайба

1шт.

27

SA 9211-14000

Шайба

1шт.

3

SA 8220-14370

Brake Shoe

1шт.

4

SA 8240-02540

Пружина

1шт.

5

SA 8220-13540

Brake drum

1шт.

6

SA 8220-01500

Болт

1шт.

7

SA 8220-14090

Гайка

1шт.

8

SA 8220-01000

Гайка

1шт.

9

SA 8220-01050

Шайба

1шт.

Выбрано товаров: 30