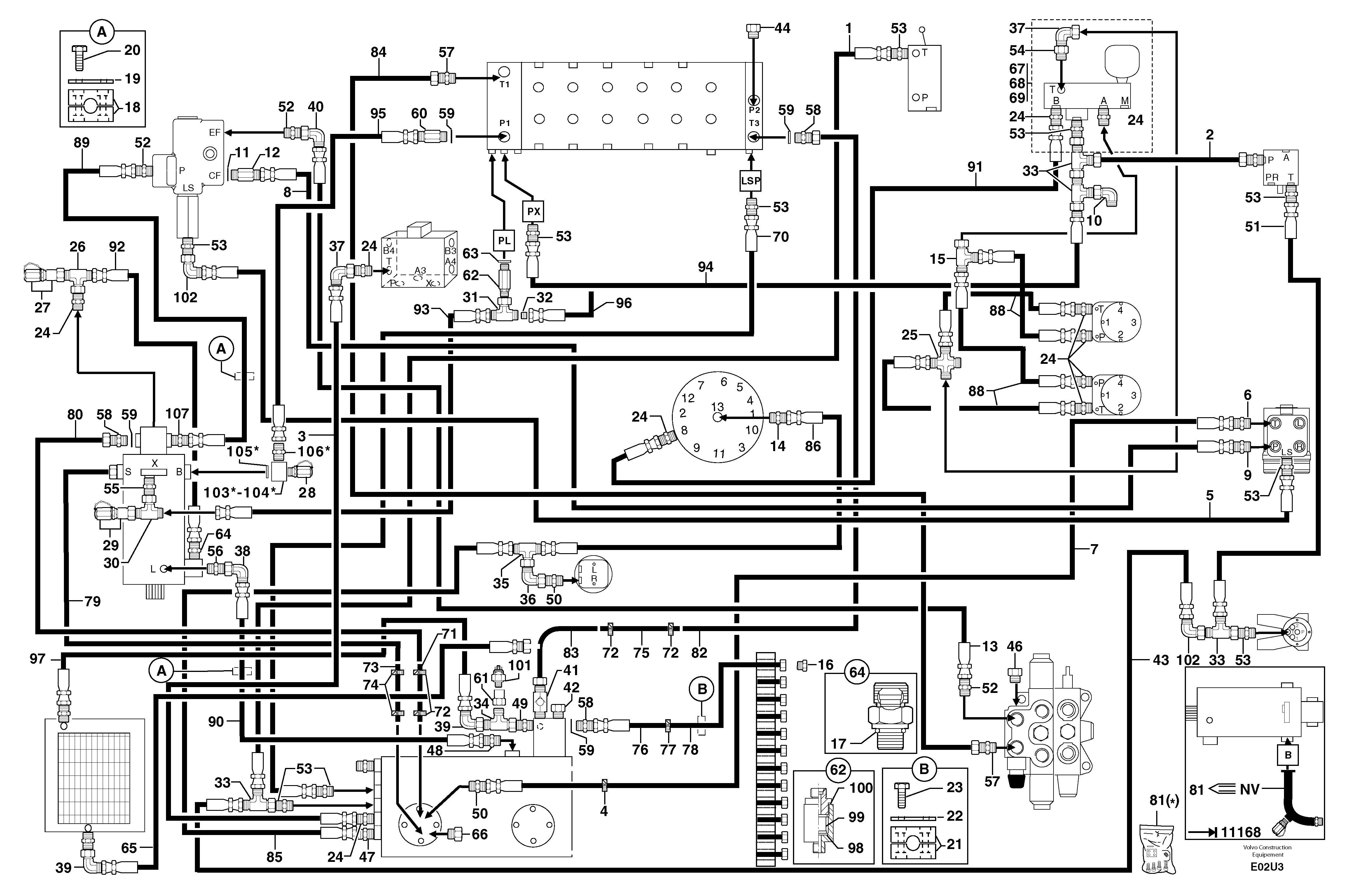
Запчасти Volvo EW70 102039 Attachments supply and return circuit EW70 TYPE 262

Схема запчастей Volvo EW70 - 102039 Attachments supply and return circuit EW70 TYPE 262
FIT
1:1
100%

Артикул

Название

Примечание

Количество

1

PJ 4193094

High pressure hose

5/16"

1шт.

10

VOE 11806283

Elbow

1шт.

100

PJ 5600058

Сальник

INCL IN 62

1шт.

101

VOE 11806266

Pressostat

1шт.

102

VOE 11806283

Elbow

1шт.

103

PJ 4770681

Фланец

INCL IN 81

1шт.

104

PJ 4380220

Болт

INCL IN 81

1шт.

105

VOE 13948700

Кольцо уплотнительное (О-кольцо)

INCL IN 81

1шт.

105

VOE 13948700

Кольцо уплотнительное (О-кольцо)

INCL IN 81

1шт.

106

PJ 4750608

Переходник масляного фильтра

INCL IN 81

1шт.

107

PJ 4750140

Переходник масляного фильтра

1шт.

11

VOE 943908

Прокладка

1шт.

12

PJ 4750076

Адаптер

1шт.

13

PJ 4196047

High pressure hose

5/8"

1шт.

14

PJ 4750455

Переходник масляного фильтра

1шт.

15

VOE 11806313

Nipple

1шт.

16

PJ 4740124

Пробка (заглушка)

1шт.

17

PJ 4040050

Кольцо уплотнительное (О-кольцо)

INCL IN 64

1шт.

18

PJ 4690134

Зажим

1шт.

19

VOE 11806179

11806179

1шт.

2

PJ 5760295

Трубка

1шт.

20

PJ 4380305

Болт

HM6X45

1шт.

21

PJ 4690147

Фланец

1шт.

22

PJ 4690148

Пластина

1шт.

23

PJ 4380026

Болт

HM6X50

1шт.

24

PJ 4750055

Переходник масляного фильтра

1шт.

25

PJ 4720035

Крестовина

1шт.

26

PJ 4720007

Tee

1шт.

27

VOE 936448

Testing nipple

1шт.

28

VOE 11802730

Соединитель

1шт.

29

VOE 936449

Testing nipple

1шт.

3

VOE 11805963

Шланг

1/4''

1шт.

30

VOE 11806315

Nipple

1шт.

31

PJ 4770663

Tee

1шт.

32

PJ 4770662

Jet

ID = 0,6mm/0.0236in

1шт.

33

VOE 11806309

Nipple

1шт.

34

PJ 4720025

Tee

1шт.

35

PJ 4720026

Tee

1шт.

36

PJ 4700009

Elbow

1шт.

37

VOE 11806290

Elbow

1шт.

38

PJ 4700016

Elbow

1шт.

39

PJ 4700014

Elbow

1шт.

4

VOE 11806210

Зажим

1шт.

40

PJ 4700035

Elbow

1шт.

41

PJ 5330071

Non-return valve

1шт.

42

PJ 4740044

Пробка (заглушка)

1шт.

43

PJ 4193093

High pressure hose

5/16"

1шт.

44

VOE 11804321

Пробка (заглушка)

1шт.

46

VOE 11802284

Пробка (заглушка)

1шт.

47

PJ 4750156

Переходник масляного фильтра

1шт.

48

PJ 4750143

Переходник масляного фильтра

1шт.

49

VOE 11806378

Переходник масляного фильтра

1шт.

5

PJ 4193061

High pressure hose

5/16''

1шт.

50

VOE 11806376

Переходник масляного фильтра

1шт.

51

PJ 4193095

High pressure hose

5/16"

1шт.

52

PJ 4750413

Переходник масляного фильтра

1шт.

53

VOE 11806380

Переходник масляного фильтра

1шт.

54

PJ 4750044

Переходник масляного фильтра

1шт.

55

PJ 4750102

Переходник масляного фильтра

1шт.

56

PJ 4750116

Переходник масляного фильтра

1шт.

57

PJ 4750426

Переходник масляного фильтра

1шт.

58

PJ 4750134

Переходник масляного фильтра

1шт.

59

VOE 944252

Прокладка

1шт.

6

PJ 4750410

Переходник масляного фильтра

1шт.

60

PJ 4750577

Extension Bar

1шт.

61

PJ 4750447

Адаптер

1шт.

62

PJ 6050058

Фильтр топливный

1шт.

63

VOE 14013067

Sealing washer

1шт.

63

VOE 14013067

Sealing washer

1шт.

64

PJ 6050060

Фильтр топливный

1шт.

65

PJ 4190754

High pressure hose

3/4''

1шт.

66

PJ 4740012

Пробка (заглушка)

1шт.

67

PJ 3340262

Apron

1шт.

68

VOE 11807554

Шайба

M10

1шт.

69

VOE 983304

Hexagon nut

HM10

1шт.

69

VOE 983304

Hexagon nut

HM10

1шт.

7

PJ 4194057

High pressure hose

3/8''

1шт.

70

PJ 4193038

High pressure hose

5/16''

1шт.

71

PJ 4199059

Шланг

1"

1шт.

72

VOE 11802432

Фланец

1шт.

73

PJ 4191201

High pressure hose

2"3/8

1шт.

74

PJ 4690135

Зажим

1шт.

75

PJ 4199095

Шланг

1"

1шт.

76

PJ 4190864

High pressure hose

1"

1шт.

77

VOE 11802432

Фланец

1шт.

78

PJ 5910585

Трубка

1шт.

79

PJ 6010154

Трубка

1шт.

8

PJ 4190530

High pressure hose

1/2''

1шт.

80

PJ 6010156

Трубка

1шт.

81

PJ 6820146

Kit

1шт.

82

PJ 6010158

Трубка

1шт.

83

PJ 6010157

Трубка

1шт.

84

PJ 5910592

Трубка

1шт.

85

PJ 4194081

High pressure hose

3/8"

1шт.

86

PJ 4194080

High pressure hose

3/8"

1шт.

88

PJ 4192434

Шланг

1/4''

1шт.

89

PJ 4196037

High pressure hose

5/8"

1шт.

9

VOE 11806402

Переходник масляного фильтра

1шт.

90

PJ 4196041

High pressure hose

5/8"

1шт.

91

PJ 4192479

Шланг

1/4''

1шт.

92

PJ 4192254

Шланг

1/4''

1шт.

93

PJ 4190317

High pressure hose

5/16''

1шт.

94

PJ 4193088

High pressure hose

5/16"

1шт.

95

PJ 4190863

High pressure hose

1"

1шт.

96

PJ 4194014

High pressure hose

1шт.

97

PJ 4197000

High pressure hose

3/4"

1шт.

98

PJ 4490017

Пружина

INCL IN 62

1шт.

99

PJ 6050059

Filter cartridge

INCL IN 62

1шт.

Выбрано товаров: 108