Запчасти Volvo EW70 104637 Hydr. circuit. ( dozer blade ) EW70 TYPE 262

Схема запчастей Volvo EW70 - 104637 Hydr. circuit. ( dozer blade ) EW70 TYPE 262
FIT
1:1
100%

Артикул

Название

Примечание

Количество

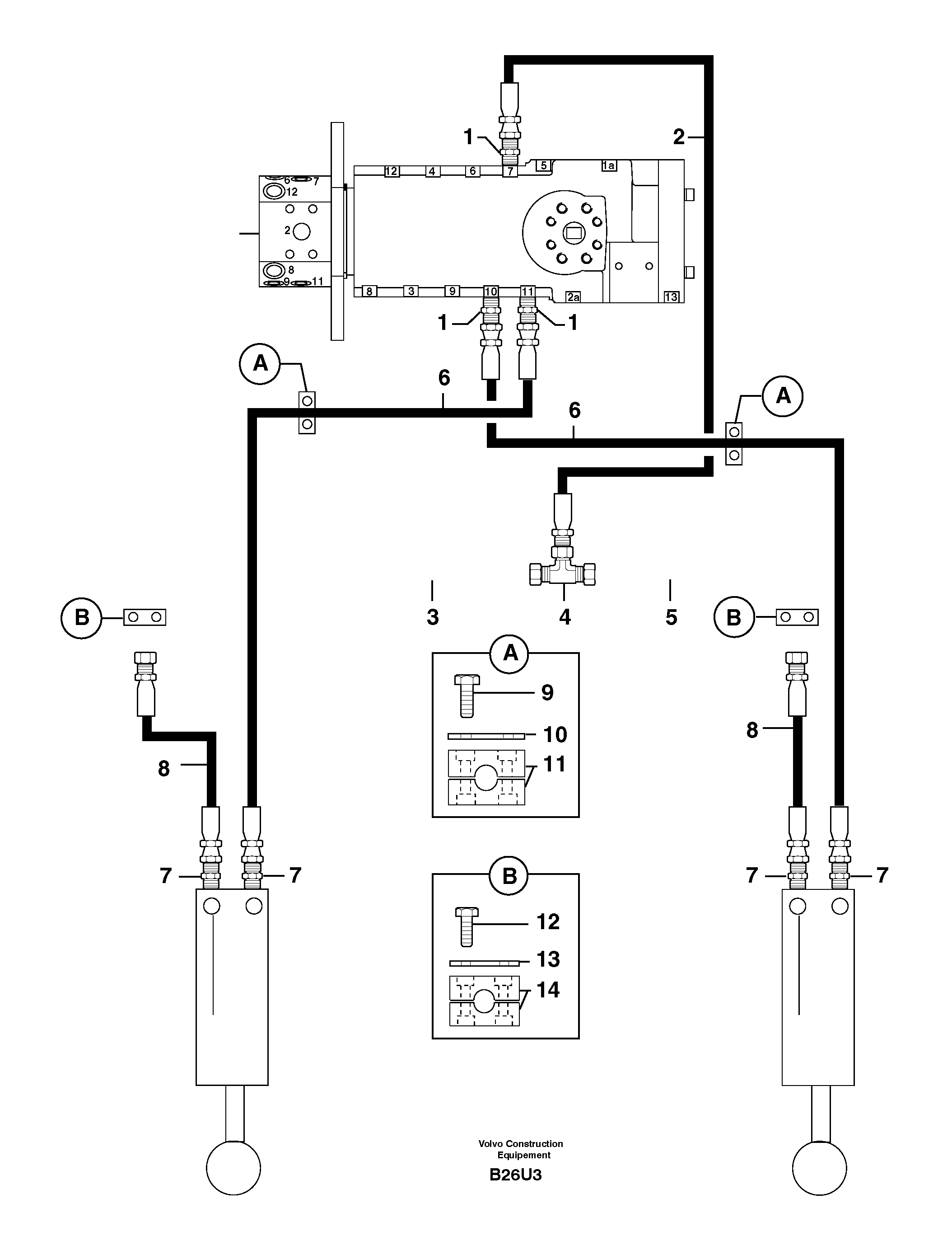
1

PJ 4750156

Переходник масляного фильтра

1шт.

10

VOE 11806177

Protecting plate

1шт.

11

PJ 4690325

Зажим

1шт.

12

PJ 4380029

Болт

HM6X35

1шт.

13

PJ 4690204

Пластина

1шт.

14

PJ 4690203

Зажим

1шт.

2

PJ 4190467

High pressure hose

3/8"

1шт.

3

PJ 5760287

Трубка

1шт.

4

PJ 4720017

Tee

1шт.

5

PJ 5910524

Трубка

1шт.

6

PJ 4194053

High pressure hose

3/8"

1шт.

7

VOE 11806376

Переходник масляного фильтра

1шт.

8

PJ 4194051

High pressure hose

3/8"

1шт.

9

PJ 4380305

Болт

HM6X45

1шт.

Выбрано товаров: 14