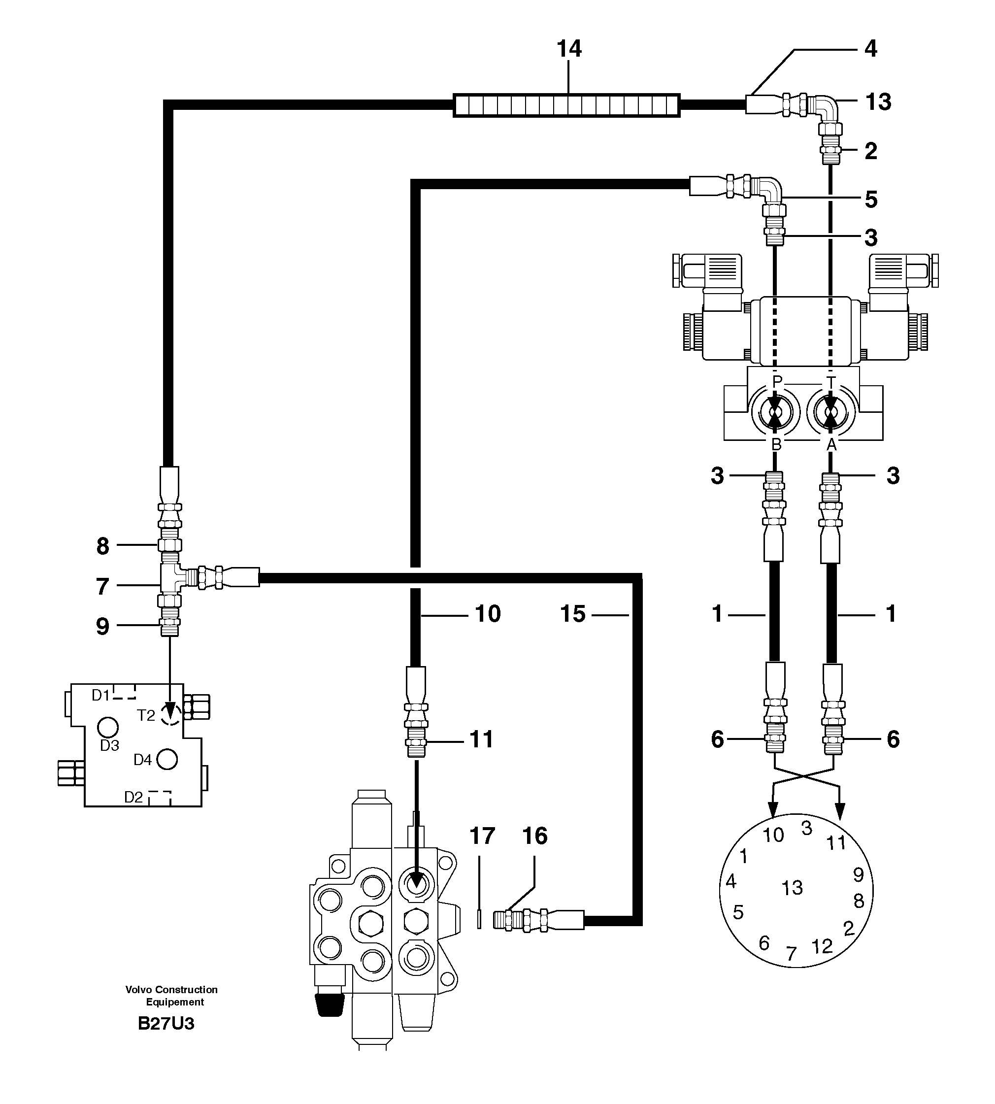
Запчасти Volvo EW70 5500 Hydr. circuit. ( stabiliser ) EW70 TYPE 262

Схема запчастей Volvo EW70 - 5500 Hydr. circuit. ( stabiliser ) EW70 TYPE 262
FIT
1:1
100%

Артикул

Название

Примечание

Количество

1

PJ 4193062

High pressure hose

5/16"

1шт.

10

PJ 4193038

High pressure hose

5/16''

1шт.

11

PJ 4750596

Переходник масляного фильтра

1шт.

13

PJ 4700009

Elbow

1шт.

14

PJ 2360071

Outer Casing

L = 150mm/5.9055in

1шт.

15

PJ 4190527

High pressure hose

1/2''

1шт.

16

PJ 4750128

Переходник масляного фильтра

1шт.

17

VOE 944252

Прокладка

1шт.

2

VOE 11806376

Переходник масляного фильтра

1шт.

3

PJ 4750421

Переходник масляного фильтра

1шт.

4

PJ 4190452

High pressure hose

3/8''

1шт.

5

PJ 4700006

Elbow

1шт.

6

VOE 11806380

Переходник масляного фильтра

1шт.

7

PJ 4720002

Tee

1шт.

8

PJ 4750022

Адаптер

1шт.

9

PJ 4750276

Вал

1шт.

Выбрано товаров: 16