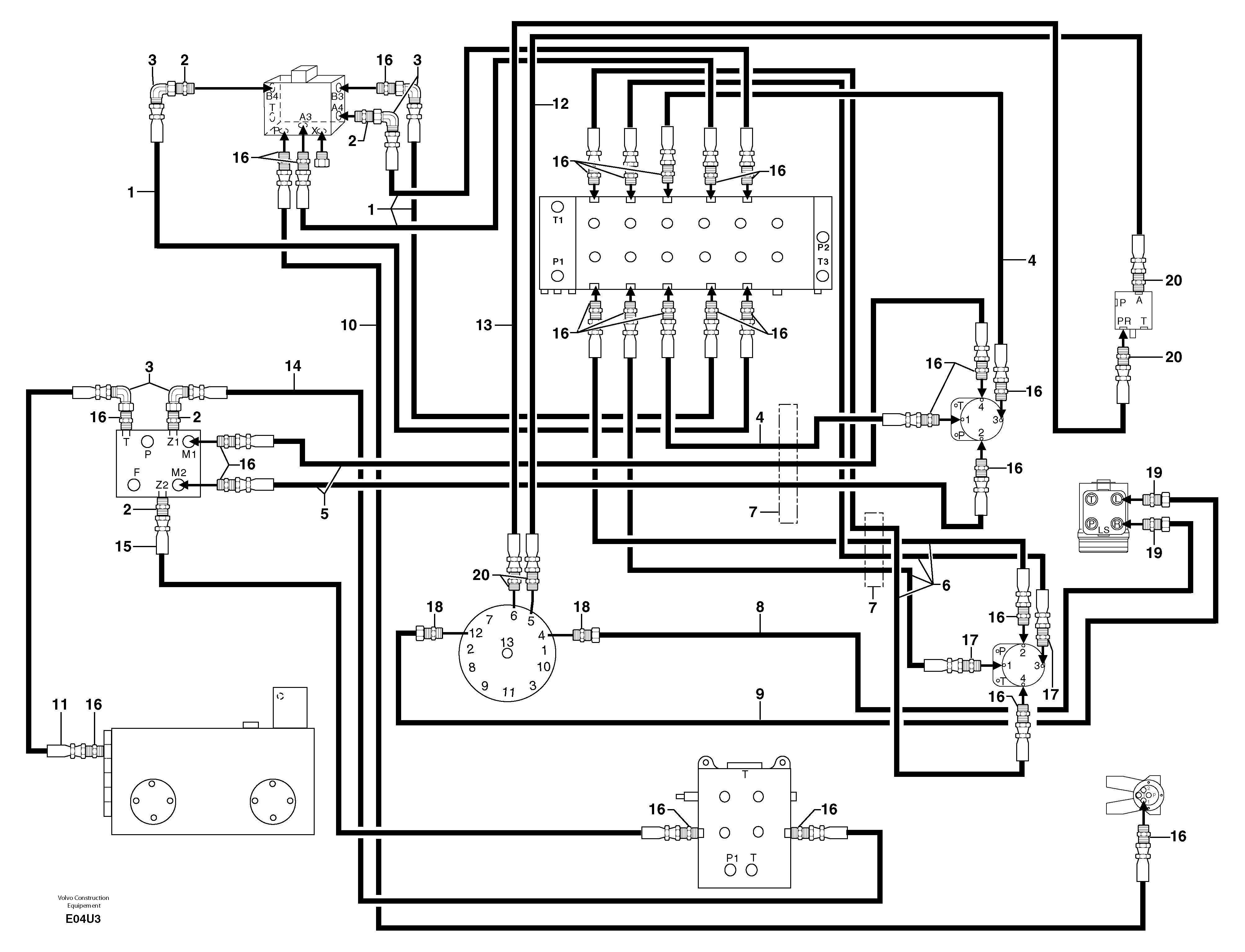
Запчасти Volvo EW70 102683 Hydr. circuit. ( platform ) ( continued ) EW70 TYPE 262

Схема запчастей Volvo EW70 - 102683 Hydr. circuit. ( platform ) ( continued ) EW70 TYPE 262
FIT
1:1
100%

Артикул

Название

Примечание

Количество

1

PJ 4192474

Шланг

1/4''

1шт.

10

VOE 11805960

Шланг

1/4''

1шт.

11

PJ 4192452

Шланг

1/4''

1шт.

12

PJ 4190364

High pressure hose

5/16''

1шт.

13

VOE 11805877

Шланг

5/16''

1шт.

14

VOE 11805944

Hose assembly

1/4''

1шт.

15

PJ 4192441

Шланг

1/4''

1шт.

16

PJ 4750055

Переходник масляного фильтра

1шт.

17

PJ 4770575

Restricting valve

ID = 0,6mm/0.0236in

1шт.

18

VOE 11806376

Переходник масляного фильтра

1шт.

19

PJ 4750410

Переходник масляного фильтра

1шт.

2

PJ 4750341

Переходник масляного фильтра

1шт.

20

VOE 11806380

Переходник масляного фильтра

1шт.

3

VOE 11806290

Elbow

1шт.

4

VOE 11805956

Hose assembly

1/4''

1шт.

5

PJ 4192471

Шланг

1/4''

1шт.

6

PJ 4192470

Шланг

1/4''

1шт.

7

VOE 11804752

Shield Coil

1шт.

8

PJ 5910598

Трубка

1шт.

9

PJ 5910599

Трубка

1шт.

Выбрано товаров: 20