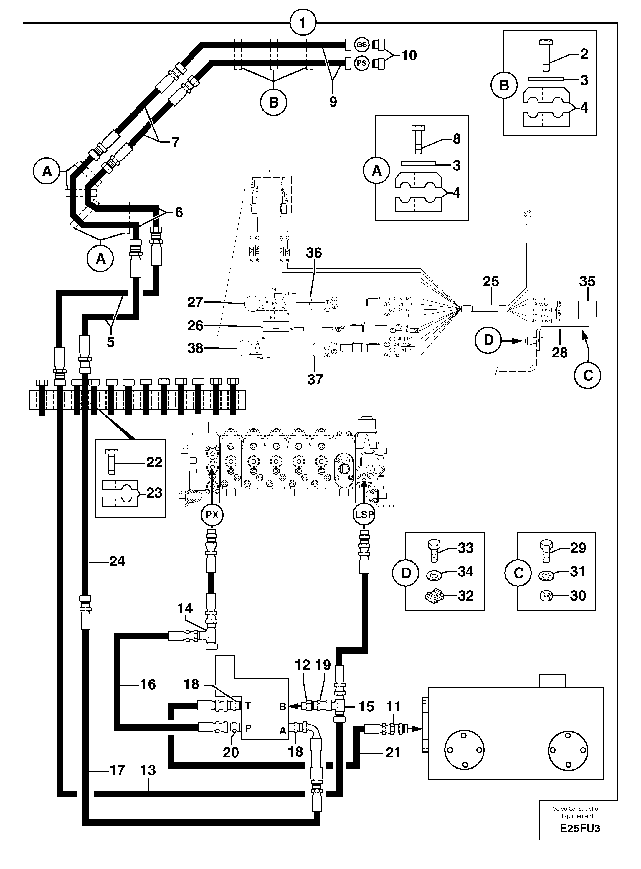
Запчасти Volvo EW70 96004 Hyd. circuit (quickfit/double-acting) EW70 TYPE 262

Схема запчастей Volvo EW70 - 96004 Hyd. circuit (quickfit/double-acting) EW70 TYPE 262
FIT
1:1
100%

Артикул

Название

Примечание

Количество

10

PJ 4740011

Пробка (заглушка)

1шт.

11

PJ 4750055

Переходник масляного фильтра

1шт.

12

PJ 4750423

Адаптер

1шт.

13

PJ 5910576

Трубка

1шт.

14

VOE 11806309

Nipple

1шт.

15

VOE 11806315

Nipple

1шт.

16

PJ 4193087

High pressure hose

5/16"

1шт.

17

PJ 4193114

High pressure hose

5/16"

1шт.

18

PJ 4750342

Переходник масляного фильтра

1шт.

19

VOE 11806380

Переходник масляного фильтра

1шт.

2

PJ 4380034

Болт

HM6X30

1шт.

20

PJ 4750617

Nozzle

ID = 0,8mm/0.0315in

1шт.

21

PJ 4192470

Шланг

1/4''

1шт.

22

PJ 4380365

Болт

HM8X75

1шт.

23

PJ 4690034

Фланец

1шт.

24

PJ 5910645

Трубка

1шт.

25

PJ 5720570

Wire harness

1шт.

26

VOE 11806260

Buzzer

1шт.

27

PJ 5160279

Переключатель

1шт.

28

PJ 3560649

Apron

1шт.

29

PJ 4380020

Болт

HM5X10

1шт.

3

PJ 4690120

Пластина

1шт.

30

PJ 4410010

Гайка

HM5

1шт.

31

VOE 940090

Шайба

MU5

1шт.

31

VOE 940090

Шайба

MU5

1шт.

32

VOE 11802431

Гайка

M8

1шт.

33

PJ 4380043

Болт

HM8X20

1шт.

34

VOE 13955894

Шайба

MU8

1шт.

34

VOE 13955894

Шайба

MU8

1шт.

35

VOE 11806282

Реле

1шт.

36

PJ 5720556

Cable harness

1шт.

37

PJ 5720568

Cable harness

1шт.

38

PJ 5160065

Push Button

1шт.

4

PJ 4690122

Фланец

1шт.

5

PJ 4193090

High pressure hose

5/16"

1шт.

6

PJ 5910587

Трубка

1шт.

7

PJ 4193091

High pressure hose

5/16"

1шт.

8

PJ 4380025

Болт

HM6X40

1шт.

9

PJ 5900277

Трубка

1шт.

9

PJ 5910808

Трубка

1шт.

9

PJ 5900274

Трубка

1шт.

Выбрано товаров: 41