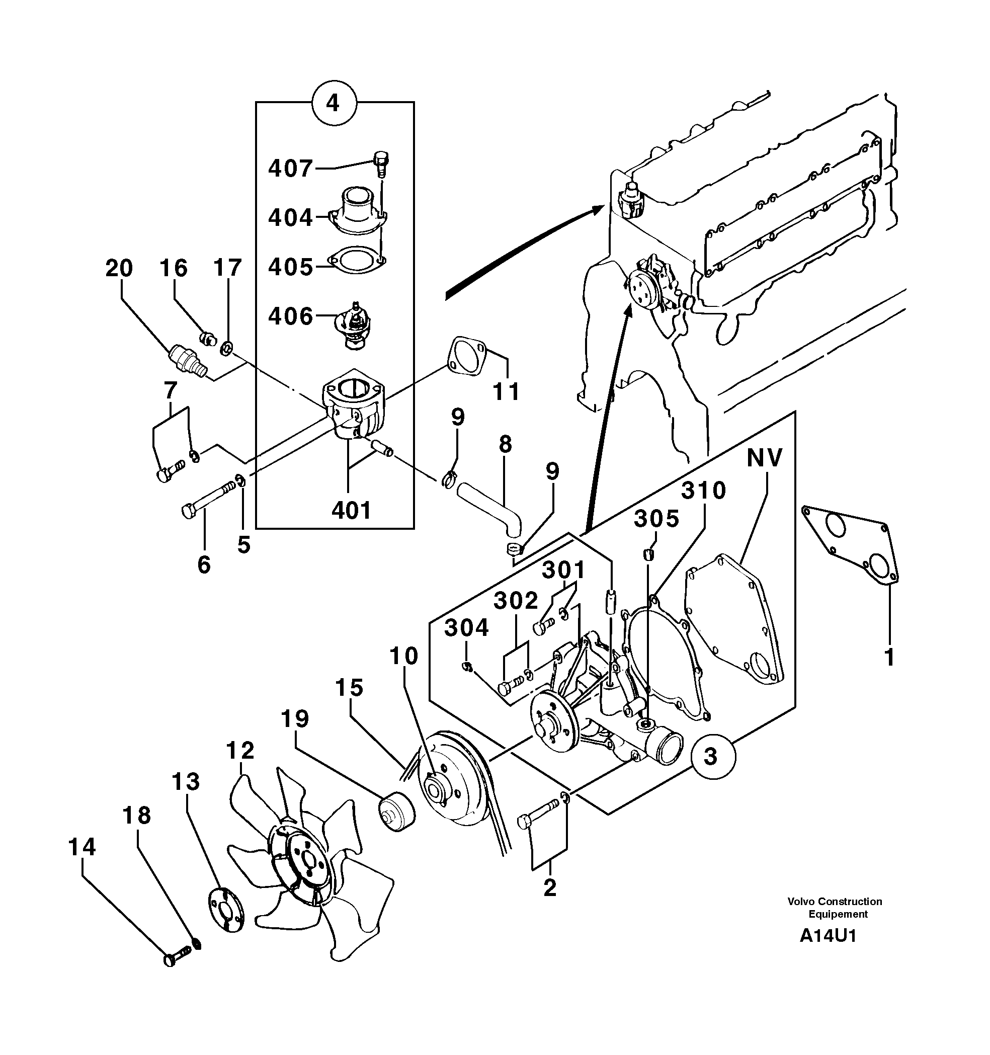
Запчасти Volvo EW70 14486 Водяной насос EW70VV TYPE 262

Схема запчастей Volvo EW70 - 14486 Водяной насос EW70VV TYPE 262
FIT
1:1
100%

Артикул

Название

Примечание

Количество

1

PJ 7416518

Сальник

1шт.

10

PJ 7416524

Шкив

1шт.

11

PJ 7416588

Сальник

1шт.

12

PJ 5370179

Вентилятор

1шт.

13

PJ 7416505

Шайба

1шт.

14

VOE 983245

Винт шестигранник

HM8X50

1шт.

14

VOE 983245

Винт шестигранник

HM8X50

1шт.

15

PJ 7416502

Ремень

1шт.

16

PJ 7416434

Пробка (заглушка)

1шт.

17

PJ 7416242

Сальник

1шт.

18

VOE 11804257

Шайба

M8

1шт.

19

PJ 4010113

Вставка

1шт.

2

PJ 7411294

Attachment kit

1шт.

20

VOE 11802936

Temperature sensor

1шт.

20

VOE 11802936

Temperature sensor

1шт.

3

PJ 7416525

Водяной насос

ENG - 52230

1шт.

3

PJ 7418188

Водяной насос

ENG 52231 -

1шт.

301

PJ 7416430

Attachment kit

1шт.

302

PJ 7416526

Attachment kit

1шт.

304

PJ 7416529

Lub Nipple

ENG - 52230

1шт.

304

PJ 7418189

Пробка (заглушка)

ENG 52231 -

1шт.

305

PJ 7415383

Пробка (заглушка)

1шт.

310

PJ 7416517

Прокладка

1шт.

4

PJ 7416523

Фланец

1шт.

401

PJ 7416651

Фланец

1шт.

404

PJ 7416520

Фланец

1шт.

405

PJ 7416521

Sealing

1шт.

406

PJ 7416522

Термостат

1шт.

407

PJ 7416430

Attachment kit

ENG - 35169

1шт.

407

PJ 7417828

Болт

ENG 35170 -

1шт.

5

PJ 7416577

Стопорная шайба (кольцо)

1шт.

6

PJ 7416652

Болт

1шт.

7

PJ 7411294

Attachment kit

1шт.

8

PJ 7416519

Шланг

1шт.

9

PJ 7415543

Зажим

1шт.

Выбрано товаров: 35