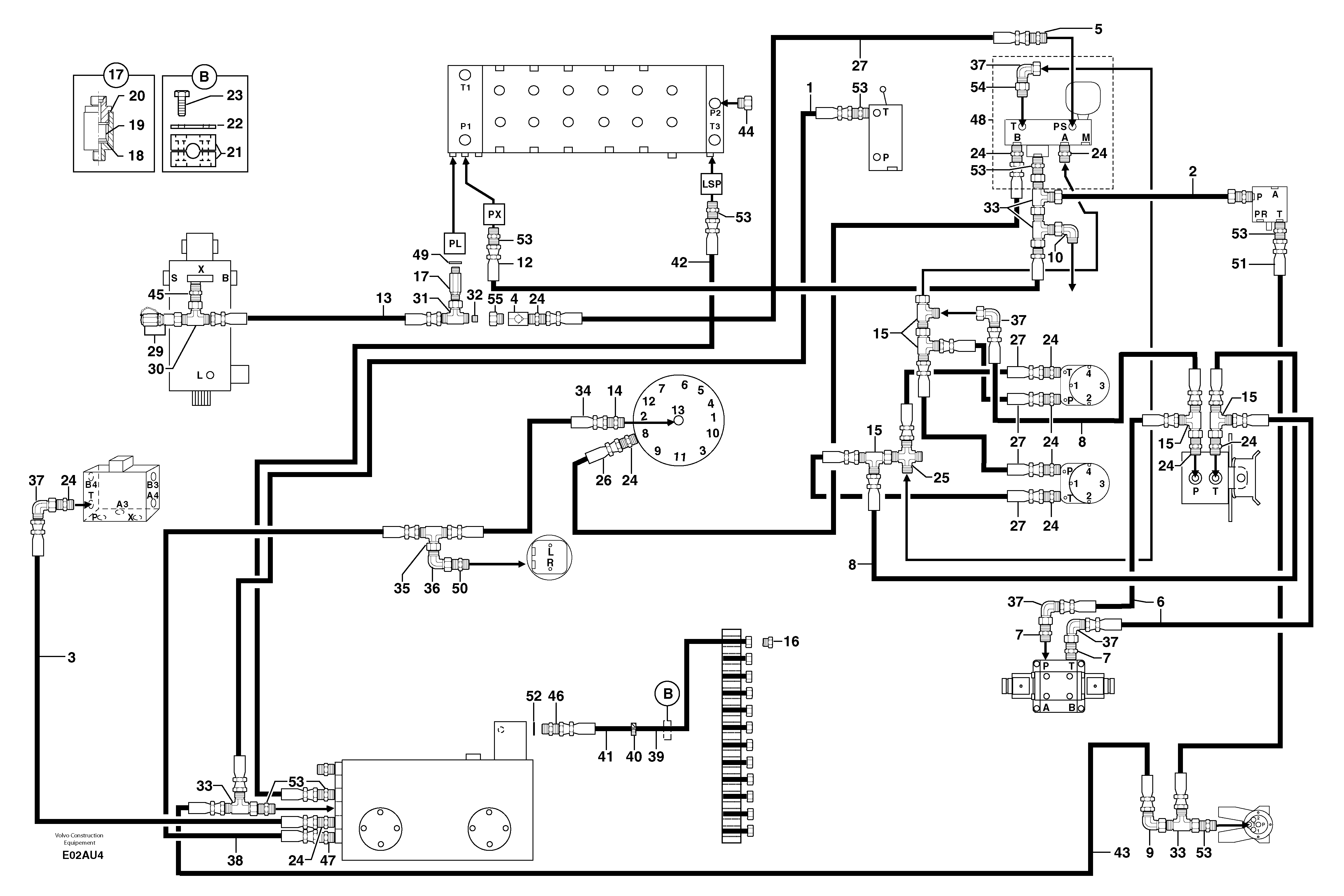
Запчасти Volvo EW70 102480 Attachments supply and return circuit EW70VV TYPE 262

Схема запчастей Volvo EW70 - 102480 Attachments supply and return circuit EW70VV TYPE 262
FIT
1:1
100%

Артикул

Название

Примечание

Количество

1

PJ 4193094

High pressure hose

5/16"

1шт.

10

VOE 11806283

Elbow

1шт.

12

PJ 4193088

High pressure hose

5/16"

1шт.

13

PJ 4190317

High pressure hose

5/16''

1шт.

14

PJ 4750455

Переходник масляного фильтра

1шт.

15

VOE 11806313

Nipple

1шт.

16

PJ 4740124

Пробка (заглушка)

1шт.

17

PJ 6050058

Фильтр топливный

1шт.

18

PJ 4490017

Пружина

1шт.

19

PJ 6050059

Filter cartridge

1шт.

2

PJ 5760340

Трубка

1шт.

20

PJ 5600058

Сальник

1шт.

21

PJ 4690147

Фланец

1шт.

22

PJ 4690148

Пластина

1шт.

23

PJ 4380026

Болт

HM6X50

1шт.

24

PJ 4750055

Переходник масляного фильтра

1шт.

25

PJ 4720035

Крестовина

1шт.

26

PJ 4192479

Шланг

1/4''

1шт.

27

PJ 4192434

Шланг

1/4''

1шт.

29

VOE 936449

Testing nipple

1шт.

3

VOE 11805963

Шланг

1/4''

1шт.

30

VOE 11806315

Nipple

1шт.

31

PJ 4770663

Tee

1шт.

32

PJ 4770662

Jet

ID = 0,6mm/0.0236in

1шт.

33

VOE 11806309

Nipple

1шт.

34

PJ 4194080

High pressure hose

3/8"

1шт.

35

PJ 4720026

Tee

1шт.

36

PJ 4700009

Elbow

1шт.

37

VOE 11806290

Elbow

1шт.

38

PJ 4194081

High pressure hose

3/8"

1шт.

39

PJ 5910585

Трубка

1шт.

4

PJ 4770676

Клапан обратный

1шт.

40

VOE 11802432

Фланец

1шт.

41

PJ 4190864

High pressure hose

1"

1шт.

42

PJ 4193038

High pressure hose

5/16''

1шт.

43

PJ 4193093

High pressure hose

5/16"

1шт.

44

VOE 11804321

Пробка (заглушка)

1шт.

45

PJ 4750102

Переходник масляного фильтра

1шт.

46

PJ 4750134

Переходник масляного фильтра

1шт.

47

PJ 4750156

Переходник масляного фильтра

1шт.

48

PJ 3340262

Apron

1шт.

49

VOE 14013067

Sealing washer

1шт.

49

VOE 14013067

Sealing washer

1шт.

5

PJ 4750342

Переходник масляного фильтра

1шт.

50

VOE 11806376

Переходник масляного фильтра

1шт.

51

PJ 4193095

High pressure hose

5/16"

1шт.

52

VOE 944252

Прокладка

1шт.

53

VOE 11806380

Переходник масляного фильтра

1шт.

54

PJ 4750044

Переходник масляного фильтра

1шт.

55

PJ 4750176

Переходник масляного фильтра

1шт.

6

PJ 4192475

Шланг

1/4''

1шт.

7

PJ 4750341

Переходник масляного фильтра

1шт.

8

PJ 4192447

Шланг

1/4''

1шт.

9

VOE 11806283

Elbow

1шт.

Выбрано товаров: 54