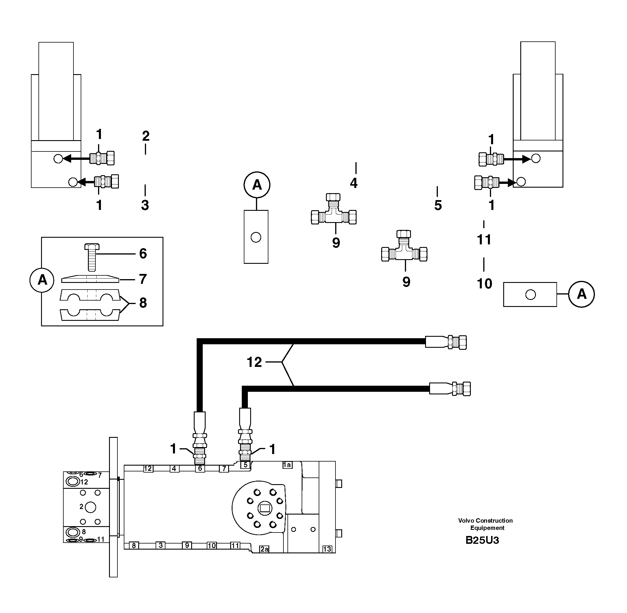
Запчасти Volvo EW70 10350 Hydr. circuit. ( oscillation lock ) EW70VV TYPE 262

Схема запчастей Volvo EW70 - 10350 Hydr. circuit. ( oscillation lock ) EW70VV TYPE 262
FIT
1:1
100%

Артикул

Название

Примечание

Количество

1

VOE 11806380

Переходник масляного фильтра

1шт.

10

PJ 5760285

Трубка

1шт.

11

PJ 5760286

Трубка

1шт.

12

PJ 4193058

High pressure hose

5/16"

1шт.

2

PJ 5910520

Трубка

S/N - 262.12217

1шт.

2

PJ 5910754

Трубка

S/N 262.12218 -

1шт.

3

PJ 5910521

Трубка

S/N - 262.12217

1шт.

3

PJ 5910755

Трубка

S/N 262.12218 -

1шт.

4

PJ 5900249

Трубка

S/N - 262.12217

1шт.

4

PJ 5910756

Трубка

S/N 262.12218 -

1шт.

5

PJ 5900250

Трубка

S/N - 262.12217

1шт.

5

PJ 5910757

Трубка

S/N 262.12218 -

1шт.

6

PJ 4380025

Болт

HM6X40

1шт.

7

PJ 4690120

Пластина

1шт.

8

PJ 4690122

Фланец

1шт.

9

PJ 4720004

Tee

1шт.

Выбрано товаров: 16