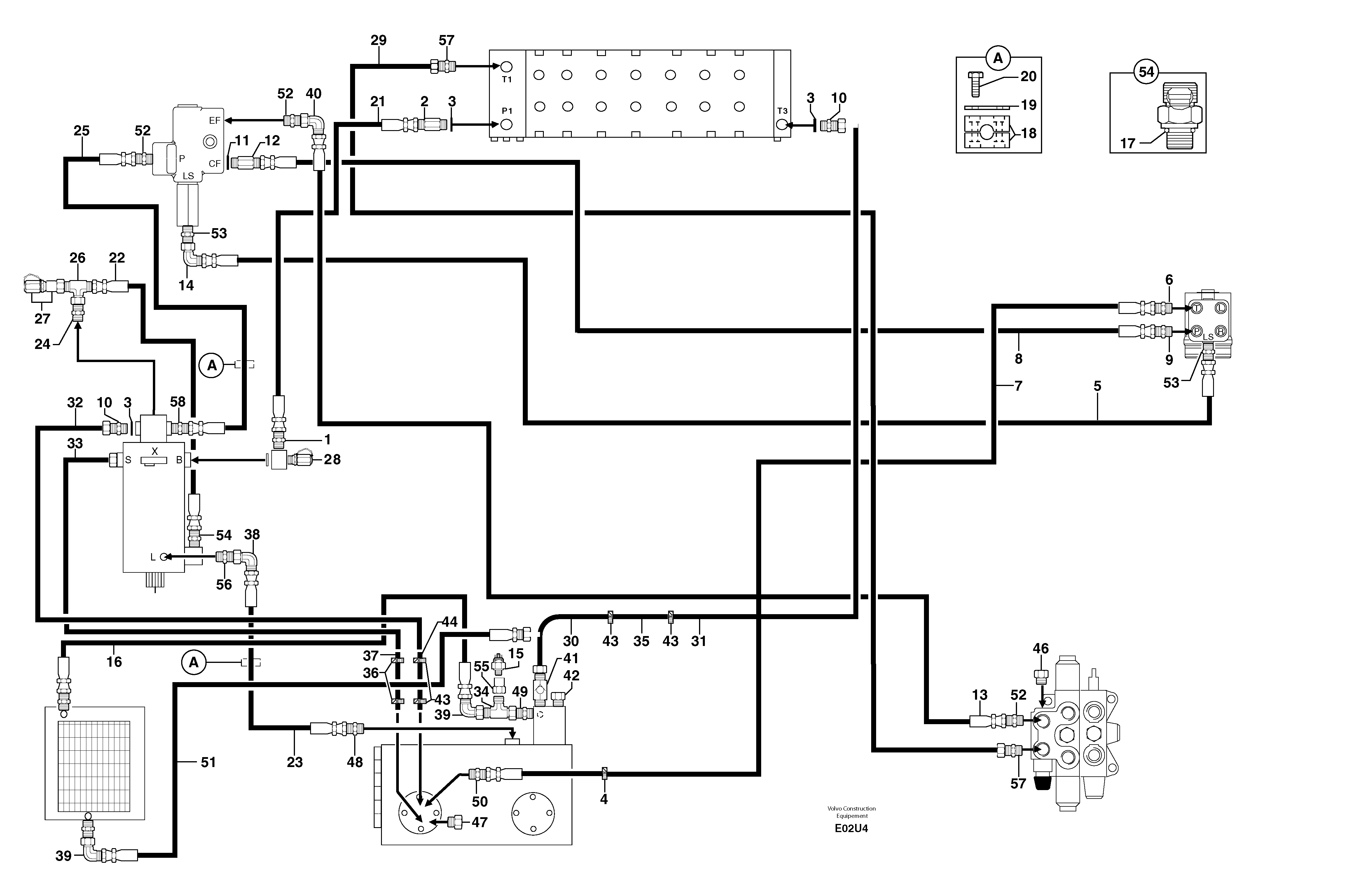
Запчасти Volvo EW70 15171 Attachments supply and return circuit EW70VV TYPE 262

Схема запчастей Volvo EW70 - 15171 Attachments supply and return circuit EW70VV TYPE 262
FIT
1:1
100%

Артикул

Название

Примечание

Количество

1

PJ 4750608

Переходник масляного фильтра

1шт.

10

PJ 4750134

Переходник масляного фильтра

1шт.

11

VOE 943908

Прокладка

1шт.

12

PJ 4750076

Адаптер

1шт.

13

PJ 4196047

High pressure hose

5/8"

1шт.

14

PJ 4700006

Elbow

1шт.

15

VOE 11806266

Pressostat

1шт.

16

PJ 4197000

High pressure hose

3/4"

1шт.

17

PJ 4040050

Кольцо уплотнительное (О-кольцо)

INCL IN 54

1шт.

18

PJ 4690134

Зажим

1шт.

19

VOE 11806179

11806179

1шт.

2

PJ 4750577

Extension Bar

1шт.

20

PJ 4380305

Болт

HM6X45

1шт.

21

PJ 4190863

High pressure hose

1"

1шт.

22

PJ 4192254

Шланг

1/4''

1шт.

23

PJ 4196041

High pressure hose

5/8"

1шт.

24

PJ 4750055

Переходник масляного фильтра

1шт.

25

PJ 4196037

High pressure hose

5/8"

1шт.

26

PJ 4720007

Tee

1шт.

27

VOE 936448

Testing nipple

1шт.

28

VOE 11802730

Соединитель

1шт.

29

PJ 5910710

Трубка

1шт.

3

VOE 944252

Прокладка

1шт.

30

PJ 6010157

Трубка

1шт.

31

PJ 6010158

Трубка

1шт.

32

PJ 6010156

Трубка

1шт.

33

PJ 6010154

Трубка

1шт.

34

PJ 4720025

Tee

1шт.

35

PJ 4199095

Шланг

1"

1шт.

36

PJ 4690135

Зажим

1шт.

37

PJ 4191201

High pressure hose

2"3/8

1шт.

38

PJ 4700016

Elbow

1шт.

39

PJ 4700014

Elbow

1шт.

4

VOE 11806210

Зажим

1шт.

40

PJ 4700035

Elbow

1шт.

41

PJ 5330071

Non-return valve

1шт.

42

PJ 4740044

Пробка (заглушка)

1шт.

43

VOE 11802432

Фланец

1шт.

44

PJ 4199059

Шланг

1"

1шт.

46

VOE 11802284

Пробка (заглушка)

1шт.

47

PJ 4740012

Пробка (заглушка)

1шт.

48

PJ 4750143

Переходник масляного фильтра

1шт.

49

VOE 11806378

Переходник масляного фильтра

1шт.

5

PJ 4193061

High pressure hose

5/16''

1шт.

50

VOE 11806376

Переходник масляного фильтра

1шт.

51

PJ 4190754

High pressure hose

3/4''

1шт.

52

PJ 4750413

Переходник масляного фильтра

1шт.

53

VOE 11806380

Переходник масляного фильтра

1шт.

54

PJ 6050060

Фильтр топливный

1шт.

55

PJ 4750447

Адаптер

1шт.

56

PJ 4750116

Переходник масляного фильтра

1шт.

57

PJ 4750426

Переходник масляного фильтра

1шт.

58

PJ 4750140

Переходник масляного фильтра

1шт.

6

PJ 4750410

Переходник масляного фильтра

1шт.

7

PJ 4194057

High pressure hose

3/8''

1шт.

8

PJ 4190530

High pressure hose

1/2''

1шт.

9

VOE 11806402

Переходник масляного фильтра

1шт.

Выбрано товаров: 57