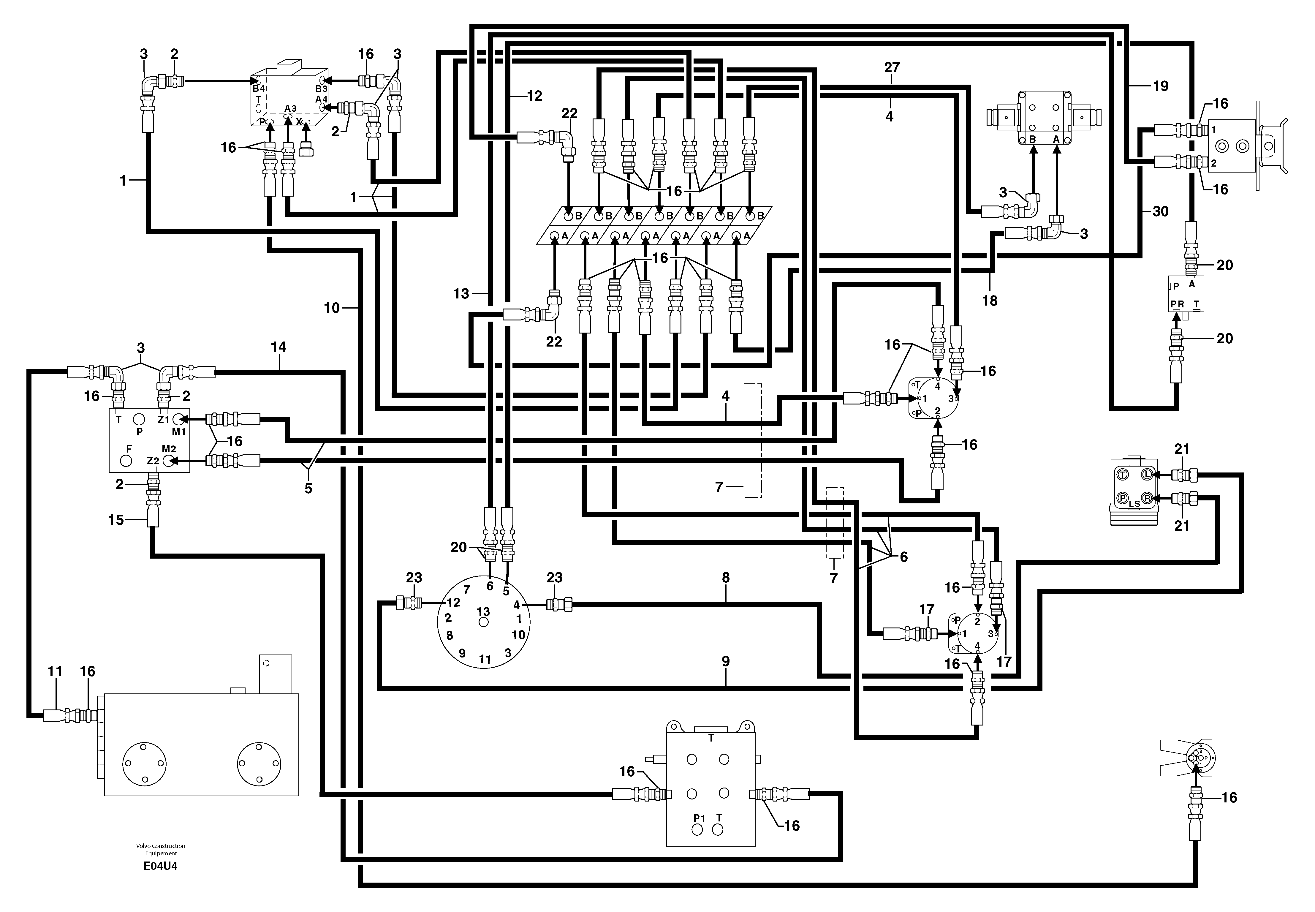
Запчасти Volvo EW70 102293 Hydr. circuit. ( platform ) ( continued ) EW70VV TYPE 262

Схема запчастей Volvo EW70 - 102293 Hydr. circuit. ( platform ) ( continued ) EW70VV TYPE 262
FIT
1:1
100%

Артикул

Название

Примечание

Количество

1

PJ 4192474

Шланг

1/4''

1шт.

10

VOE 11805960

Шланг

1/4''

1шт.

11

PJ 4192452

Шланг

1/4''

1шт.

12

PJ 4190364

High pressure hose

5/16''

1шт.

13

VOE 11805877

Шланг

5/16''

1шт.

14

VOE 11805944

Hose assembly

1/4''

1шт.

15

PJ 4192441

Шланг

1/4''

1шт.

16

PJ 4750055

Переходник масляного фильтра

1шт.

17

PJ 4770575

Restricting valve

ID = 0,6mm/0.0236in

1шт.

18

VOE 11805960

Шланг

1/4''

1шт.

19

PJ 4192471

Шланг

1/4''

1шт.

2

PJ 4750341

Переходник масляного фильтра

1шт.

20

VOE 11806380

Переходник масляного фильтра

1шт.

21

PJ 4750410

Переходник масляного фильтра

1шт.

22

VOE 11806294

Elbow

1шт.

23

VOE 11806376

Переходник масляного фильтра

1шт.

3

VOE 11806290

Elbow

1шт.

4

VOE 11805956

Hose assembly

1/4''

1шт.

5

PJ 4192471

Шланг

1/4''

1шт.

6

PJ 4192470

Шланг

1/4''

1шт.

7

VOE 11804752

Shield Coil

1шт.

8

PJ 5910598

Трубка

1шт.

9

PJ 5910599

Трубка

1шт.

Выбрано товаров: 23