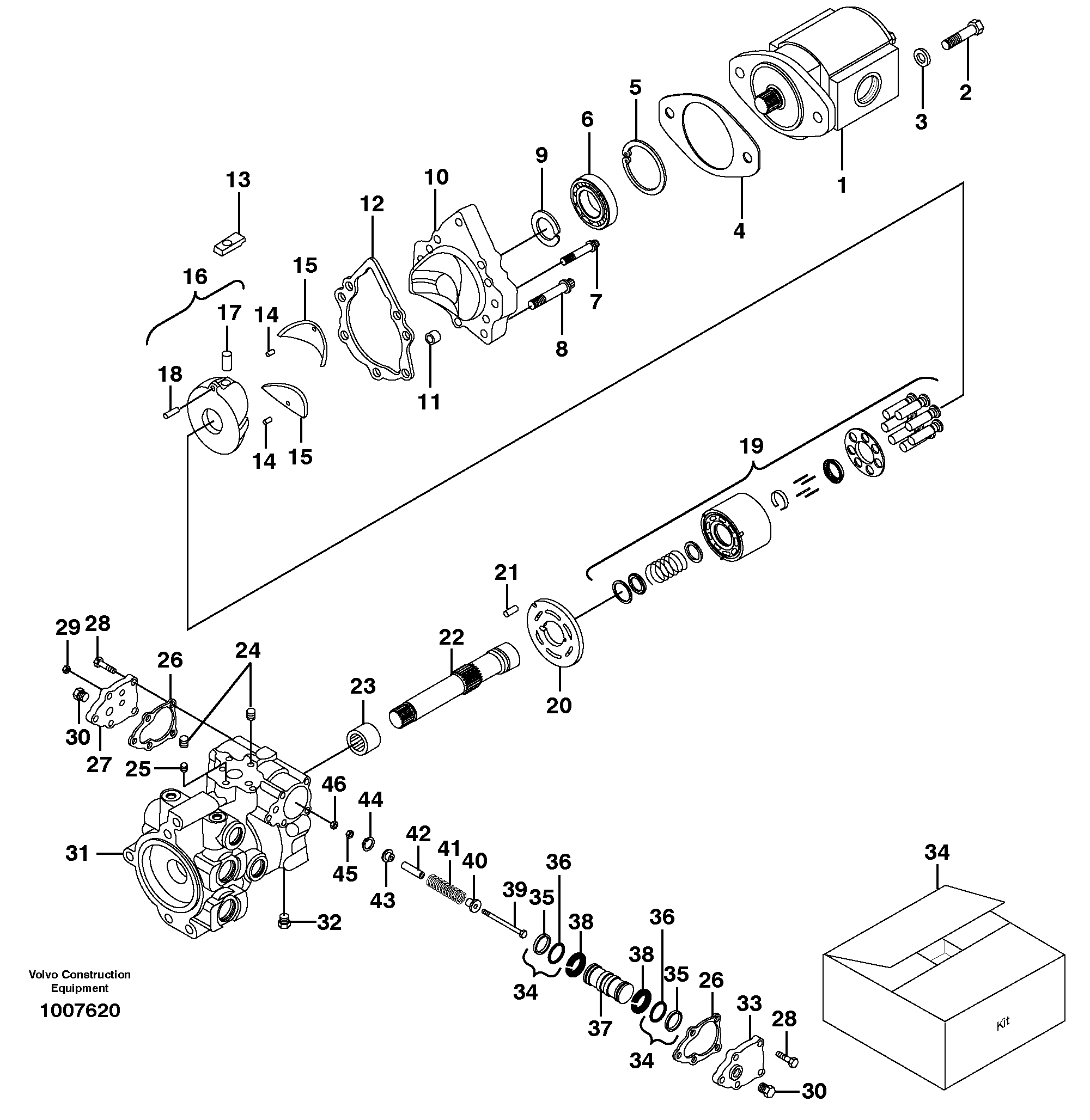
Запчасти Volvo MC110 96790 Front control pump

Схема запчастей Volvo MC110 - 96790 Front control pump
FIT
1:1
100%

Артикул

Название

Примечание

Количество

1

VOE 11711327

Пилотный (шестерёнчатый) насос

1шт.

10

VOE 11712009

Крышка

1шт.

11

VOE 11711345

Вставка

1шт.

13

VOE 11712011

Втулка (распорная)

1шт.

14

VOE 11712012

11712012

1шт.

15

VOE 11712013

Bearing plate

1шт.

16

VOE 11712073

Вилка

1шт.

17

VOE 11712015

11712015

1шт.

18

VOE 11711329

11711329

1шт.

19

VOE 11712017

Блок цилиндров

1шт.

2

VOE 11711328

Болт

1шт.

20

VOE 11712018

11712018

1шт.

21

VOE 11712019

11712019

1шт.

22

VOE 11712020

Вал

1шт.

23

VOE 11712021

Втулка (распорная)

1шт.

24

VOE 11711322

Пробка (заглушка)

1шт.

25

VOE 11711323

Пробка (заглушка)

1шт.

27

VOE 11711335

Крышка

1шт.

28

VOE 11712025

Болт

1шт.

3

VOE 11712002

Шайба

1шт.

30

VOE 11712026

Пробка (заглушка)

1шт.

31

VOE 11712027

Gearbox housing

1шт.

32

VOE 11712063

Пробка (заглушка)

1шт.

33

VOE 11710635

Крышка

1шт.

34

VOE 11712078

Комплект поршневых колец

1шт.

37

VOE 11712029

Gudgeon pin

1шт.

39

VOE 11712030

Болт

1шт.

4

VOE 11712003

Прокладка

1шт.

40

VOE 11712031

Guide washer

1шт.

41

VOE 11712032

Пружина

1шт.

42

VOE 11712033

Втулка (распорная)

1шт.

43

VOE 11712034

Guide washer

1шт.

44

VOE 11712035

Retaining ring

1шт.

45

VOE 11712036

Lock nut

1шт.

46

VOE 11711344

Гайка

1шт.

47

VOE 11713575

Gasket kit

1шт.

5

RM 59861872

Кольцо

1шт.

6

VOE 11712005

Ball bearing

1шт.

7

VOE 11712076

Болт

1шт.

8

VOE 11712007

Болт

1шт.

9

VOE 11711293

Retaining ring

1шт.

Выбрано товаров: 41