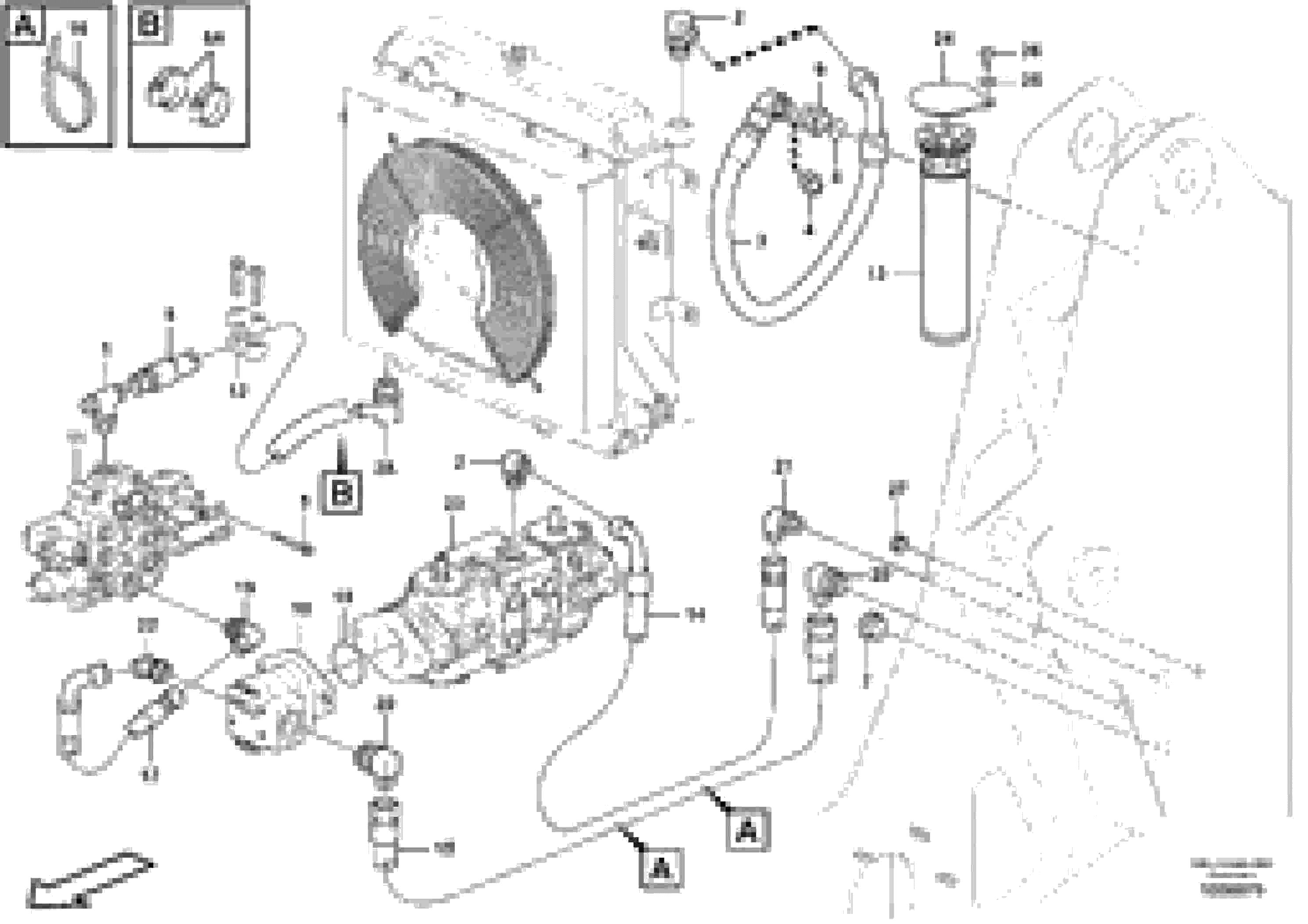
Запчасти Volvo MC110B 83653 Supply/return and Cooling Circuits MC110B S/N 71000 -

Схема запчастей Volvo MC110B - 83653 Supply/return and Cooling Circuits MC110B S/N 71000 -
FIT
1:1
100%

Артикул

Название

Примечание

Количество

1

VOE 15623963

Фиттинг

1шт.

10

VOE 11853027

Пилотный (шестерёнчатый) насос

1шт.

11

VOE 15400901

Valve control

1шт.

12

VOE 15623729

Зажим

1шт.

13

VOE 11853058

Фильтр топливный

1шт.

14

VOE 15638232

Hose assembly

1шт.

15

VOE 15625146

Hose assembly

1шт.

16

VOE 4881440

Cable tie

1шт.

16

VOE 4881440

Cable tie

1шт.

17

VOE 15629151

Hose assembly

1шт.

18

VOE 990210

Кольцо уплотнительное (О-кольцо)

1шт.

19

VOE 11841899

Соединитель

1шт.

2

VOE 11841980

Elbow

1шт.

20

VOE 11841901

Elbow nipple

1шт.

21

VOE 11853071

Соединитель

1шт.

22

VOE 11841983

Elbow

1шт.

24

VOE 15634970

Cap

1шт.

25

VOE 11055612

Шайба

1шт.

25

VOE 11055612

Шайба

1шт.

26

VOE 947107

Flange screw

1шт.

26

VOE 947107

Flange screw

1шт.

27

VOE 11841991

Пробка (заглушка)

1шт.

2A

VOE 15633259

Elbow

1шт.

3

VOE 15624213

Hose assembly

1шт.

4

VOE 15622298

Sensor

1шт.

5

VOE 983276

Винт шестигранник

1шт.

5

VOE 983276

Винт шестигранник

1шт.

6

VOE 15637718

Hose assembly

1шт.

6A

VOE 943475

Hose clamp

1шт.

6A

VOE 943475

Hose clamp

1шт.

7

VOE 11841995

Пробка (заглушка)

1шт.

8

VOE 981290

Кольцо уплотнительное (О-кольцо)

1шт.

8

VOE 981290

Кольцо уплотнительное (О-кольцо)

1шт.

9

VOE 15624115

Соединитель

1шт.

Выбрано товаров: 0