Запчасти Volvo MC110B 18143 Cable harness, air conditioning MC110B

Схема запчастей Volvo MC110B - 18143 Cable harness, air conditioning MC110B
FIT
1:1
100%

Артикул

Название

Примечание

Количество

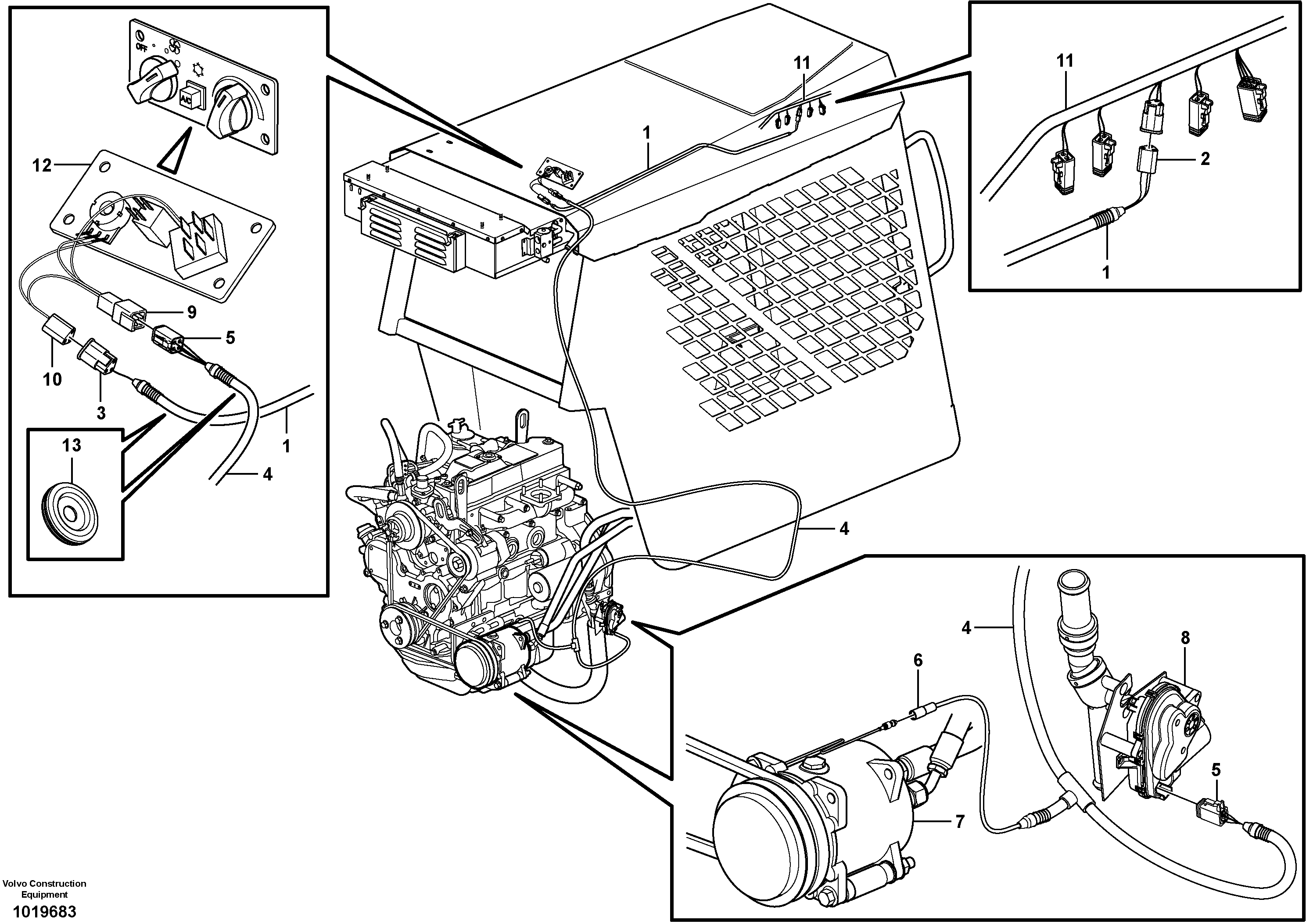
1

VOE 11851385

Wire harness

1шт.

13

VOE 943920

Пробка (заглушка)

1шт.

13

VOE 943920

Пробка (заглушка)

1шт.

3

VOE 874654

Receptacle housing

1шт.

3

VOE 874654

Receptacle housing

1шт.

4

VOE 11851389

Wire harness

1шт.

5

VOE 874957

Картер (корпус)

1шт.

5

VOE 874957

Картер (корпус)

1шт.

6

976422

Housing

1шт.

6

976422

Картер (корпус)

1шт.

Выбрано товаров: 10